电脑桌面
添加小米粒文库到电脑桌面
安装后可以在桌面快捷访问

桥梁工程混凝土抗压强度试验报告(计算程序)

桥梁工程混凝土抗压强度试验报告(计算程序)_第1页
1/16
桥梁工程混凝土抗压强度试验报告(计算程序)_第2页
2/16
桥梁工程混凝土抗压强度试验报告(计算程序)_第3页
3/16
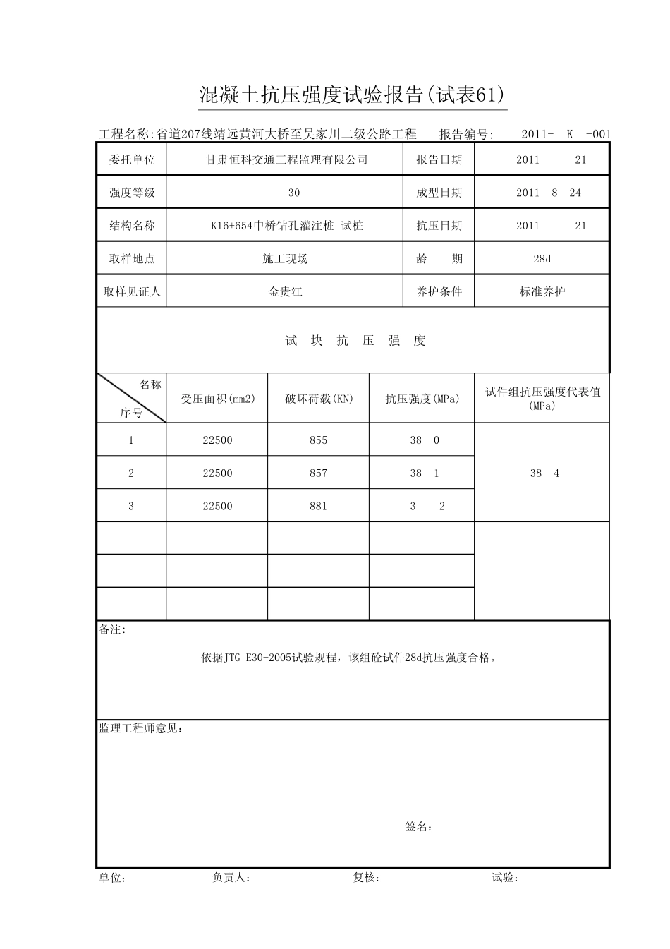
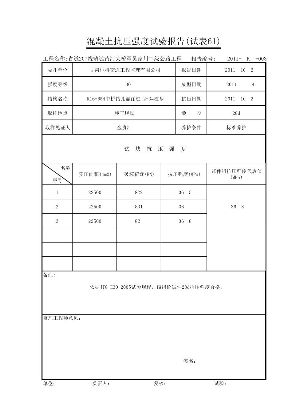
报告编号:单位:备注: 依据JTG E30-2005试验规程,该组砼试件28d抗压强度合格。监理工程师意见: 签名:负责人:复核:试验:混凝土抗压强度试验报告(试表61)工程名称:省道207线靖远黄河大桥至吴家川二级公路工程2011-HKQ-001试件组抗压强度代表值(MPa)抗压强度(MPa)2250085538.022250085738.132250088139.2取样见证人金贵江养护条件标准养护试 块 抗 压 强 度1 名称序号受压面积(mm2)破坏荷载(KN)38.42011.8.24结构名称K16+654中桥钻孔灌注桩 试桩抗压日期2011.9.21取样地点施工现场龄 期28d委托单位甘肃恒科交通工程监理有限公司报告日期2011.9.21强度等级C30成型日期报告编号:单位:备注: 依据JTG E30-2005试验规程,该组砼试件28d抗压强度合格。监理工程师意见: 签名:负责人:复核:试验:32250067530.030.122250066929.712250068130.2 名称序号受压面积(mm2)破坏荷载(KN)抗压强度(MPa)试件组抗压强度代表值(MPa)取样见证人金贵江养护条件标准养护试 块 抗 压 强 度结构名称K16+654中桥4号台基础抗压日期2011.9.29取样地点施工现场龄 期28d2011-HKQ-002委托单位甘肃恒科交通工程监理有限公司报告日期2011.9.29强度等级C25成型日期2011.9.1混凝土抗压强度试验报告(试表61)工程名称:省道207线靖远黄河大桥至吴家川二级公路工程报告编号:单位:混凝土抗压强度试验报告(试表61)备注: 依据JTG E30-2005试验规程,该组砼试件28d抗压强度合格。监理工程师意见: 签名:负责人:复核:试验:122250083136.932250082936.82250082236.536.8试 块 抗 压 强 度 名称序号受压面积(mm2)破坏荷载(KN)抗压强度(MPa)试件组抗压强度代表值(MPa)取样地点施工现场龄 期28d取样见证人金贵江养护条件标准养护强度等级C30成型日期2011.9.4结构名称K16+654中桥钻孔灌注桩 2-3#桩基抗压日期2011.10.2工程名称:省道207线靖远黄河大桥至吴家川二级公路工程2011-HKQ-003委托单位甘肃恒科交通工程监理有限公司报告日期2011.10.2报告编号:单位:备注: 依据JTG E30-2005试验规程,该组砼试件28d抗压强度合格。监理工程师意见: 签名:负责人:复核:试验:2250084937.732250085337.938.022250086138.31试 块 抗 压 强 度 名称序号受压面积(mm2)破坏荷载(KN)抗压强度(MPa)试件组抗压强度代表值(MPa)取样地点施工现场龄 期28d取样见证人金贵江养护条件标准养护强度等级C30成型日期2011.9.11结构名称K16+654中桥钻孔灌注桩 2-1#桩基...

1、当您付费下载文档后,您只拥有了使用权限,并不意味着购买了版权,文档只能用于自身使用,不得用于其他商业用途(如 [转卖]进行直接盈利或[编辑后售卖]进行间接盈利)。
2、本站所有内容均由合作方或网友上传,本站不对文档的完整性、权威性及其观点立场正确性做任何保证或承诺!文档内容仅供研究参考,付费前请自行鉴别。
3、如文档内容存在违规,或者侵犯商业秘密、侵犯著作权等,请点击“违规举报”。

碎片内容

桥梁工程混凝土抗压强度试验报告(计算程序)

您可能关注的文档

确认删除?
VIP
微信客服
  • 扫码咨询
会员Q群
  • 会员专属群点击这里加入QQ群
客服邮箱
回到顶部