电脑桌面
添加小米粒文库到电脑桌面
安装后可以在桌面快捷访问

桥梁工程课程设计(t型简支梁的计算)

桥梁工程课程设计(t型简支梁的计算)_第1页
1/40
桥梁工程课程设计(t型简支梁的计算)_第2页
2/40
桥梁工程课程设计(t型简支梁的计算)_第3页
3/40
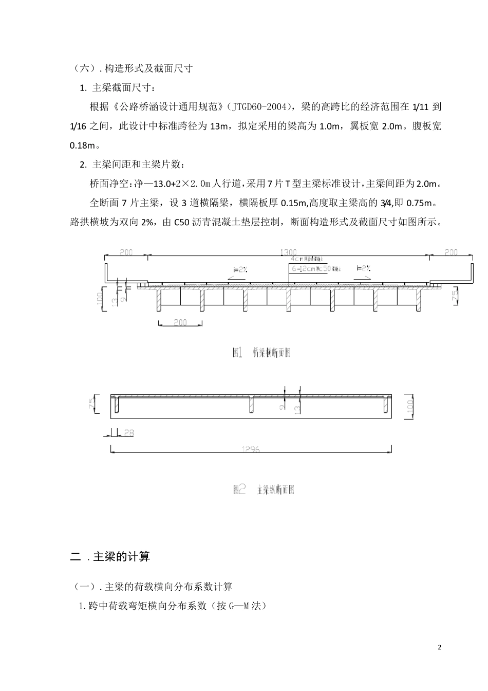
1 装配式钢筋混凝土简支T 梁桥计算 一 .基本设计资料 (一).跨度及桥面宽度 1 标准跨径:13m(墩中心距)。 2 计算跨径:12.50m。 3 主梁全长:12.96m。 4 桥面宽度(桥面净空):净—13.0m(行车道)+2X2.0m(人行道)。 (二).技术标准 设计荷载:公路—Ⅱ级,人群荷载3.0KN/m 2 。 环境标准:Ⅰ类环境。 设计安全等级:二级。 (三).主要材料 钢筋:主筋用HRB335级钢筋,其他用R235级钢筋。 混凝土:C50, 容重26kN/m3;桥面铺装采用沥青混凝土;容重23kN/m3; (四).设计依据 ⑴《公路桥涵设计通用规范》(JT J D60—2004) ⑵《公路钢筋混凝土及预应力混凝土桥涵设计规范》(JT J D62—2004); (五).参考资料 ⑴ 结构设计原理:叶见曙,人民交通出版社; ⑵ 桥梁工程:姚玲森,人民交通出版社; ⑶混凝土公路桥设计: ⑷桥梁计算示例丛书 《混凝土简支梁(板)桥》(第三版) 易建国主编.人民交通出版社 (5)《钢筋混凝土及预应力混凝土简支梁桥结构设计》闫志刚主编.机械工业出版社 2 (六).构造形式及截面尺寸 1. 主梁截面尺寸: 根据《公路桥涵设计通用规范》(JTGD60-2004),梁的高跨比的经济范围在1/11 到1/16 之间,此设计中标准跨径为13m ,拟定采用的梁高为1.0m ,翼板宽2.0m 。腹板宽0.18m 。 2. 主梁间距和主梁片数: 桥面净空:净—13.0+2×2.0m 人行道,采用7 片T 型主梁标准设计,主梁间距为2.0m 。 全断面7 片主梁,设3 道横隔梁,横隔板厚 0.15m ,高度取主梁高的3/4,即 0.75m 。路拱横坡为双向 2%,由 C50 沥青混凝土垫层控制,断面构造形式及截面尺寸如图所示。 二 .主梁的计算 (一).主梁的荷载横向分布系数计算 1.跨中荷载弯矩横向分布系数(按 G—M 法) 3 (1)主梁的抗弯及抗扭惯矩xI 和TxI 求主梁界面的的重心位置xa (图2): 平均板厚: 1191 31 12hcm 主梁截面的重心位置: cmax5 6 8.2 61 81 0 01 1)1 82 0 0(5 01 81 0 05.51 1)1 82 0 0( 主梁抗弯惯矩: )(1 04 8 7.3)(2 2 9.3 4 8 6 9 9 2)5 6 8.2 621 0 0(1 0 01 81 0 01 81 21)21 15 6 8.2 6(1 12 0 01 12 0 01 214242323mcmIx 主梁抗扭惯矩: 31iimiiTtbcI 对于翼板:1.00 5 5.02 0 01 111bt 查表得 1 /...

1、当您付费下载文档后,您只拥有了使用权限,并不意味着购买了版权,文档只能用于自身使用,不得用于其他商业用途(如 [转卖]进行直接盈利或[编辑后售卖]进行间接盈利)。
2、本站所有内容均由合作方或网友上传,本站不对文档的完整性、权威性及其观点立场正确性做任何保证或承诺!文档内容仅供研究参考,付费前请自行鉴别。
3、如文档内容存在违规,或者侵犯商业秘密、侵犯著作权等,请点击“违规举报”。

碎片内容

桥梁工程课程设计(t型简支梁的计算)

确认删除?
VIP
微信客服
  • 扫码咨询
会员Q群
  • 会员专属群点击这里加入QQ群
客服邮箱
回到顶部