电脑桌面
添加小米粒文库到电脑桌面
安装后可以在桌面快捷访问

植筋安全技术交底

植筋安全技术交底_第1页
1/9
植筋安全技术交底_第2页
2/9
植筋安全技术交底_第3页
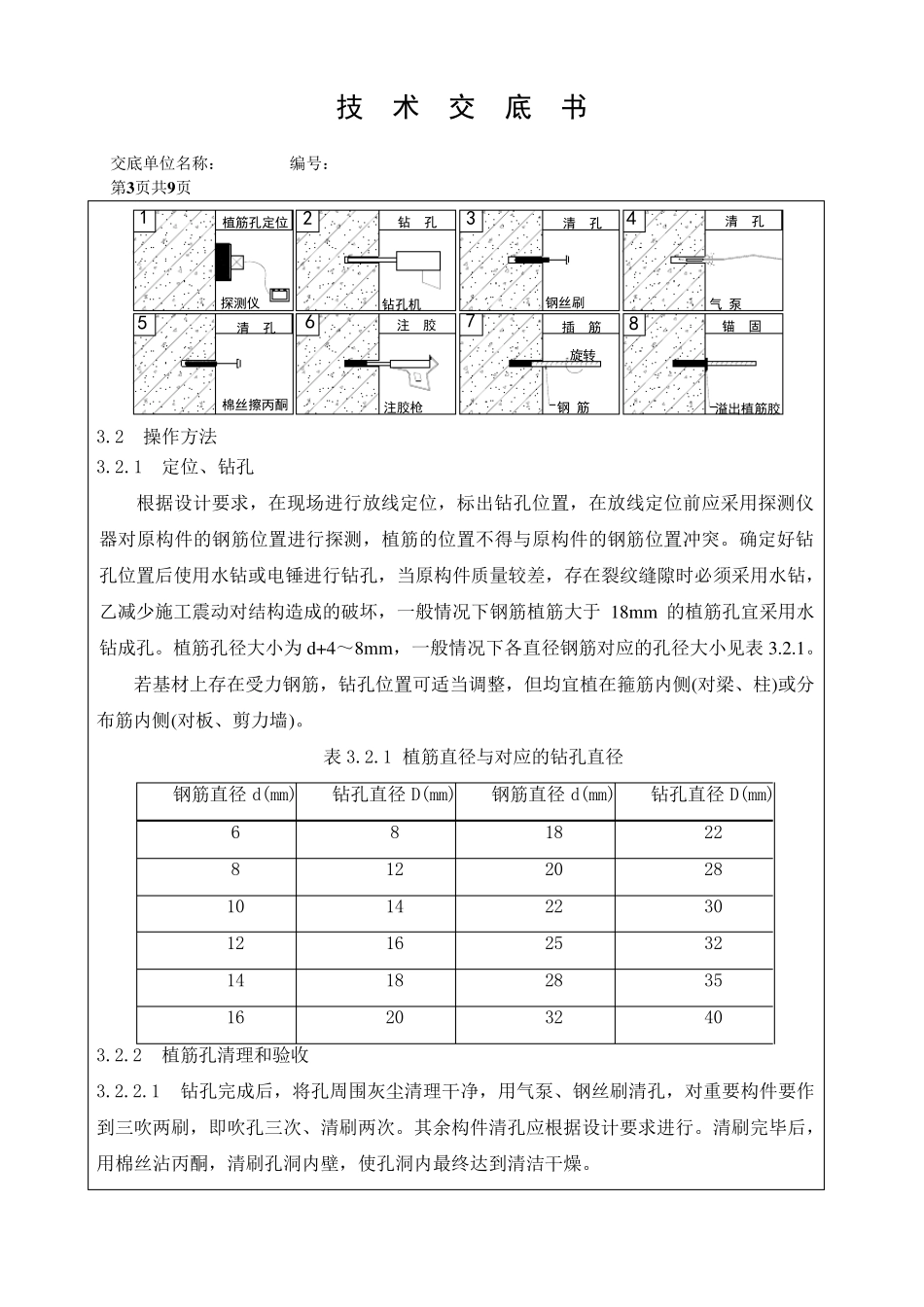
3/9
技 术 交 底 书 交 底 单 位 名 称 : 编 号 : 第 1页 共 9页 工 程 名 称 设 计 文 件 图 号 施 工 部 位 交 底 日 期 技 术 底 内 容 : 一 、 技 术 交 底 范 围 及 设 计 情 况 本 次 交 底 为 地 圈 梁 植 筋 施 工 。 二 、 施 工 准 备 2.1 主 要 机 具 : 电 锤 ( 用 于 打 电 锤 孔 ), 角 磨 机 , 钢 丝 刷 。 2.2 辅 助 工 具 : 手 吹 风 , 空 压 机 , 注 胶 器 , 搅 拌 器 , 棉 丝 , 毛 刷 , 墨 斗 , 墨 水 , 线 坠 , 水平 尺 , 盒 尺 , 红 蓝 铅 笔 等 。 2.3 主 要 材 料 : 植 筋 胶 , 钢 筋 , 清 洗 剂 。 2.3.1 钢 筋 2.3.1.1 钢 筋 的 品 种 、 级 别 、 规 格 应 符 合 设 计 要 求 及 相 关 标 准 规 定 , 并 有 出 厂 质 量 证 明 ,按 规 定 做 物 理 力 学 性 能 复 试。 当加工 过程 中发生脆断等 特殊情 况 , 还需做 化学 成分检验。 2.3.1.2 钢 筋 应 平 直、 无损伤、 表面不得有 裂纹、 油污、 颗粒或片状老锈。 2.3.2 植 筋 胶 2.3.2.1 植 筋 胶 必须采用 改性 环氧类和改性 乙烯基酯类( 包括改性 氨基甲酸酯)。 其钢 筋采用 的 植 筋 胶 级 别 按 设 计 要 求 选用 , 其性 能 必须符 合 下表的 规 定 。 表 植 筋 用 胶 安全性 能 检验合 格 指标 性 能 项 目 性 能 要 求 A 级 胶 B 级 胶 胶 体 性 劈裂抗拉强度( Mpa) ≥8.5 ≥7.0 抗弯强度Mpa) ≥50 ≥40 抗压 强度( Mpa) ≥60 技 术 交 底 书 交底单位名称: 编号: 第2页共9页 能 约束拉拔条件下带肋钢筋与混凝土的粘结强度 C30 φ25 l=150mm ≥11.0 ≥8.5 C60 φ25 l=125mm ≥17.0 ≥14.0 不挥发物含量(固体含量)(%) ≥99 2.3.2.2 植筋胶必须通过毒性检验,对完全固化的植筋胶其检验结果应符合无毒卫生等级要求,其挥发性有机化合物含量应满足相关规范要求。 2.3.2.3 植筋胶应具有耐冻融性能试验合格证书,冻融环境温度为-25~35C°,循环次数不应少于 50 次,每一次循环时间为8h,试验结束后,试件在常温条件下测得的强度降低百分率 A 级不应大于 10%,B ...

1、当您付费下载文档后,您只拥有了使用权限,并不意味着购买了版权,文档只能用于自身使用,不得用于其他商业用途(如 [转卖]进行直接盈利或[编辑后售卖]进行间接盈利)。
2、本站所有内容均由合作方或网友上传,本站不对文档的完整性、权威性及其观点立场正确性做任何保证或承诺!文档内容仅供研究参考,付费前请自行鉴别。
3、如文档内容存在违规,或者侵犯商业秘密、侵犯著作权等,请点击“违规举报”。

碎片内容

植筋安全技术交底

确认删除?
VIP
微信客服
  • 扫码咨询
会员Q群
  • 会员专属群点击这里加入QQ群
客服邮箱
回到顶部