电脑桌面
添加小米粒文库到电脑桌面
安装后可以在桌面快捷访问

横河质量流量计说明书中英对照表

横河质量流量计说明书中英对照表_第1页
1/43
横河质量流量计说明书中英对照表_第2页
2/43
横河质量流量计说明书中英对照表_第3页
3/43
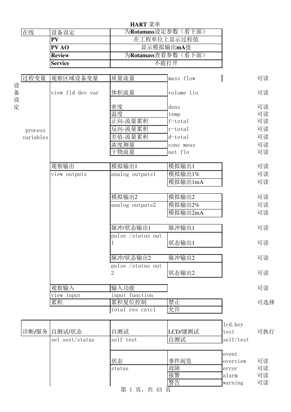
在线设备设定PVPV AOReviewService过程变量观察区域设备变量质量流量mass flow可读设备view fld dev var体积流量volume lio可读设定密度dens可读温度temp可读正向-流量累积 f-total可读反向-流量累积 r-total可读差值-流量累积 d-total可读浓度测量conc meas可读干物流量net flo可读观察输出模拟输出1模拟输出1可读view outputsanalog outputs1模拟输出1%可读模拟输出1m A可读模拟输出2模拟输出2可读analog outputs2模拟输出2%可读模拟输出2m A可读脉冲/状态输出1脉冲输出1可读pulse /status out1状态输出1可读脉冲/状态输出2脉冲输出2可读pulse /status out2状态输出2可读观察输入输入功能可读view inputinput function累积累积复位控制 禁止可选择total res cntcl允许诊断/服务自测试/状态自测试LCD/键测试lcd.keytest可执行sel sest/statusself test自测试self/test状态事件阅览eventoverview可读status故障error可读报警alarm可读警告warning可读HART 菜单为Rotamass设定参数(看下面)在工程单位上显示过程值显示模拟输出mA值processvariables为Rotamass查看参数(看下面)不能打开第 1 页,共 43 页历史阅览序列历史阅览序列可读hist overview ord清除历史不执行可执行clear history执行历史阅览简要历史设定简要可读hist overview abshist setset1可读..可读set10可读历史设定菜单历史设定可读history set menu历史阅览可读历史故障可读历史报警可读历史警告可读故障历史可执行输入/输出测试模拟输出1analog outputs1可读/写input/output test模拟输出2analog outputs2可读/写脉冲输出1pulse /statusout1可读/写状态输出1status out 1可读/写脉冲输出2pulse /statusout2可读/写状态输出2status out2可读/写状态输入status input可读自动零位检查自动零位历史可读auto zero checkautozero history自动零位范围可读az range自动零位变化可读az fluctuation自动零位调零禁止inhibie可选择zutozerozero tuning允许enable调零时间3分钟可选择autozero duration30秒显示自动调零自动调零值回路微调微调输出1trim output1roop trim微调输出2trim output2基本设置位号tag可读/写basicsetup长位号long tag可读/写显示组态显示选择1质量流量mass flow可选择第 2 页,共 43 页displaydisp select 1体积流量volume flo密度dens温度temp正向-流量累积f-total反向-流量累积r-total差...

1、当您付费下载文档后,您只拥有了使用权限,并不意味着购买了版权,文档只能用于自身使用,不得用于其他商业用途(如 [转卖]进行直接盈利或[编辑后售卖]进行间接盈利)。
2、本站所有内容均由合作方或网友上传,本站不对文档的完整性、权威性及其观点立场正确性做任何保证或承诺!文档内容仅供研究参考,付费前请自行鉴别。
3、如文档内容存在违规,或者侵犯商业秘密、侵犯著作权等,请点击“违规举报”。

碎片内容

横河质量流量计说明书中英对照表

您可能关注的文档

小辰2+ 关注
实名认证
内容提供者

出售各种资料和文档

确认删除?
VIP
微信客服
  • 扫码咨询
会员Q群
  • 会员专属群点击这里加入QQ群
客服邮箱
回到顶部