电脑桌面
添加小米粒文库到电脑桌面
安装后可以在桌面快捷访问

步进电机标准新

步进电机标准新_第1页
1/9
步进电机标准新_第2页
2/9
步进电机标准新_第3页
3/9
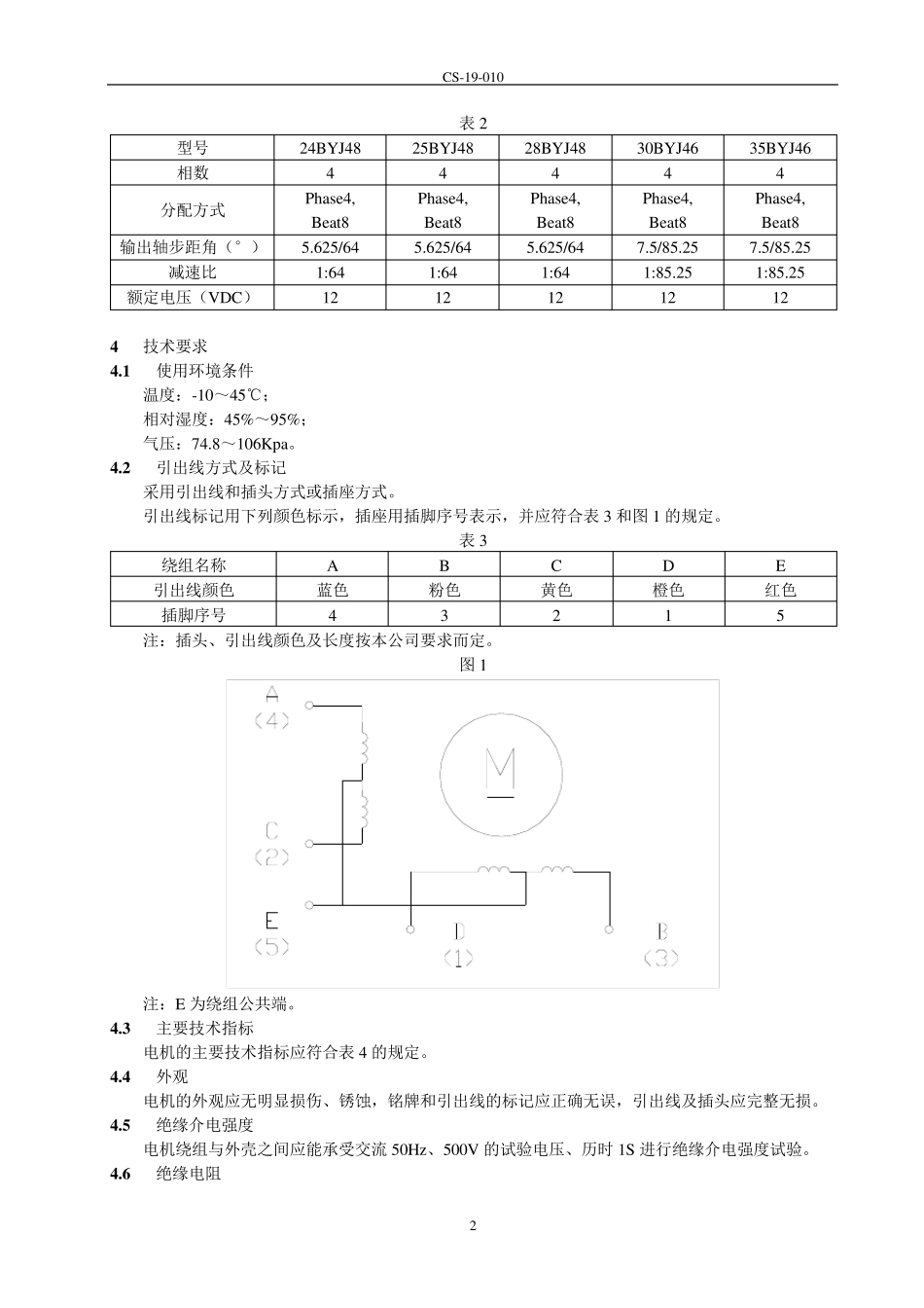
CS/ESZ 以莱特空调深圳有限公司 零部件技术标准 标准号:CS-19-010 步进电机 编制: 日期: 审核: ( R&D ) ( QA ) 批准: (R&D director) (QA director) 发布 实施 日期: 版本:01 CS-19-010 1 1 范围 本标准规定了步进电机(以下简称“电机”)的技术要求、试验方法、试验规则、标志、包装、运输和贮存。 本标准适用于本企业的步进电机。 2 引用标准 下列标准所包含的条文,通过在本标准中引用而成为本标准的条文。本标准出版时,所示版本均为有效。所有标准都会被修订,使用本标准的各方应探讨使用下列标准最新版本的可能性。 GB/T 1804-2000 一般公差 未注公差的线性和角度尺寸的公差 GB 2423.1-89 电工电子产品基本环境试验规程 试验 A:低温试验方法 GB 2423.2-89 电工电子产品基本环境试验规程 试验 B:高温试验方法 GB/T 2423.3-93 电工电子产品基本环境试验规程 试验 Ca:恒定湿热试验方法 GB 2423.5-81 电工电子产品基本环境试验规程 试验 Ea:冲击试验方法 GB 2423.10-81 电工电子产品基本环境试验规程 试验 Fc:振动(正弦)试验方法 GB 2423.11-81 电工电子产品基本环境试验规程 试验 N:温度变化试验方法 GB 2828-87 逐批检查计数抽样程序及抽样表(适用于连续批的检查) 3 产品分类 3 .1 型号 电机的型号由机座号、产品名称代号、性能参数代号及派生代号四部分组成。 例如: 28 BYJ 48 -A 派生代号 性能参数代号 产品名称代号 机座号 3 .1 .1 机座号 机座号用电机外径的毫米数以阿拉伯数字表示,如表 1 所示。 表 1 机座号 24 25 28 30 35 电机外壳(m m ) 24 25 28 30 35 3 .1 .2 产品名称代号 产品名称及代号用大写汉语拼音字母表示。 3 .1 .3 性能参数代号 性能参数代号由两位阿拉伯数字组成,其中第一位数字表示相数,第二位数字表示极对数。 相数代号 4 表示 4 相电机,极对数代号 6 和 8 分别表示电机的极对数为 6 对和 8 对。 3 .1 .4 派后代号 派生包括性能参数派生的结构派生,性能或结构派生代号用大写英文字母 A、B、C……表示,但不得使用 I、O 字母。 3 .2 基本参数 电机的基本参数应符合表 2 的规定。 CS-19-010 2 表2 型号 24BYJ48 25BYJ48 28BYJ48 30BYJ46 35BYJ46 相数 4 4 4 4 4 分配方式 Phase4, Beat8 Phase4, Beat8 Phase4, Beat8...

1、当您付费下载文档后,您只拥有了使用权限,并不意味着购买了版权,文档只能用于自身使用,不得用于其他商业用途(如 [转卖]进行直接盈利或[编辑后售卖]进行间接盈利)。
2、本站所有内容均由合作方或网友上传,本站不对文档的完整性、权威性及其观点立场正确性做任何保证或承诺!文档内容仅供研究参考,付费前请自行鉴别。
3、如文档内容存在违规,或者侵犯商业秘密、侵犯著作权等,请点击“违规举报”。

碎片内容

步进电机标准新

确认删除?
VIP
微信客服
  • 扫码咨询
会员Q群
  • 会员专属群点击这里加入QQ群
客服邮箱
回到顶部