电脑桌面
添加小米粒文库到电脑桌面
安装后可以在桌面快捷访问

气力输送与通风除尘

气力输送与通风除尘_第1页
1/31
气力输送与通风除尘_第2页
2/31
气力输送与通风除尘_第3页
3/31
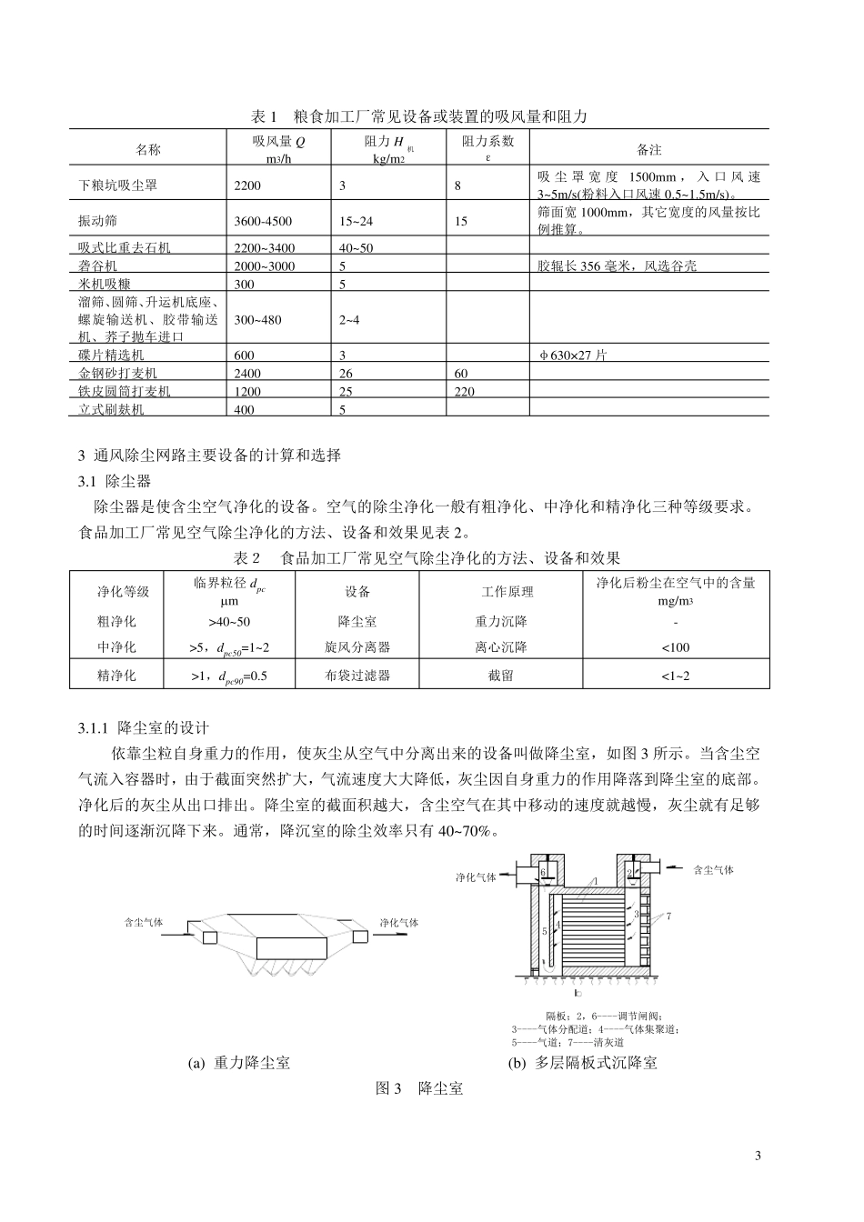
1 第一章 通风除尘与气力输送系统的设计 第一节 概述 在食品加工厂中,车间的通风换气、设备和物料的冷却、粉尘的清除等都需要通风除尘系统来完成。粉状、颗粒状的物料(如奶粉、谷物等)的输送都可借助气力输送系统实现。通风除尘和气力输送系统是食品加工厂的常用装置。 食品加工厂中粉尘使空气污染,影响人的身体健康。灰尘还会加速设备的磨损,影响其寿命。灰尘在车间内或排至厂房外,会污染周围的大气,影响环境卫生。由于粉尘的这些危害性,国家规定工厂中车间内部空气的灰尘含量不得超过 10m g/m 3,排至室外的空气的灰尘含量不得超过 150m g/m 3,为了达到这个标准,必须装置有效的通风除尘设备。 图 1 是食品加工厂常见的通风除尘装置。主要由通风机、吸风罩、风管和除尘器等部分组成。当通风机工作时,由于负压的作用,外界空气从设备外壳的缝隙或专门的风管引入工作室,把设备工作时产生的粉尘、热量和水汽带走,经吸风罩沿风管送入除尘器净化,净化后的空气排出室外。 气力输送系统的形式与通风除尘系统相似,但其目的是输送物料,主要由接料器(供料器)、管道、卸料器、除尘器、风机等部分组成。气力输送系统除了起到输送作用外,还可以在输送过程中对物料进行清理、冷却、分级和对作业机完成除尘、降温等。小型面粉厂气力输送工艺流程如图 2。 气力输送具有设备简单、一次性投资低、可以一风多用等特点,与机械输送相比,气力输送的缺布袋除尘器旋风分离器三通管弯头设备设备吸尘罩风机图 1 食品加工厂典型的通风除尘系统 卸料器接料器接料器空气空气物料物料布袋除尘器风机旋风分离器图 2 食品加工厂典型的气力输送系统 2 点主要是能耗较大,对颗粒物料易造成破碎。 通风除尘和气力输送都是利用空气的流动性能来进行空气的净化或物料的搬运的,因此,流体力学是本章的基础知识。有关流体力学的知识可参阅相关书籍资料,在此不再敷述。本章主要讨论食品加工厂通风除尘和气力输送系统的设计。 第二节 通风除尘系统的设计与计算 1 通风除尘系统的设计原则和计算内容 通风除尘系统也叫除尘网路或风网。通风除尘网路有单独风网和集中风网两种形式。在确定风网形式时,当: 1) 吸出的含尘空气必须作单独处理; 2) 吸风量要求准确且需经常调节; 3) 需要风量较大;或设备本身自带通风机; 4) 附近没有其它需要吸风或可以合并吸风的设备或吸点时应采用单独风网。 不符合上述任一条例的两个或两个以...

1、当您付费下载文档后,您只拥有了使用权限,并不意味着购买了版权,文档只能用于自身使用,不得用于其他商业用途(如 [转卖]进行直接盈利或[编辑后售卖]进行间接盈利)。
2、本站所有内容均由合作方或网友上传,本站不对文档的完整性、权威性及其观点立场正确性做任何保证或承诺!文档内容仅供研究参考,付费前请自行鉴别。
3、如文档内容存在违规,或者侵犯商业秘密、侵犯著作权等,请点击“违规举报”。

碎片内容

气力输送与通风除尘

确认删除?
VIP
微信客服
  • 扫码咨询
会员Q群
  • 会员专属群点击这里加入QQ群
客服邮箱
回到顶部