电脑桌面
添加小米粒文库到电脑桌面
安装后可以在桌面快捷访问

水利工程安全检查表格

水利工程安全检查表格_第1页
1/9
水利工程安全检查表格_第2页
2/9
水利工程安全检查表格_第3页
3/9
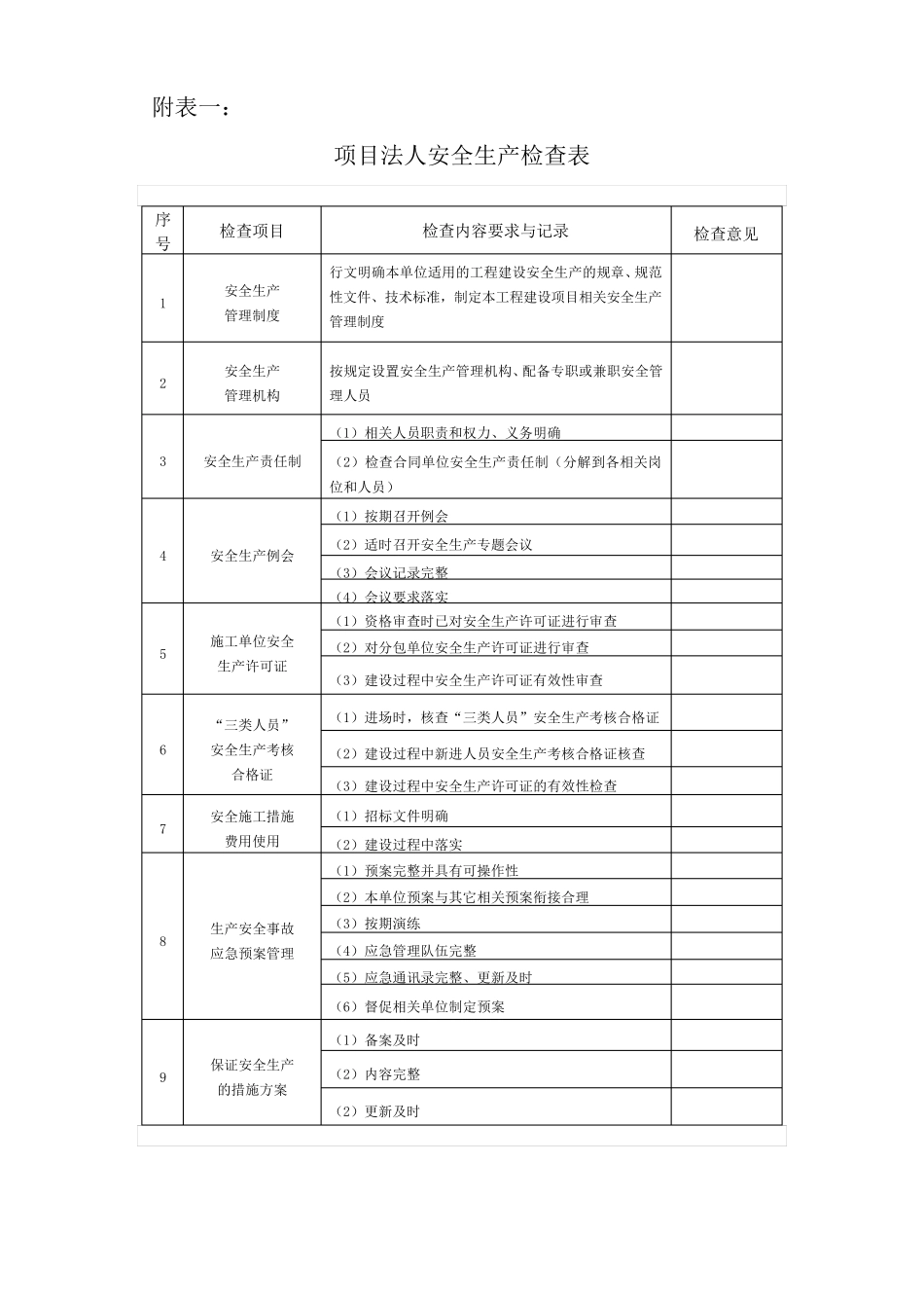
附表一: 项目法人安全生产检查表 序号 检查项目 检查内容要求与记录 检查意见 1 安全生产 管理制度 行文明确本单位适用的工程建设安全生产的规章、规范性文件、技术标准,制定本工程建设项目相关安全生产管理制度 2 安全生产 管理机构 按规定设置安全生产管理机构、配备专职或兼职安全管理人员 3 安全生产责任制 (1)相关人员职责和权力、义务明确 (2)检查合同单位安全生产责任制(分解到各相关岗位和人员) 4 安全生产例会 (1)按期召开例会 (2)适时召开安全生产专题会议 (3)会议记录完整 (4)会议要求落实 5 施工单位安全 生产许可证 (1)资格审查时已对安全生产许可证进行审查 (2)对分包单位安全生产许可证进行审查 (3)建设过程中安全生产许可证有效性审查 6 “三类人员” 安全生产考核 合格证 (1)进场时,核查“三类人员”安全生产考核合格证 (2)建设过程中新进人员安全生产考核合格证核查 (3)建设过程中安全生产许可证的有效性检查 7 安全施工措施 费用使用 (1)招标文件明确 (2)建设过程中落实 8 生产安全事故 应急预案管理 (1)预案完整并具有可操作性 (2)本单位预案与其它相关预案衔接合理 (3)按期演练 (4)应急管理队伍完整 (5)应急通讯录完整、更新及时 (6)督促相关单位制定预案 9 保证安全生产 的措施方案 (1)备案及时 (2)内容完整 (2)更新及时 —— 2 续附表一(1): 项目法人安全生产检查表 序号 检查项目 检查内容要求与记录 检查意见 10 防患治理 (1)定期排查、及时上报 (2)隐患治理“五落实” 11 事故报告 (1)报告制度建设情况 (2)生产安全事故及时报告情况 12 杜绝使用国家公布淘汰的工艺、设备、材料(严重危及施工安全) (1)工艺 (2)设备 (3)材料 13 影响施工现场及毗邻区域管线及工程安全的资料 (1)招标时提供 (2)完整、准确、真实 (3)符合有关技术规范 14 拆除工程 或爆破工程 (1)施工单位资质 (2)备案及时 (3)备案资料完整 15 接受安全监督 (1)监督手续完善 (2)及时提供监督所需资料 (3)监督意见及落实 16 度汛安全 (1)编制度汛方案 (2)报批手续完备 (3)度汛措施落实 被检查单位(签字): 检查组组长(签字): —— 3 附表二: 勘察(测)、设计单位安全生产检查表 序号 检查项目 检查内容要求与记录 检查意见 1 工程建设...

1、当您付费下载文档后,您只拥有了使用权限,并不意味着购买了版权,文档只能用于自身使用,不得用于其他商业用途(如 [转卖]进行直接盈利或[编辑后售卖]进行间接盈利)。
2、本站所有内容均由合作方或网友上传,本站不对文档的完整性、权威性及其观点立场正确性做任何保证或承诺!文档内容仅供研究参考,付费前请自行鉴别。
3、如文档内容存在违规,或者侵犯商业秘密、侵犯著作权等,请点击“违规举报”。

碎片内容

水利工程安全检查表格

小辰2+ 关注
实名认证
内容提供者

出售各种资料和文档

相关文档

确认删除?
VIP
微信客服
  • 扫码咨询
会员Q群
  • 会员专属群点击这里加入QQ群
客服邮箱
回到顶部