电脑桌面
添加小米粒文库到电脑桌面
安装后可以在桌面快捷访问

水电安装材料进场验收标准

水电安装材料进场验收标准_第1页
1/35
水电安装材料进场验收标准_第2页
2/35
水电安装材料进场验收标准_第3页
3/35
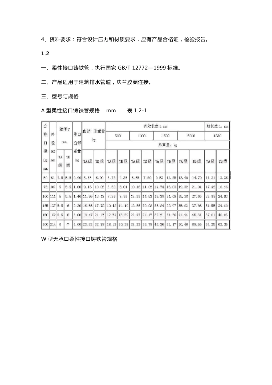
水电安装材料进场验收标准 主 材 1.1 一 、AGR 管:执行 GB/T 17219-1998、GB/T 5749-85 标准。 二、产品适用于给水用的管及管件。 三、型号与规格: AGR 管材规格 mm 表 1.1 四、验收方法: 1、外观检查:壁厚均匀,管口无毛刺,内壁光洁,无弯折现象;整件包装完好;2、测量:用游标卡尺测量壁厚,用卷尺测量长度。 3、试验方法:抽样检查,按当地规定现场见证取样复检。 4、资 料 要 求 : 符 合 设 计 压 力 和 材 质 要 求 , 应 有 产 品 合 格 证 , 检 验 报 告 。 1 .2 一 、柔 性 接 口 铸 铁 管 : 执 行 国 家GB/T 12772—1999 标准。 二、产 品 适用于建筑排水管 道, 法兰胶圈连接 。 三、型号与规格 A 型柔 性 接 口 铸 铁 管 规格 mm 表 1.2-1 W 型无承口 柔 性 接 口 铸 铁 管 规格 四 、验收方法: 1、外观检查:直管及管件断口应为灰口铸铁,组织应致密,能切削、钻孔;内外表面,应光滑、平整,不允许有裂缝、冷隔、蜂窝及其他妨碍使用的明显缺陷。允许存在不影响使用性能的冷铸花纹;承、插口密封工作面除符合上述要求外,不得有连续沟纹、麻面和凸出的棱线;承口法兰盘轮廓应清晰。 2、测量:用游标卡尺测量壁厚,用卷尺测量长度。用磅秤测量重量。 3、试验方法:抽样检查,按当地规定现场见证取样复检。 4、资料要求:产品质量证明书和检验报告齐全。 1.3 灰铸铁管 一、灰铸铁管:执行国家 YB/T 5188-1993。 二、适用于建筑排水管道。 三 、型 号 与 规 格 : 灰 铸 铁 管 按 管 承 口 部 位 的 形 状 分 为A 型 和B 型 灰 铸 铁 管 的 规 格 mm 表1.3 计 算 重 量 时 , 铸 铁 相 对 密 度 采 用7.20。 总 重 量 = 直 部1m 重 量 ×有 效 长 度 + 承 口 、插 口 凸 部 重 量 。 计 算 重 量 时 , 铸 铁 相对 密 度 采 用7.20。 四 、验 收 方 法 : 1、外 观 检 查 : 直 管 及 管 件 断 口 应 为 灰 口 铸 铁 , 组 织 应 致 密 , 能 切 削 、钻 孔 ; 内 外表 面 , 应 光 滑 、平 整 , 不 允 许 有 裂 缝 、冷 隔 、蜂 窝 及 其 他 妨 碍 使 用 的 明 显 缺 陷 。允 许 存 在 不 影 响 使 用 性 能 的 冷 铸 花 纹 ...

1、当您付费下载文档后,您只拥有了使用权限,并不意味着购买了版权,文档只能用于自身使用,不得用于其他商业用途(如 [转卖]进行直接盈利或[编辑后售卖]进行间接盈利)。
2、本站所有内容均由合作方或网友上传,本站不对文档的完整性、权威性及其观点立场正确性做任何保证或承诺!文档内容仅供研究参考,付费前请自行鉴别。
3、如文档内容存在违规,或者侵犯商业秘密、侵犯著作权等,请点击“违规举报”。

碎片内容

水电安装材料进场验收标准

确认删除?
VIP
微信客服
  • 扫码咨询
会员Q群
  • 会员专属群点击这里加入QQ群
客服邮箱
回到顶部