电脑桌面
添加小米粒文库到电脑桌面
安装后可以在桌面快捷访问

水电建筑工程预算定额(2004年版)勘误

水电建筑工程预算定额(2004年版)勘误_第1页
1/6
水电建筑工程预算定额(2004年版)勘误_第2页
2/6
水电建筑工程预算定额(2004年版)勘误_第3页
3/6
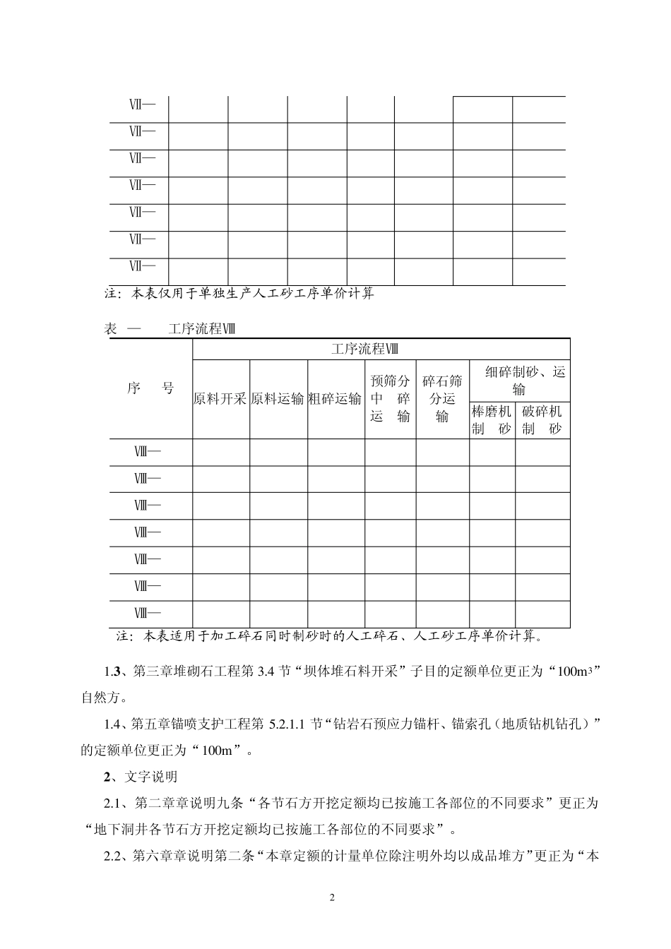
1 《水电建筑工程预算定额》(2004 年版)勘误 1、指标更正 1.1、第二章石方工程第2.36.3 节“反井钻机钻导井(导井直径1.4m)”子目中人工工日消耗量指标更正为如下: 反井钻机钻导井 (导井直径1.4m ) 单位:100m 项 目 单位 竖井(90°) 斜井(75°) 斜井(60°) 斜井(45°) 岩石级别 Ⅶ~Ⅷ Ⅸ~Ⅹ Ⅺ~Ⅻ ⅩⅢ~ⅩⅣ Ⅶ~Ⅷ Ⅸ~Ⅹ Ⅺ~Ⅻ ⅩⅢ~ⅩⅣ Ⅶ~Ⅷ Ⅸ~Ⅹ Ⅺ~Ⅻ ⅩⅢ~ⅩⅣ Ⅶ~Ⅷ Ⅸ~Ⅹ Ⅺ~Ⅻ ⅩⅢ~ⅩⅣ 高级熟练工 工时 19 24 32 47 20 26 34 48 21 28 36 49 23 30 40 51 熟练工 工时 139 181 237 349 149 195 258 358 159 212 273 368 171 229 298 386 半熟练工 工时 380 495 648 954 406 533 705 979 436 578 747 1006 468 625 814 1055 普工 工时 390 507 664 978 416 546 722 1003 446 592 765 1030 479 640 834 1081 合计 工时 928 1208 1581 2328 990 1300 1719 2387 1063 1410 1821 2452 1141 1525 1987 2574 1.2、第六章砂石备料工程工序流程单价系数调整如下: 表6-8 序流程Ⅵ 序 号 工序流程Ⅵ 原料开采 原料运输 粗碎运输 预筛分 中碎 运 输 碎石筛分 运 输 二次筛分 运 输 Ⅵ—1 1.158 1.147 1.139 1.107 1.010 1 Ⅵ—2 1.147 1.136 1.128 1.096 1 Ⅵ—3 1.046 1.036 1.029 1 Ⅵ—4 1.017 1.007 1 Ⅵ—5 1.010 1 Ⅵ—6 1 注:本表仅用于加工碎石工序单价计算 表6—9 工序流程Ⅶ 序号 工序流程Ⅶ 原料开采 原料运输 粗碎运输 预筛分 中 碎 运 输 碎石筛分运 输 细碎制砂、运输 棒磨机 制 砂 破碎机 制 砂 2 Ⅶ—1 1.358 1.345 1.336 1.298 1.292 1 Ⅶ—2 1.448 1.434 1.424 1.384 1.377 1 Ⅶ—3 1.051 1.041 1.034 1.005 1 Ⅶ—4 1.046 1.036 1.029 1 Ⅶ—5 1.017 1.007 1 Ⅶ—6 1.010 1 Ⅶ—7 1 注:本表仅用于单独生产人工砂工序单价计算 表 6—10 工序流程Ⅷ 序 号 工序流程Ⅷ 原料开采 原料运输 粗碎运输 预筛分 中 碎 运 输 碎石筛分运 输 细碎制砂、运输 棒磨机 制 砂 破碎机 制 砂 Ⅷ—1 1.334 1.321 1.312 1.275 1.292 1 Ⅷ—2 1.422 1.408 1.398 1.359 1.377 1 Ⅷ—3 1.033 1.023 1.016 0.987 1 Ⅷ—4 1.04...

1、当您付费下载文档后,您只拥有了使用权限,并不意味着购买了版权,文档只能用于自身使用,不得用于其他商业用途(如 [转卖]进行直接盈利或[编辑后售卖]进行间接盈利)。
2、本站所有内容均由合作方或网友上传,本站不对文档的完整性、权威性及其观点立场正确性做任何保证或承诺!文档内容仅供研究参考,付费前请自行鉴别。
3、如文档内容存在违规,或者侵犯商业秘密、侵犯著作权等,请点击“违规举报”。

碎片内容

水电建筑工程预算定额(2004年版)勘误

确认删除?
VIP
微信客服
  • 扫码咨询
会员Q群
  • 会员专属群点击这里加入QQ群
客服邮箱
回到顶部