电脑桌面
添加小米粒文库到电脑桌面
安装后可以在桌面快捷访问

水磨石地面技术交底

水磨石地面技术交底_第1页
1/7
水磨石地面技术交底_第2页
2/7
水磨石地面技术交底_第3页
3/7
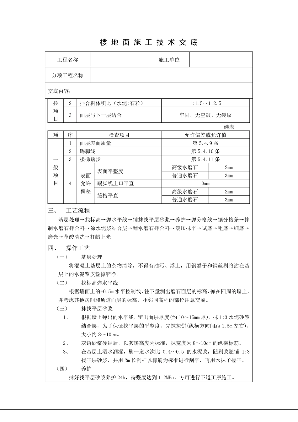
楼 地 面 施 工 技 术 交 底 工程名称 施工单位 分项工程名称 交底内容: 一、 施工准备 (一) 作业条件 1、 顶棚、墙面抹灰已完成,并已验收,屋面已做完防水层。墙面已弹好+0.5m 水平控制线。 2、 安装好门框并加防护,与地面有关的水、电、气管线已安装就位,穿过地面的管洞已堵严、堵实。 3、 做完地面垫层,按标高留出磨石层厚度(至少 3mm)。 4、 石粒应分别过筛,并洗净无杂物。 (二) 材料要求 a) 水泥:白色或浅色的水磨石面层,应采用白水泥;深色的水磨石面层,宜采用含碱量达到国家要求的硅酸盐水泥,普通硅酸盐水泥或矿渣硅酸盐水泥,其强度不应小于 42.5 级,同颜色的面层,应使用同一批水泥。 b) 矿物颜料:水泥中掺人的颜料应采用耐光、耐喊的矿物颜料,其掺入量宜为水泥用量的 3%~6%,或由试验确定,同一彩色面层,应使用同厂同批的颜料。 c) 石粒:应采用坚硬可磨的白云石、大理石等岩石加工而成,石粒应洁净无杂物,其粒径除特殊要求外,宜为4~14mm。 d) 分格 条: (1) 玻 璃 条:平板 普通玻 璃 裁 制而成,3mm 厚,一般 10mm 宽 (根 据 面层厚度而定),长 度依 分块 尺 寸 而定。 (2) 铜 条:l~2mm 厚铜 板 裁 成 10mm 宽 (根 据 面层厚度而定),长 度以 分块 尺寸 而定。用前 必 须 调 直 调 平。 e) 砂 :中砂 ,过 8mm 孔 径的筛子 ,含泥量不得 大于 3%。 f) 草 酸:块 状 、粉 状 均 可,用前 用清 水稀 释 。 g) 根 据 工程量备好白蜡 和 22﹟ 铁 丝 。 (三 ) 施工机 具 大小水磨石机 和 手 提 式 磨石机 、滚 筒 (直 径一般 200~250mm,长 约 600~700mm,混 凝 土 或铁 制)、木 抹子 、毛 刷 子 、铁 簸 箕 、靠 尺 、手 推 车 、平锹 、5mm 孔 径的筛子 、磨石(规 格 按粗 、中、细 )、胶 皮 水管、大小水桶 、扫 帚 、钢 丝 刷 、铁 錾 子 等。 二、 质 量要求 质 量要求符 合 《 建 筑 地面工程施工质 量验收规 范 》 (GB50209-2002)的规 定。 项 序 检 查 项目 允 许 偏 差 或允 许 值 主1 材料质 量 第 5.4.6 条 楼 地 面 施 工 技 术 交 底 工程名称 施工单位 分项工程名称 交底内容: 控项目 2 拌合料体积比(水泥:石粒) 1:1.5~1:2.5 3 面层与下一层结合 牢固,...

1、当您付费下载文档后,您只拥有了使用权限,并不意味着购买了版权,文档只能用于自身使用,不得用于其他商业用途(如 [转卖]进行直接盈利或[编辑后售卖]进行间接盈利)。
2、本站所有内容均由合作方或网友上传,本站不对文档的完整性、权威性及其观点立场正确性做任何保证或承诺!文档内容仅供研究参考,付费前请自行鉴别。
3、如文档内容存在违规,或者侵犯商业秘密、侵犯著作权等,请点击“违规举报”。

碎片内容

水磨石地面技术交底

您可能关注的文档

小辰9+ 关注
实名认证
内容提供者

出售各种资料和文档

确认删除?
VIP
微信客服
  • 扫码咨询
会员Q群
  • 会员专属群点击这里加入QQ群
客服邮箱
回到顶部