电脑桌面
添加小米粒文库到电脑桌面
安装后可以在桌面快捷访问

污水管道系统设计说明书VIP专享

污水管道系统设计说明书_第1页
1/6
污水管道系统设计说明书_第2页
2/6
污水管道系统设计说明书_第3页
3/6
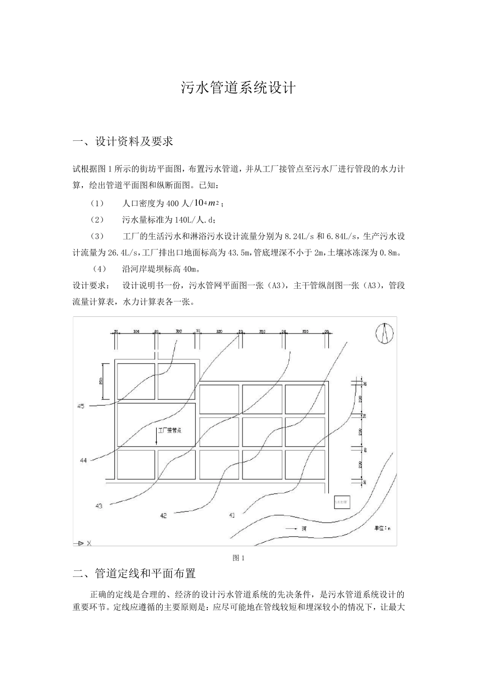
污水管道系统设计 一、设计资料及要求 试根据图 1 所示的街坊平面图,布置污水管道,并从工厂接管点至污水厂进行管段的水力计算,绘出管道平面图和纵断面图。已知: (1) 人口密度为 400 人/2410 m ; (2) 污水量标准为 140L/人.d; (3) 工厂的生活污水和淋浴污水设计流量分别为 8.24L/s 和 6.84L/s,生产污水设计流量为 26.4L/s,工厂排出口地面标高为 43.5m,管底埋深不小于 2m,土壤冰冻深为 0.8m。 (4) 沿河岸堤坝标高 40m。 设计要求: 设计说明书一份,污水管网平面图一张(A3),主干管纵剖图一张(A3),管段流量计算表,水力计算表各一张。 图 1 二、管道定线和平面布置 正确的定线是合理的、经济的设计污水管道系统的先决条件,是污水管道系统设计的重要环节。定线应遵循的主要原则是:应尽可能地在管线较短和埋深较小的情况下,让最大区域的污水能自流排出。定线时通常考虑的几个因素是:地形和用地布局;排水体制和线路数目;污水厂和出水口位置;水文地质条件;道路宽度;地下管线及构筑物的位置;工业企业和产生大量污水的建筑物的分布情况。 从小区平面图可知该区地势自西北向东南倾斜,坡度较小,无明显分水线、可划分为一个排水流域。 初步设计以下布线方案。 方 图2 三、街区编号并计算其面积 将各街区编上号码,如图3 所示,并按照各街区的平面范围计算他们的面积,列入下表中。 图3 表一 街区面积 街 区面积 表 3-1 街区编号 1 2 3 4 5 6 7 街区面积(ha) 6.4 6.4 6.4 6.4 6.4 6.4 6.4 街区编号 8 9 10 11 12 13 14 街区面积(ha) 6.4 6.4 7.5 7.5 6 6 17.4 四、划分设计管段,计算设计流量 根据设计管段的定义和划分方法,将各干管和主干管中有本段流量进入的点、集中流量及旁侧支管进入的点,作为设计管段的起讫点的检查井并编上编号,如图4 所示。 图4 本设计中,居住区人口密度为400cap/ha。居民生活污水定额为为140L/(cap·d),则每 ha 街区面积的生活污水平均流量(比流量)为: )/(648.0864001404000hasLq• 本设计中只有一个集中化流量,在检查井16 进入管道,对应的设计流量为8.24+6.84+26.4=41.48(L/s) 如图4 和表二所示,设计管段17~ 18,只有街区12 的污水流入,其面积为6ha(见表一),故本段设计流量q1=q0*F=0.648*6=3.89L/s.总计设计流量Q=2.3*3.89=8.95 L/s. 设计管段18~19 除了来自 17~ 18...

1、当您付费下载文档后,您只拥有了使用权限,并不意味着购买了版权,文档只能用于自身使用,不得用于其他商业用途(如 [转卖]进行直接盈利或[编辑后售卖]进行间接盈利)。
2、本站所有内容均由合作方或网友上传,本站不对文档的完整性、权威性及其观点立场正确性做任何保证或承诺!文档内容仅供研究参考,付费前请自行鉴别。
3、如文档内容存在违规,或者侵犯商业秘密、侵犯著作权等,请点击“违规举报”。

碎片内容

污水管道系统设计说明书

确认删除?
VIP
微信客服
  • 扫码咨询
会员Q群
  • 会员专属群点击这里加入QQ群
客服邮箱
回到顶部