电脑桌面
添加小米粒文库到电脑桌面
安装后可以在桌面快捷访问

计量设备校准计量检定标准汇总表

计量设备校准计量检定标准汇总表_第1页
1/35
计量设备校准计量检定标准汇总表_第2页
2/35
计量设备校准计量检定标准汇总表_第3页
3/35
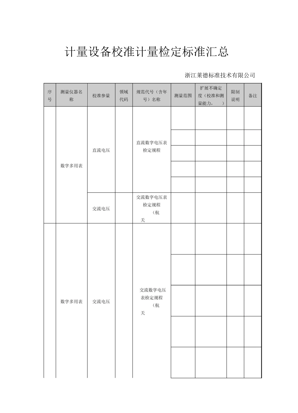
计量设备校准计量检定标准汇总浙江莱德标准技术有限公司UWPEftTE&TlMG菜帝检制UWPEftTE&TlMG菜帝检制测量仪器名称校准参量领域代码规范代号(含年号)名称测量范围扩展不确定度(校准和测量能力,限制说明备注数字多用表直流数字式欧姆表检定规程交流数字功率表功率交流数字功率表检定规程交直流电流表、电压表、功率、电阻表直流电压电流表、电压表、功率表及电阻表检定规程直流电压交直流电流表、电压表、功率、电阻表交流电压电流表、电压表、功率表及电阻表检定规程LAHDERTESTING菜帝检DILAHDERTESTING菜帝检DI测量仪器名称校准参量领域代码规范代号(含年号)名称测量范围扩展不确定度(校准和测量能力,限制说明备注绝缘电阻表绝缘电阻直流电阻箱直流稳压电源直流电压直流电流QQ绝缘电阻表检定规程直流电阻箱检定规程直流稳压电源检定规程航天多功能校准器直流电压直流标准电压源LAHDEFtTESTING菜穗检DILAHDEFtTESTING菜穗检DI序号测量仪器名称校准参量领域代码规范代号(含年号)名称测量范围扩展不确定度(校准和测量能力,)限制说明备注交流电流交流标准电流源检定规程(航天)MM多功能校准器交流电流交流标准电流源检定规程(航天)电阻直流电阻器检定规程QQQQQQQQ耐压测试仪电压耐压测试仪检定规程电流测量仪器名称校准参量领域代码规范代号(含年号)名称扩展不确定度(校准和测量能力,泄漏电流测量仪表电流泄漏电流测量仪表检定规程接地电阻表电阻接地电阻表检定规程测量范围限制说明备注钳型表电流钳形电流表校准规范宽带电子电压表交流电压低频电子电压表检定规程电子电压表检定规程失真度测量仪失真度失真度测量仪检定规程失真度失真度测量仪交流电压频率函数信号产生器电压平坦度失真度测量仪检定规程低频电子电压表检定规程函数信号发生器检定规程序号测量仪器名称校准参量领域代码规范代号(含年号)名称测量范围扩展不确定度(校准和测量能力,=2)限制说明备注时间01.0数字示波器校准规范101模拟示波器检定规程221100〜0.8U=().01上升时间01.01W200U=;电压01.021〜0U=0.频响01.01WU=1.1网络分析仪电压驻波比01.0自动网络分析仪检定规程080〜181.1、1.、1.、2.0U〜衰减量20U-0.0〜8120U-0.8〜18传输相位180°〜180°U=0.8°1网络分析仪传输相位01.0自动网络分析仪检定规程080〜2U=0.8°180°〜180°U=1.1°2〜18180°〜180°U=2.0°8〜18LAHDEFtTESTING菜穗检DILAHDEFtTESTING菜穗检DI测量仪器名称校准参量领域代码规范代号...

1、当您付费下载文档后,您只拥有了使用权限,并不意味着购买了版权,文档只能用于自身使用,不得用于其他商业用途(如 [转卖]进行直接盈利或[编辑后售卖]进行间接盈利)。
2、本站所有内容均由合作方或网友上传,本站不对文档的完整性、权威性及其观点立场正确性做任何保证或承诺!文档内容仅供研究参考,付费前请自行鉴别。
3、如文档内容存在违规,或者侵犯商业秘密、侵犯著作权等,请点击“违规举报”。

碎片内容

计量设备校准计量检定标准汇总表

确认删除?
VIP
微信客服
  • 扫码咨询
会员Q群
  • 会员专属群点击这里加入QQ群
客服邮箱
回到顶部