电脑桌面
添加小米粒文库到电脑桌面
安装后可以在桌面快捷访问

电力拖动教案1

电力拖动教案1_第1页
1/24
电力拖动教案1_第2页
2/24
电力拖动教案1_第3页
3/24
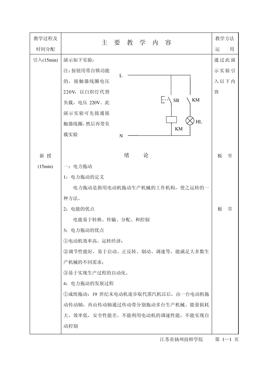
江苏省扬州技师学院教案首页 授课日期 班 级 0 9 高机电(3 ) 课题: 绪论 第一单元 课题一 低压电器的分类和常用术语 教学目的、要求:了解电力拖动的意义、定义、组成;了解本课程学习的注意事 项;熟悉低压电器的分类方法和常用术语的含义。 教学重点、难点:电力拖动的定义、组成;低压电器的分类方法和常用术语的含 义。 授课方法:讲授法、演示法 教学参考及教具(含电教设备): 按钮、接触器、螺口平灯座、灯泡、线等 授课执行情况及分析:完成此次教学任务 教学过程及时间分配 主 要 教 学 内 容 教学方法 运 用 引入(15min) 新 授 (15min) 演示如下实验: 注:按钮用带自锁功能的,接触器线圈电压220V,以白炽灯代替负载,电压 220V。此演示实验可先接通接触器线圈,然后再带负载实验 绪 论 一:电力拖动 1:电力拖动的定义 电力拖动是指用电动机拖动生产机械的工作机构,使之运转的一种方法。 2:电能的优点 电能易于转换、传输、分配、和控制 3:电力拖动的优点 ①电动机效率高,运转经济; ②调节性能好,易于启动、正反转、制动、调速等,能满足大多数生产机械的不同需求; ③易于实现生产过程的自动化。 4:电力拖动的发展过程 ①成组拖动:19 世纪末电动机逐步取代蒸汽机以后,由一台电动机拖动传动轴,再由传动轴通过传动带分别拖动多台生产机械。能量损耗大,效率低,安全性能差,不能利用电动机的调速性能,不能实现自动控制 通 过此演示 实验引入 以下内容 板 书 板 书 江苏省扬州技师学院 第 1—1 页 KM KM HL L N SB 教学过程及时间分配 主 要 教 学 内 容 教学方法 运 用 (10min) ②单电动机拖动 20 世纪 20 年代始,由一台电动机拖动一台生产机械。提高了效率,充分利用了电动机的调速性能,易于实现自动控制。 ③多电动机拖动 20 世纪 30 年代后,一台生产机械中由多台电动机分别拖动不同的运动部件的拖动方式。 5:电力拖动系统的组成 电力拖动系统一般由电源、控制设备、电动机、传动机构组成。 二:学习目标 1:能正确选用、安装、检测和使用生产机械中常用的低压电器; 2:熟知电动机的控制、保护、选择原则及电动机各种基本电气控制线路的构成和原理,能正确设计、绘制简单电气控制线路; 3:能根据电气图如电路图、接线图、布置图等正确分析、识读、安装、调试和检修典型生产机械电气控制线路; 4:熟悉典型生产...

1、当您付费下载文档后,您只拥有了使用权限,并不意味着购买了版权,文档只能用于自身使用,不得用于其他商业用途(如 [转卖]进行直接盈利或[编辑后售卖]进行间接盈利)。
2、本站所有内容均由合作方或网友上传,本站不对文档的完整性、权威性及其观点立场正确性做任何保证或承诺!文档内容仅供研究参考,付费前请自行鉴别。
3、如文档内容存在违规,或者侵犯商业秘密、侵犯著作权等,请点击“违规举报”。

碎片内容

电力拖动教案1

确认删除?
VIP
微信客服
  • 扫码咨询
会员Q群
  • 会员专属群点击这里加入QQ群
客服邮箱
回到顶部