电脑桌面
添加小米粒文库到电脑桌面
安装后可以在桌面快捷访问

电厂锅炉系统图

电厂锅炉系统图_第1页
1/26
电厂锅炉系统图_第2页
2/26
电厂锅炉系统图_第3页
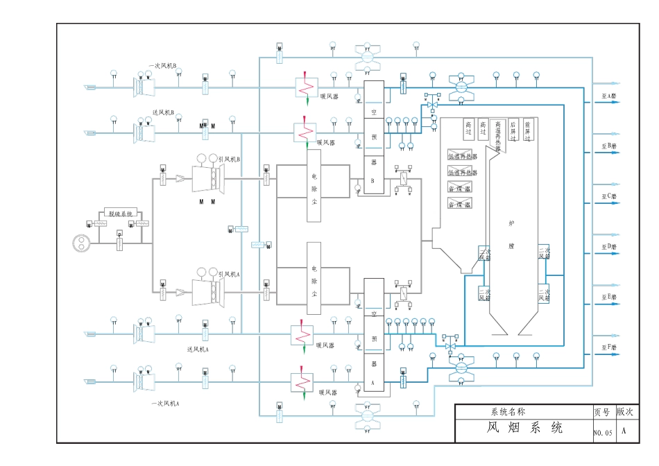
3/26
锅剖图炉面 页 号 统 名 称系 次版 NO.02 A 覆过 下 形联 箱包 环 去炉水循环泵省器煤入 口 联 箱煤省器中 间 联 箱省器口箱煤出联75 155m .炉 出顶 口过 联箱热再 入低口 联 箱51.2m低再出口联箱4 . m2 62 5 2 6 )(2 8 2 7 )(2 (2 4 )12 2 (2 3 )1 (1 8 )73 0短吹长吹半吹激波泄 漏 检 测集 箱冷下形水壁环集 箱壁出箱水冷 侧墙 口联25.54 m927.43 m129. 13m331. 95m13 . 77m3 03 .959m441.914m45.6 62 m水冷中联壁间箱48.41 m458.6m炉 顶 过进 口 联 箱73.775m延 伸 侧 墙 下 集 箱前 屏 过 进 口 联 箱前 屏 过 出 口 联 箱后屏过进口集箱高 过进 口联 箱高过出口联箱76.251m高再出口联箱高再进口联箱1(4 )235751m1 1 (1 2 )64.75m1 6 (1 9 )2 9水 冷壁 前墙 出口 联箱2 0 )1 5 (前屏前屏后屏高再冷再来水 来给9 (1 )06 (8 )1 3 (1 4 )高过高过7.4m 覆 上 联 箱侧 包 启动分离器屏 过 出 口 联 箱后水 冷壁 后墙 出口 联箱(备 装 )装(备)(备 装 )锅 炉 启 动 疏 放 水 系 统 页 号 系 统 名 称 版 次 NO.04 AMMMM 至 循 环水 虹 吸 井MM自 省 煤 器 出 口 来至 省 煤 器入 口 集 箱锅 炉 给 水 系 统过 热 器 减 温 水 抽 头汽水分离器A至 过 热 器 一 级 减 温 器 至 取样系 统再热 器 减 温 器 后管 道 疏 水再热 器 减 温 器 后管 道 疏 水再热 器 减 温 水 管 道 疏 水再热 器 减 温 水 管 道 疏 水再热 器 减 温 水 管 道 疏 水过 热 器 二级 减 温 水 管 道 疏 水过 热 器 二级 减 温 水 管 道 疏 水过 热 器 二级 减 温 水 管 道 疏 水过 热 器 一 级 减 温 水 管 道 疏 水过 热 器 一 级 减 温 水 管 道 疏 水过 热 器 一 级 减 温 水 管 道 疏 水后烟井 前墙下集 箱 疏 水水 冷壁侧墙中间集 箱 疏 水水 冷壁前墙中间集 箱 疏 水水 冷壁后墙中间集 箱 疏 水水 冷壁侧墙中间集 箱 疏 水省 煤 器 进口 集 箱 疏 水MMMMMMMMMMMMMMMMMM至 水 工自 水 工 来水 冷壁下集 箱 放 水等离 子点火用暖风器 疏 水吹灰系 统 疏 水锅 炉 排 污 疏 水 扩 容 器MMMMMMMMMMMMM...

1、当您付费下载文档后,您只拥有了使用权限,并不意味着购买了版权,文档只能用于自身使用,不得用于其他商业用途(如 [转卖]进行直接盈利或[编辑后售卖]进行间接盈利)。
2、本站所有内容均由合作方或网友上传,本站不对文档的完整性、权威性及其观点立场正确性做任何保证或承诺!文档内容仅供研究参考,付费前请自行鉴别。
3、如文档内容存在违规,或者侵犯商业秘密、侵犯著作权等,请点击“违规举报”。

碎片内容

电厂锅炉系统图

小辰6+ 关注
实名认证
内容提供者

出售各种资料和文档

确认删除?
VIP
微信客服
  • 扫码咨询
会员Q群
  • 会员专属群点击这里加入QQ群
客服邮箱
回到顶部