电脑桌面
添加小米粒文库到电脑桌面
安装后可以在桌面快捷访问

电器及其PLC控制技术期末自测试题

电器及其PLC控制技术期末自测试题_第1页
1/23
电器及其PLC控制技术期末自测试题_第2页
2/23
电器及其PLC控制技术期末自测试题_第3页
3/23
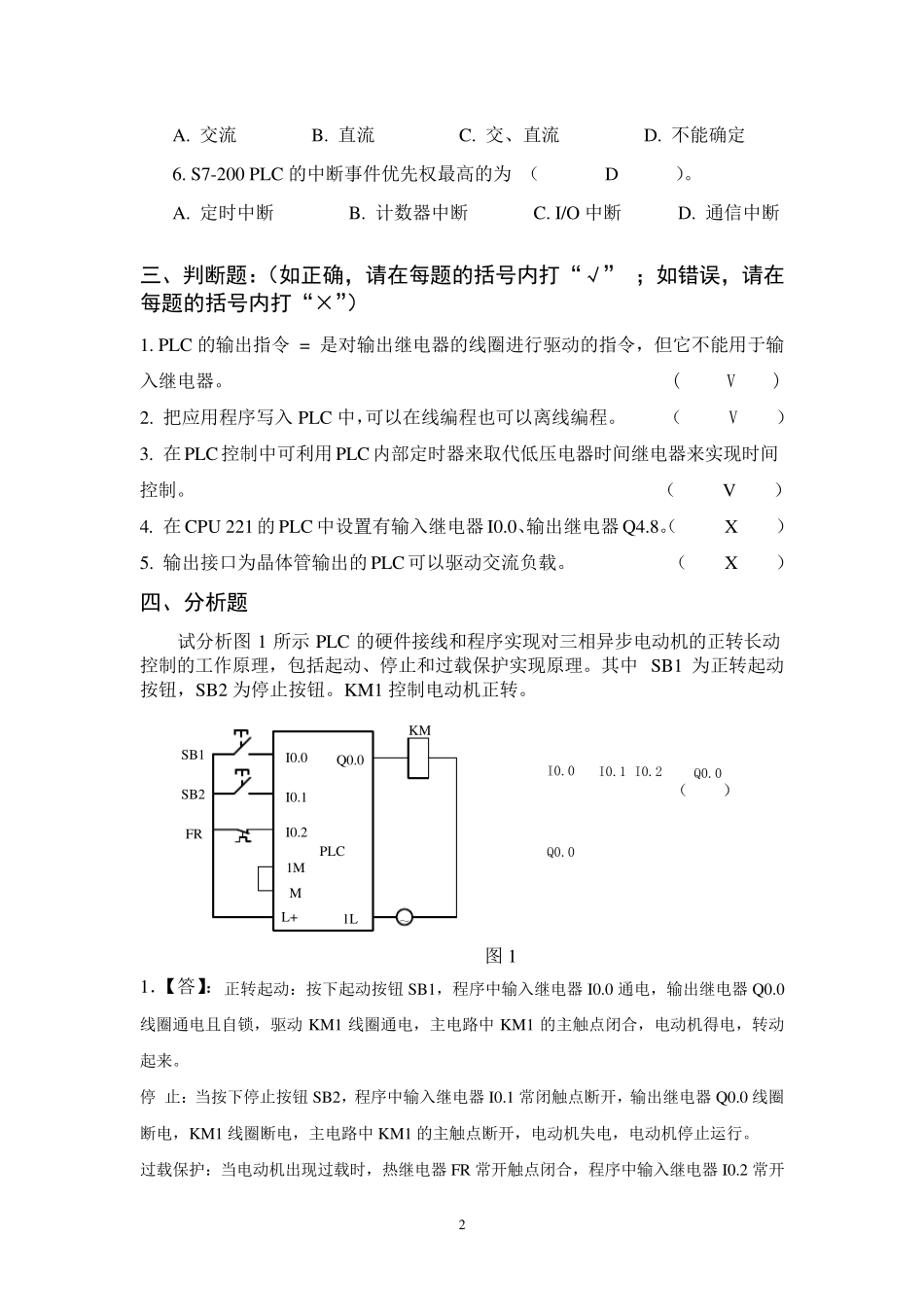
1 《PLC 控制技术》自测试题一 一、填空题: 1. PLC 是一种工业控制计算机,它的基本结构是由 CPU 、 输入输出电路 、存储器和 电源 、外围接口组成。 2. PLC 开关量输出接口按 PLC 内部使用的器件可以分为晶体管输出型、_继电器__输出型和 晶闸管 输出型。 3. PLC 用户程序的完成分为 输入采样 、 执行程序 、输出刷新 三个阶段。这三个阶段是采用 循环扫描 工作方式分时完成的。 4. PLC 的编程语言常用的有 梯形图 、___指令语言__和功能图语言及高级语言。 5. PLC 的控制系统构成主要由输入设备、__ PLC_____和_输出设备__等三部分。 6. PLC 的型号为 CPU 226CN AC/DC/RELAY 的,它表示的含义包括如下几部分:它是 主机 单元,其输入输出总点数为 40 点,其中输入点数为 24 点,输出点数为 12 点,其输出类型为 继电器输出型 。 二、单项选择题: 1. 下列结构中,不属于 PLC 的基本组成结构的是( D )。 A. CPU B. 输入、输出接口 C. 存储器 D. 定时器 2. 若 PLC 的输出设备既有直流负载又有交流负载,则选择 PLC 的输出类型为( C )。 A. 干接触 B. 晶体管输出型 C. 继电器输出型 D. 晶闸管输出型 3. 继电接触式控制电路可以翻译成 PLC 的( B )程序。 A. 助记符 B. 梯形图 C. C 语言 D. 汇编语言 4. 下列不属于 S7-200 系列 PLC 的编程元件的是( D )。 A. 输入继电器 I B. 输出继电器 Q C. 辅助继电器 M D. 热继电器 FR 5. 某 PLC 的输出接口是晶体管电路,则其输出可驱动( B )负载。 2 A. 交流 B. 直流 C. 交、直流 D. 不能确定 6. S7-200 PLC 的中断事件优先权最高的为 ( D )。 A. 定时中断 B. 计数器中断 C. I/O 中断 D. 通信中断 三、判断题:(如正确,请在每题的括号内打“√” ;如错误,请在每题的括号内打“×”) 1. PLC 的输出指令 = 是对输出继电器的线圈进行驱动的指令,但它不能用于输入继电器。 ( V ) 2. 把应用程序写入 PLC 中,可以在线编程也可以离线编程。 ( V ) 3. 在PLC 控制中可利用 PLC 内部定时器来取代低压电器时间继电器来实现时间控制。 ( V ) 4. 在 CPU 221 的 PLC 中设置有输入继电器 I0.0、输出继电器 Q4.8。( X ) 5. 输出接口为晶体管输出的 PLC 可以驱动交流负载。 ( X ) 四、分...

1、当您付费下载文档后,您只拥有了使用权限,并不意味着购买了版权,文档只能用于自身使用,不得用于其他商业用途(如 [转卖]进行直接盈利或[编辑后售卖]进行间接盈利)。
2、本站所有内容均由合作方或网友上传,本站不对文档的完整性、权威性及其观点立场正确性做任何保证或承诺!文档内容仅供研究参考,付费前请自行鉴别。
3、如文档内容存在违规,或者侵犯商业秘密、侵犯著作权等,请点击“违规举报”。

碎片内容

电器及其PLC控制技术期末自测试题

确认删除?
VIP
微信客服
  • 扫码咨询
会员Q群
  • 会员专属群点击这里加入QQ群
客服邮箱
回到顶部