电脑桌面
添加小米粒文库到电脑桌面
安装后可以在桌面快捷访问

电工技能竞赛实操题库VIP专享

电工技能竞赛实操题库_第1页
1/12
电工技能竞赛实操题库_第2页
2/12
电工技能竞赛实操题库_第3页
3/12
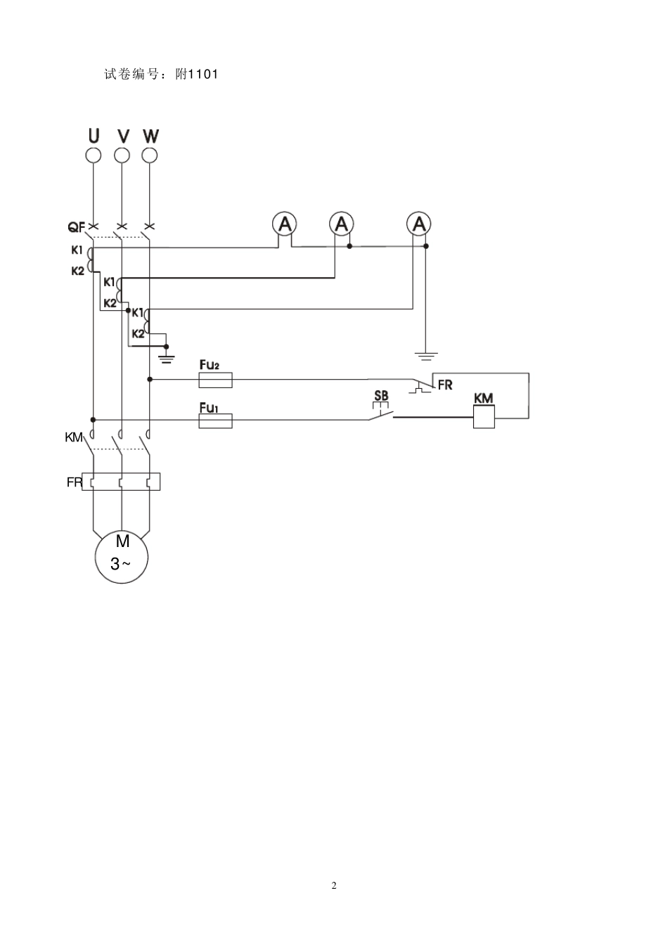
1 试卷编号:1101 电工实操试题 考题名称:电工安全技术 A 姓名: 准考证号码: 考核日期: 年 月 日 考核时间定额:120 分钟 开考时间: 时 分 交卷时间: 时 分 监考人: 评卷人: 总得分: 一、电气控制线路的连接(60 分) 得分 考核项目 评分标准 得分 扣分记录及备注 考评员 签字 1、选择和检查 元件(6 分) 未进行选择和检查元件者不得分 2、接线工艺 (21 分) 1、布线整齐美观,主回路按规定颜色得 3 分; 2、主回路横平竖直,弯成直角,得 3 分; 3、接线端子不超过 2 根导线得 3 分; 4、导线与端子接触良好得 3 分; 5、无导线绝缘皮压入端子得 3 分; 6、导线露铜不超过 2m m 得 3 分; 7、导线与接线桩连接做羊眼圈或瓦型或反圈得 3 分。 3、线路检查 (5 分) 经考评员检查不能通电此项不得分 4、通电试车 (20 分) 1、第一次通电不成功扣 10 分 2、第二次通电不成功或放弃不得分 5、接地线(8 分) 电机,柜体,仪表外壳有一处不接地扣 4 分 二、触电急救 (25 分) 1、演示人工呼吸与胸外心脏挤压法同时进行的救护方法 (10 分) 每项操作5 分 2、胸外心脏挤压法的操作 (15 分) 救护不成功不得分 三、灭火器材使用(15 分) ①不带电设备起火②带电设备起火(由考评员指定一种情况),如何进行灭火。(15 分) 1、宜选用的灭火器 ______________。 2、演示使用方法 违反安全操作规程或安全文明生产酌情扣 5—50 分 注:考试时间到,所有考生停止操作,并且交卷离场,接完线的考生等候考评员通知试车(已通电两次者除外)。 2 M3~KMFR试卷编号:附1101 3 试卷编号:1102 电工实操试题 考题名称:电工安全技术 B 姓名: 准考证号码: 考核日期: 年 月 日 考核时间定额:120 分钟 开考时间: 时 分 交卷时间: 时 分 监考人: 评卷人: 总得分: 一、电气控制线路的连接(60 分) 得分 考核项目 评分标准 得分 扣分记录及备注 考评员 签字 1、选择和检查 元件(6 分) 未进行选择和检查元件者不得分 2、接线工艺 (21 分) 1、布线整齐美观,主回路按规定颜色得 3 分; 2、主回路横平竖直,弯成直角,得 3 分; 3、接线端子不超过 2 根导线得 3 分; 4、导线与端子接触良好得 3 分; 5、无导线绝缘皮压入端子得 3 分; 6、导线露铜不超过 2m m 得 3 分; 7、导...

1、当您付费下载文档后,您只拥有了使用权限,并不意味着购买了版权,文档只能用于自身使用,不得用于其他商业用途(如 [转卖]进行直接盈利或[编辑后售卖]进行间接盈利)。
2、本站所有内容均由合作方或网友上传,本站不对文档的完整性、权威性及其观点立场正确性做任何保证或承诺!文档内容仅供研究参考,付费前请自行鉴别。
3、如文档内容存在违规,或者侵犯商业秘密、侵犯著作权等,请点击“违规举报”。

碎片内容

电工技能竞赛实操题库

确认删除?
VIP
微信客服
  • 扫码咨询
会员Q群
  • 会员专属群点击这里加入QQ群
客服邮箱
回到顶部