电脑桌面
添加小米粒文库到电脑桌面
安装后可以在桌面快捷访问

电机系统实验指导书VIP专享

电机系统实验指导书_第1页
1/75
电机系统实验指导书_第2页
2/75
电机系统实验指导书_第3页
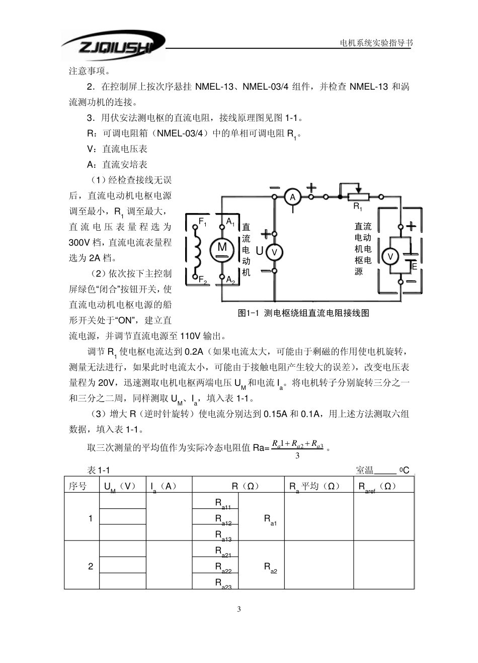
3/75
电机系统实验指导书 1 目 录 第一章 直流电机 ...................................................................................... 2 实验一 认 识 实 验 ................................................................................. 2 实验二 直流发电机 ................................................................................... 6 实验三 直流电动机 ................................................................................. 1 2 第二章 变压器 ........................................................................................ 1 6 实验一 单相变压器 ................................................................................. 1 6 实验二 三相变压器 ................................................................................. 2 1 实验三 三相变压器的联接组和不对称短路 ............................................. 2 8 第三章 异步电机 .................................................................................... 3 6 实验一 三相鼠笼异步电动机的工作特性 ................................................. 3 6 实验二 三相异步电动机的起动与调速 .................................................... 4 4 第四章 同步电机 .................................................................................... 4 8 实验一 三相同步发电机的运行特性 ........................................................ 4 8 实验二 三相同步发电机的并联运行 ........................................................ 5 3 实验三 三相同步电动机 .......................................................................... 5 9 第五章 电机机械特性的测定 .................................................................. 6 3 实验一 直流他励电动机机械特性 ........................................................... 6 3 实验二 三相异步电动机在各种运行状态下的机械特性 ........................... 6 8 实验三 异步电机的 M-S曲线测绘 .......................................................... 7 2 电机系统...

1、当您付费下载文档后,您只拥有了使用权限,并不意味着购买了版权,文档只能用于自身使用,不得用于其他商业用途(如 [转卖]进行直接盈利或[编辑后售卖]进行间接盈利)。
2、本站所有内容均由合作方或网友上传,本站不对文档的完整性、权威性及其观点立场正确性做任何保证或承诺!文档内容仅供研究参考,付费前请自行鉴别。
3、如文档内容存在违规,或者侵犯商业秘密、侵犯著作权等,请点击“违规举报”。

碎片内容

电机系统实验指导书

确认删除?
VIP
微信客服
  • 扫码咨询
会员Q群
  • 会员专属群点击这里加入QQ群
客服邮箱
回到顶部