电脑桌面
添加小米粒文库到电脑桌面
安装后可以在桌面快捷访问

电气安全隐患排查表

电气安全隐患排查表_第1页
1/7
电气安全隐患排查表_第2页
2/7
电气安全隐患排查表_第3页
3/7
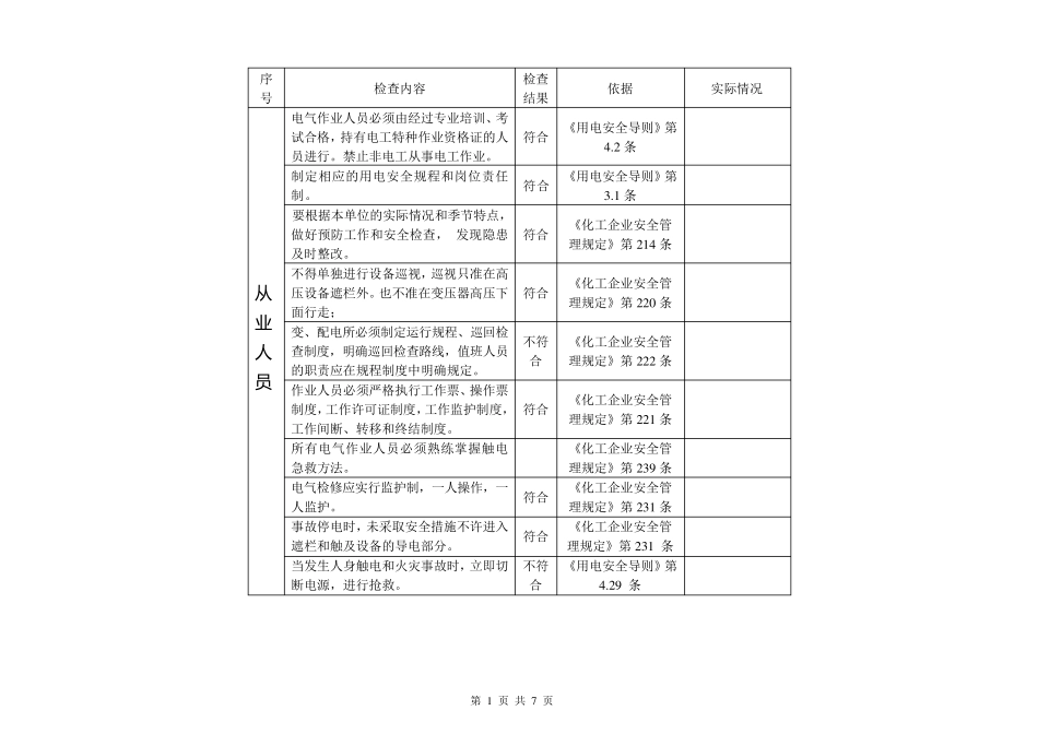
第 1 页 共 7 页 序号 检查内容 检查结果 依据 实际情况 从业人员 电气作业人员必须由经过专业培训、考试合格,持有电工特种作业资格证的人员进行。禁止非电工从事电工作业。 符合 《用电安全导则》第4 .2 条 制定相应的用电安全规程和岗位责任制。 符合 《用电安全导则》第 3 .1 条 要根据本单位的实际情况和季节特点,做好预防工作和安全检查, 发现隐患及时整改。 符合 《化工企业安全管理规定》第2 1 4 条 不得单独进行设备巡视,巡视只准在高压设备遮栏外。也不准在变压器高压下面行走; 符合 《化工企业安全管理规定》第2 2 0 条 变、配电所必须制定运行规程、巡回检查制度,明确巡回检查路线,值班人员的职责应在规程制度中明确规定。 不符合 《化工企业安全管理规定》第2 2 2 条 作业人员必须严格执行工作票、操作票制度,工作许可证制度,工作监护制度, 工作间断、转移和终结制度。 符合 《化工企业安全管理规定》第2 2 1 条 所有电气作业人员必须熟练掌握触电急救方法。 《化工企业安全管理规定》第2 3 9 条 电气检修应实行监护制,一人操作,一人监护。 符合 《化工企业安全管理规定》第2 3 1 条 事故停电时,未采取安全措 施 不许进入遮栏和触及设备的导电部 分 。 符合 《化工企业安全管理规定》第2 3 1 条 当 发生 人身 触电和火 灾 事故时,立 即 切断电源 ,进行抢 救。 不符合 《用电安全导则》第4 .2 9 条 第 2 页 共 7 页 严格遵守电气安全操作规程,倒闸操作票和检修工作票制度,工作许可制度,工作监护制度,工作间断、终结制度,交接班制度和消防、设备管理制度及出入制度等等。 基本符合 《化工企业安全管理规定》第2 2 1 条 外线电工遇有 5 级以上大风、大雨、雷电等情况,严禁登杆作业和倒闸操作。 不符合 《化工企业安全管理规定》第2 3 2 条 企业电气设施应有专门技术人员负责,有高压系统图、低压分布图、架空线路图、电缆设置图、接地网络图以及电气设备的技术状况等档案资料。 基本符合 《电气设备安全设计导则》 企业应有严密、系统的供、用、发电安全管理制度和规程。 不符合 《电气设备安全设计导则》 各类电气金属外壳必须有可靠的接零(地)并符合规定要求。 符合 《化工企业安全管理规定》第2 1 7 条 外线电杆、铁塔、避雷针应无倾斜和损伤,拉线桩完好,各级电压架空线之间,及与道...

1、当您付费下载文档后,您只拥有了使用权限,并不意味着购买了版权,文档只能用于自身使用,不得用于其他商业用途(如 [转卖]进行直接盈利或[编辑后售卖]进行间接盈利)。
2、本站所有内容均由合作方或网友上传,本站不对文档的完整性、权威性及其观点立场正确性做任何保证或承诺!文档内容仅供研究参考,付费前请自行鉴别。
3、如文档内容存在违规,或者侵犯商业秘密、侵犯著作权等,请点击“违规举报”。

碎片内容

电气安全隐患排查表

您可能关注的文档

确认删除?
VIP
微信客服
  • 扫码咨询
会员Q群
  • 会员专属群点击这里加入QQ群
客服邮箱
回到顶部