电脑桌面
添加小米粒文库到电脑桌面
安装后可以在桌面快捷访问

电线电缆检验项目

电线电缆检验项目_第1页
1/8
电线电缆检验项目_第2页
2/8
电线电缆检验项目_第3页
3/8
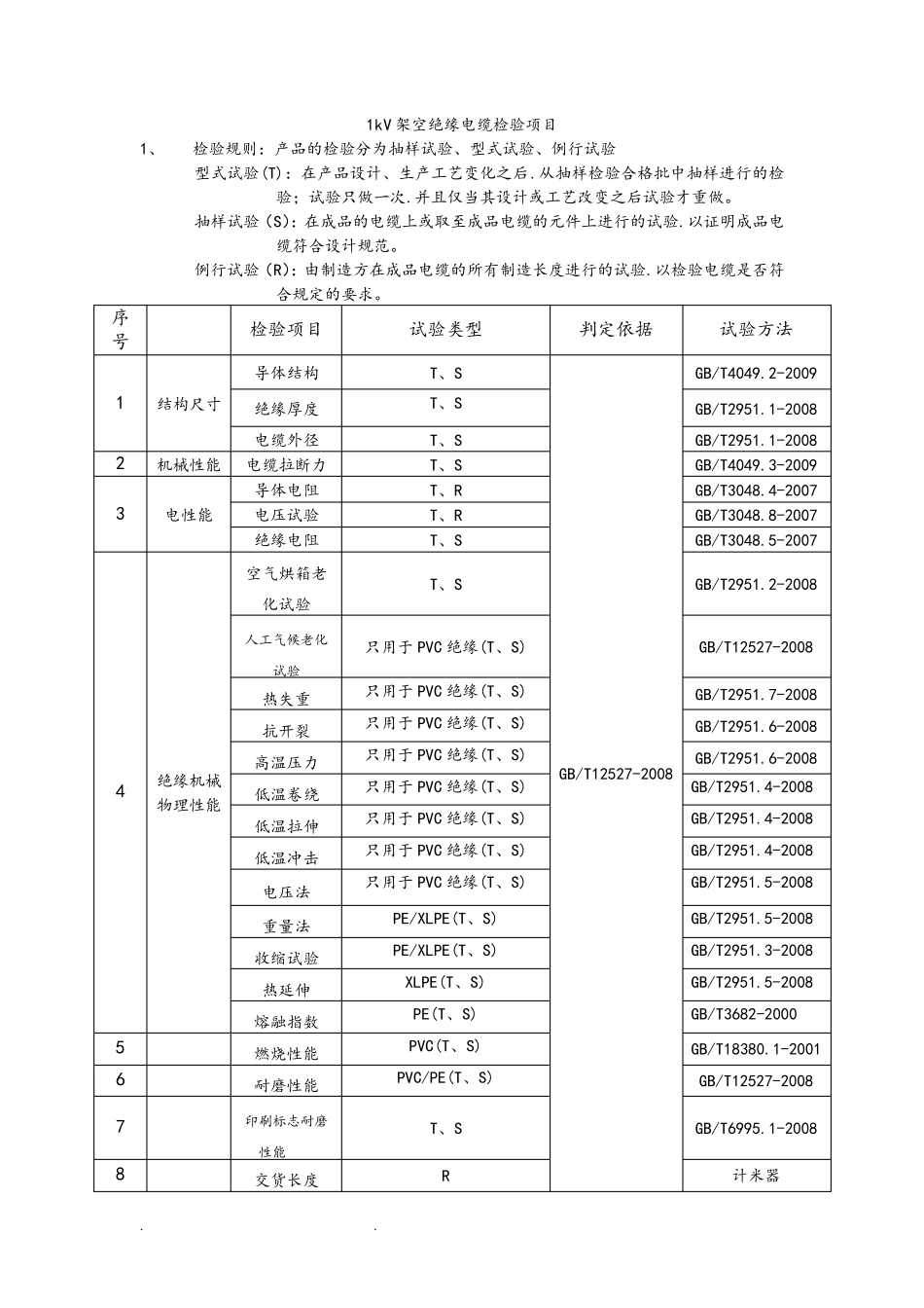
. . 圆线同心绞架空导线检验项目汇总 1、 检验规则:产品的检验分为抽样试验、型式试验、例行试验 型式试验(T):在产品设计、生产工艺变化之后.从抽样检验合格批中抽样进行的检验;试验只做一次.并且仅当其设计或工艺改变之后试验才重做。 抽样试验(S):在成品的电缆上或取至成品电缆的元件上进行的试验.以证明成品电缆符合设计规范。 例行试验(R):由制造方在成品电缆的所有制造长度进行的试验.以检验电缆是否符合规定的要求。 序号 检验项目 抽样试验(S) 型式试验(T) 依据 备注 1 截面积 S GB/T1179-2008 GB/T4049-2009 GB/T3048-2007 F/YG 1.001-2010 2 导线直径 S 3 线密度 (单位长度的质量) S 4 单线的断裂强度 S 5 单线的电阻率 S 6 表面情况 S 7 节径比及绞向 S 8 导线的抗拉力试验 T 9 铝或铝合金单线的焊接 T 抽样规则:在生产完工之后出厂之前.从每一生产批中按成盘的数量 10%抽样.从成盘或成卷绞线的距端头 1 米处取 1.5 米长;如全部的试样的检验项目全部合格.则该生产批合格;如有 1 项及以上项目不合格.则该生产批产品不合格.对该生产批的产品进行全检.合格品可以出货。 . . 1kV 架空绝缘电缆检验项目 1、 检验规则:产品的检验分为抽样试验、型式试验、例行试验 型式试验(T):在产品设计、生产工艺变化之后.从抽样检验合格批中抽样进行的检验;试验只做一次.并且仅当其设计或工艺改变之后试验才重做。 抽样试验(S):在成品的电缆上或取至成品电缆的元件上进行的试验.以证明成品电缆符合设计规范。 例行试验(R):由制造方在成品电缆的所有制造长度进行的试验.以检验电缆是否符合规定的要求。 序号 检验项目 试验类型 判定依据 试验方法 1 结构尺寸 导体结构 T、S GB/T12527-2008 GB/T4049.2-2009 绝缘厚度 T、S GB/T2951.1-2008 电缆外径 T、S GB/T2951.1-2008 2 机械性能 电缆拉断力 T、S GB/T4049.3-2009 3 电性能 导体电阻 T、R GB/T3048.4-2007 电压试验 T、R GB/T3048.8-2007 绝缘电阻 T、S GB/T3048.5-2007 4 绝缘机械物理性能 空气烘箱老化试验 T、S GB/T2951.2-2008 人工气候老化试验 只用于 PVC 绝缘(T、S) GB/T12527-2008 热失重 只用于 PVC 绝缘(T、S) GB/T2951.7-2008 抗开裂 只用于 PVC 绝缘(T、S) GB/T2951.6-2008 高温压力 只用于 PVC 绝缘(T、S) GB/T2951.6-2008 低温卷...

1、当您付费下载文档后,您只拥有了使用权限,并不意味着购买了版权,文档只能用于自身使用,不得用于其他商业用途(如 [转卖]进行直接盈利或[编辑后售卖]进行间接盈利)。
2、本站所有内容均由合作方或网友上传,本站不对文档的完整性、权威性及其观点立场正确性做任何保证或承诺!文档内容仅供研究参考,付费前请自行鉴别。
3、如文档内容存在违规,或者侵犯商业秘密、侵犯著作权等,请点击“违规举报”。

碎片内容

电线电缆检验项目

您可能关注的文档

确认删除?
VIP
微信客服
  • 扫码咨询
会员Q群
  • 会员专属群点击这里加入QQ群
客服邮箱
回到顶部