电脑桌面
添加小米粒文库到电脑桌面
安装后可以在桌面快捷访问

电解多功能起重机

电解多功能起重机_第1页
1/15
电解多功能起重机_第2页
2/15
电解多功能起重机_第3页
3/15
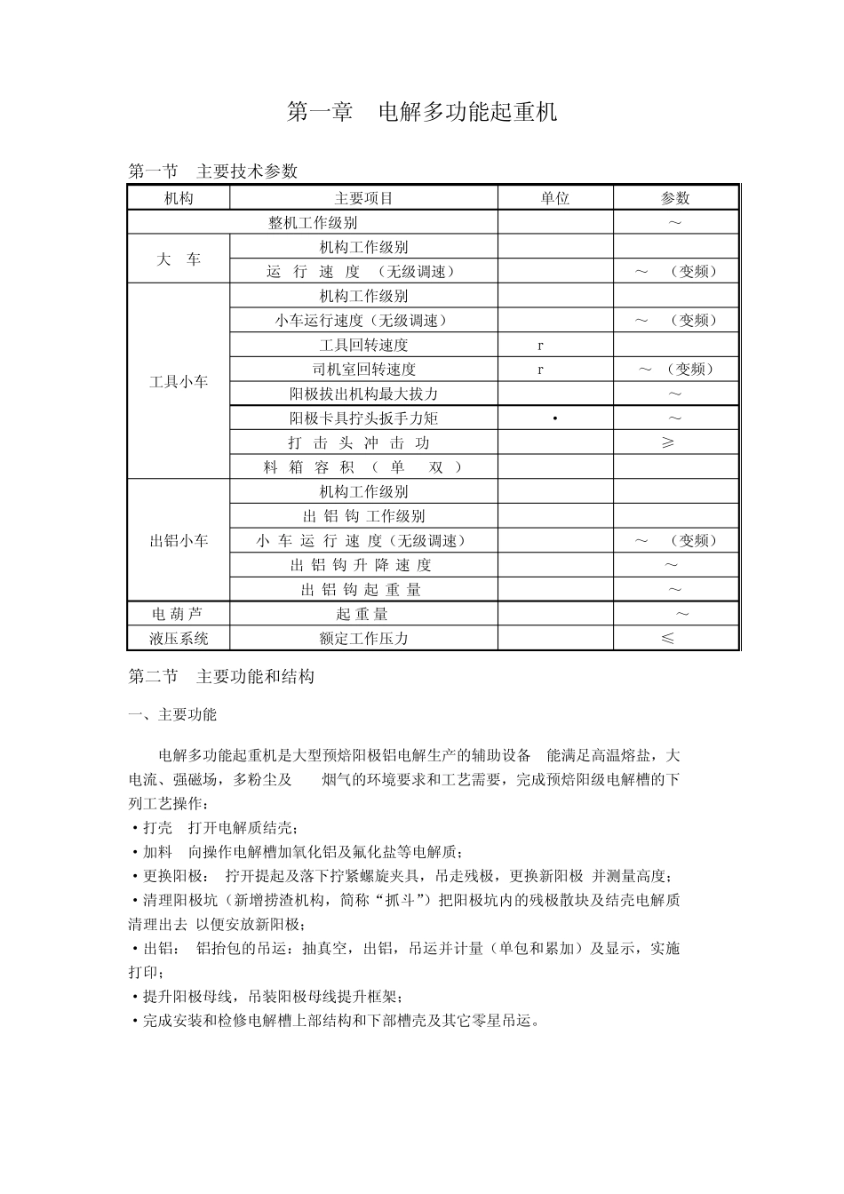
第一章 电解多功能起重机 第一节 主要技术参数 机构 主要项目 单位 参数 整机工作级别 A6~A8 大 车 机构工作级别 M8 运 行 速 度 (无级调速) m/min 6~60(变频) 工具小车 机构工作级别 M6 小车运行速度(无级调速) m/min 4~30(变频) 工具回转速度 r/min 2-3 司机室回转速度 r/min 1~3(变频) 阳极拔出机构最大拔力 kN 60~80 阳极卡具拧头扳手力矩 N²m 250~350 打 击 头 冲 击 功 J ≥98 料 箱 容 积 ( 单 /双 ) m3 4/6.5 出铝小车 机构工作级别 M6 出 铝 钩 工作级别 M7 小 车 运 行 速 度(无级调速) m/min 4~30(变频) 出 铝 钩 升 降 速 度 m/min ~5 出 铝 钩 起 重 量 t 10~40 电 葫 芦 起 重 量 t 12.5~25 液压系统 额定工作压力 MPa ≤22 第二节 主要功能和结构 一、主要功能 电解多功能起重机是大型预焙阳极铝电解生产的辅助设备, 能满足高温熔盐,大电流、强磁场,多粉尘及 HF烟气的环境要求和工艺需要,完成预焙阳级电解槽的下列工艺操作: ²打壳: 打开电解质结壳; ²加料: 向操作电解槽加氧化铝及氟化盐等电解质; ²更换阳极: 拧开提起及落下拧紧螺旋夹具,吊走残极,更换新阳极,并测量高度; ²清理阳极坑(新增捞渣机构,简称“抓斗”)把阳极坑内的残极散块及结壳电解质清理出去,以便安放新阳极; ²出铝: 铝抬包的吊运:抽真空,出铝,吊运并计量(单包和累加)及显示,实施打印; ²提升阳极母线,吊装阳极母线提升框架; ²完成安装和检修电解槽上部结构和下部槽壳及其它零星吊运。 二、主要结构 图:起重机简图 铝电解多功能起重机主要包括纵向行走的大车、带有下料、打壳、换极等工具的工具小车以及出铝用的出铝小车三部分。 1. 大车 大车采用箱型偏轨双梁桥架结构。主梁与端梁采用销定位、高强度螺栓联接,联接性能好,安装方便。 大车桥架根据顾客厂房状况,分别采用四、六、八轮支撑,保持合理轮压,降低基建投资;行走采用双边驱动,先进的“三合一”减速器,无级变频调速,运行平稳可靠,提高了传动效率和使用寿命。 图:天车主动轮组 车轮采用无轮缘垂直轮加水平轮导向形式,运行阻力小,平稳,为了安全还加设了防脱轨装置。 图:天车水平轮组 设备采用集中电控,外型紧凑,造型美观;维护方便,且作业环境得到极大改善。 2. 工具小车 工具小车是电...

1、当您付费下载文档后,您只拥有了使用权限,并不意味着购买了版权,文档只能用于自身使用,不得用于其他商业用途(如 [转卖]进行直接盈利或[编辑后售卖]进行间接盈利)。
2、本站所有内容均由合作方或网友上传,本站不对文档的完整性、权威性及其观点立场正确性做任何保证或承诺!文档内容仅供研究参考,付费前请自行鉴别。
3、如文档内容存在违规,或者侵犯商业秘密、侵犯著作权等,请点击“违规举报”。

碎片内容

电解多功能起重机

小辰9+ 关注
实名认证
内容提供者

出售各种资料和文档

确认删除?
VIP
微信客服
  • 扫码咨询
会员Q群
  • 会员专属群点击这里加入QQ群
客服邮箱
回到顶部