电脑桌面
添加小米粒文库到电脑桌面
安装后可以在桌面快捷访问

电镀镍、电镀锌检验指导书

电镀镍、电镀锌检验指导书_第1页
1/8
电镀镍、电镀锌检验指导书_第2页
2/8
电镀镍、电镀锌检验指导书_第3页
3/8
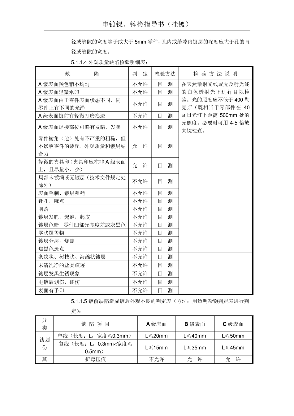
电镀镍、锌检指导书(挂镀) 1 .0 目的: 为检验员提供检验规则和检验方法,指导其正确检验从而稳定产品质量。 2 0 适用范围: 本公司电镀镍、电镀锌检验。 3 .0 检验工具: 3.1 划格器 3.2 镀层测厚仪器 3.3 透明杂物判定表 3.4 透明胶带(25.4×50.8mm 以上尺寸,附着力强度为10±1N/25mm) 4 0 用语定义: 4.1 镀层表面缺陷 指镀层表面上(特别是镀件的主要表面上)的各种针孔、麻点、起皮、起泡、削落、阴阳面、斑点、烧焦、雾状、树支状和海绵状沉积层,以及应当镀覆而未镀覆的部位等。 4.1.1 针孔 从镀层表面贯穿到镀层底部或基体金属的微小孔道。 4.1.2 麻点 在电镀过程中由于种种原因而在电镀表面形成的小坑。 4.1.3 起皮 镀层呈片状脱落基体的现象。 4.1.4 起泡 在电镀中由于镀层与底金属之间失去结合力而引起一种凸起状缺陷。 4.1.5 削落 由于某些原因(例如不均匀的热膨胀或收缩)引起的镀层表面的破裂或脱落。 4.1.6 阴阳面 指镀层表面局部亮度不一或色泽不均匀的缺陷,多数情况下在同类产品中表现出一定的规律。 4.1.7 斑点 指镀层表面的一类色斑、暗斑等缺陷。它是由于电镀过程中沉淀不良、异物粘附或钝化液清洗不干净造成。 4.1.8 烧焦镀层 电镀镍、锌检指导书(挂镀) 在过高电流的情况下形成的黑暗色、粗糙松散、质量差的沉积物,其中含有氧化物或其他杂质。 4.1.9 雾状 指镀层表面存在程度不同的云雾大状覆盖物,多数产生于光亮镀层表面。 4.1.10 树支状结晶 电镀时在阴极上(特别是边缘和其他高电流密度区)形成的粗糙/松散的树枝状或不规则突起的沉积物。 4.1.11 海绵状镀层 与基体材料结合不牢固的疏松多孔的沉积物。 4.2 镀层厚度的术语 4.2.1 平均厚度 在某一平面上均布测量 5~10 个点,由此所得的测量值的算术平均值。 4.2.2 A 级表面 客户能直接正视的外部表面和开启后能直接正视的内表面和全部丝印表面(例如:面板等)。 4.2.3 B 级表面 不明显的外部表面(例如:立柱等)。 4.2.4C 级表面 不易察看的内部和外部表面(例如:滑道等)。 4.2.5 浅划伤 用手指(指夹)横向轻划无凹入感。 4.2.6 深划伤 用手指(指夹)横向划有轻微的凹入感。 5 .0 结构件电镀质量要求及检验: 5.1 结构件电镀镍层质量要求 5.1.1 外观 5.1.1.1 颜色 镀镍层为光亮的银白色或经抛光后有镜面般光泽。 5.1.1.2 结晶 镀层结晶细致、均匀。 ...

1、当您付费下载文档后,您只拥有了使用权限,并不意味着购买了版权,文档只能用于自身使用,不得用于其他商业用途(如 [转卖]进行直接盈利或[编辑后售卖]进行间接盈利)。
2、本站所有内容均由合作方或网友上传,本站不对文档的完整性、权威性及其观点立场正确性做任何保证或承诺!文档内容仅供研究参考,付费前请自行鉴别。
3、如文档内容存在违规,或者侵犯商业秘密、侵犯著作权等,请点击“违规举报”。

碎片内容

电镀镍、电镀锌检验指导书

确认删除?
VIP
微信客服
  • 扫码咨询
会员Q群
  • 会员专属群点击这里加入QQ群
客服邮箱
回到顶部