电脑桌面
添加小米粒文库到电脑桌面
安装后可以在桌面快捷访问

病房呼叫系统设计

病房呼叫系统设计_第1页
1/7
病房呼叫系统设计_第2页
2/7
病房呼叫系统设计_第3页
3/7
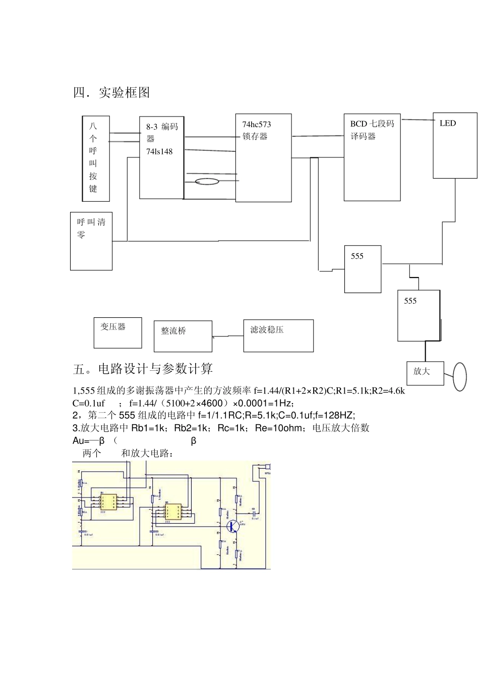
武 汉 工 业 学 院 病房呼叫系统 设计报告 院系:电气与电子工程学院 专业:电子信息工程专业 班级:电子信息 0 9 1 班 姓名:张永杰 学号:0 9 0 4 0 8 6 3 0 一.实验名称:病房呼叫系统设计 二.设计任务 1.呼叫功能:能实现8 个病床对护士站的呼叫,病人有情况时,按一下自己床位边的呼叫按键,就能呼叫护士; 2.显示功能:有病床呼叫时,护士站的数码管显示器上会显示相应的床位号;无呼叫时显示器上无显示; 3.报警功能:有病床呼叫时,护士站的喇叭会发出一响一停的报警声, 同时,数码管显示器上显示的床位号会与报警声同步闪烁。 4.呼叫保持功能:有呼叫键按下后,即使按键松开,呼叫显示和报警声也能保持,直到护士相应呼叫; 5.清除功能:护士响应后,按下清除键即可清除呼叫报警声及显示。 三 方案设计 该系统采用 8 个按键开关来模拟各病房里的呼叫按钮。按键信号转换成能显示的床位号(0~7),首先应该用一片 8-3 编码器芯片(74LS148)将位呼叫信号转换成 000~111 的三位二进制编码;加按键锁存电路(由 74HC573 芯片)将该按键呼叫锁存保持住;三位二进制编码信号再经过一片 BCD 七段码译码器芯片(74LS48),转换成七段码,为了将不同的接到一个共阴极的LED 数码管上供显示。报警闪烁和报警声分别用 2 个555 芯片电路产生的方波驱动实现。再用锁存住的呼叫信号同时触发这两个555 方波发生电路,其中报警闪烁方波频率可设为 1HZ(可用电位器调零),报警声音频方波频率可设为 128HZ。报警闪烁方波信号接到数码管的COM 端(阴极)控制数码管闪烁;报警声音频可通过放大后接到蜂鸣器上。当清除键按下时,呼叫信号被清除,2 个555 均停止工作。系统的原理如下图所示。 四.实验框图 五。电路设计与参数计算 1,555 组成的多谢振荡器中产生的方波频率f=1.44/(R1+2×R2)C;R1=5.1k;R2=4.6k C=0.1uf ;f=1.44/(5100+2×4600)×0.0001=1Hz; 2,第二个555 组成的电路中f=1/1.1RC;R=5.1k;C=0.1uf;f=128HZ; 3.放大电路中Rb1=1k;Rb2=1k;Rc=1k;Re=10ohm;电压放大倍数 Au=—β (Rc//RL)/rbe+(1+β )Re=16.5 4.两个555和放大电路: 8-3 编码器74ls148 74hc573 锁存器 BCD 七段码译码器 LED 八个呼叫按键 呼 叫 清零 555 555 变压器 整流桥 滤波稳压 放大 5 .八个呼叫按键以及清零键 6 .显示电路 7 .电源电路 六.系统电路详图 七.系统调试...

1、当您付费下载文档后,您只拥有了使用权限,并不意味着购买了版权,文档只能用于自身使用,不得用于其他商业用途(如 [转卖]进行直接盈利或[编辑后售卖]进行间接盈利)。
2、本站所有内容均由合作方或网友上传,本站不对文档的完整性、权威性及其观点立场正确性做任何保证或承诺!文档内容仅供研究参考,付费前请自行鉴别。
3、如文档内容存在违规,或者侵犯商业秘密、侵犯著作权等,请点击“违规举报”。

碎片内容

病房呼叫系统设计

确认删除?
VIP
微信客服
  • 扫码咨询
会员Q群
  • 会员专属群点击这里加入QQ群
客服邮箱
回到顶部