电脑桌面
添加小米粒文库到电脑桌面
安装后可以在桌面快捷访问

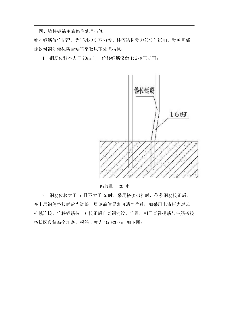
墙柱钢筋偏位处理措施

墙柱钢筋偏位处理措施_第1页
1/4
墙柱钢筋偏位处理措施_第2页
2/4
墙柱钢筋偏位处理措施_第3页
3/4
墙柱钢筋偏位防治处理措施一、编制说明施工中 XXXXX 施工区域,发现局部墙柱钢筋偏位,对此编制此措施。二、墙柱钢筋偏位原因分析1、框架柱、剪力墙的模板支撑系统刚度不足,在浇筑砼的过程中产生歪斜,造成个别构件连同竖向钢筋单向倾斜或偏移,梁柱节点模板位置不准确或模板不垂直,同样会产生钢筋偏位现象。2、梁柱节点内钢筋密集,柱筋被梁筋挤歪,造成柱上端伸出的主筋偏位,排列间距不能满足设计要求。3、剪力墙上部水平钢筋或柱子上部定位箍筋绑扎不牢固,浇筑振捣砼时,各竖向钢筋受冲击而出现不规则的移位。4、砼浇筑时,单方向下料将剪力墙或柱的竖向钢筋挤向一边,造成钢筋移位。5、在绑扎框架柱箍筋时,没搭设脚手架,而直接攀扶在已绑好的箍筋上绑扎上部柱箍筋,造成独立柱主筋骨架扭曲,给模板系统增加了附加力,尤其钢筋直径较大、箍筋密集时,严重影响模板的垂直度和几何尺寸,造成钢筋偏位。三、竖向钢筋偏位质量通病的防治措施1、在框架柱、剪力墙的模板支撑系统搭设前,宜在现浇砼楼面上预埋直径 12 的钢筋头作为支点,间距不大于 1m 并使斜支撑与支点有牢固的连接,起到撑顶、反拉和调节垂直度的多用。2、在梁节点钢筋密集处,在柱与梁顶交界处,框架柱、暗柱增加一个限位箍筋并与梁的箍筋点焊固定(点焊时不得咬伤主筋),并沿柱高临时绑扎间距不大于 500mm 的箍筋,确保节点处柱筋在浇砼时不会发生偏位。3、加强砼现场浇筑管理工作,混凝土浇捣过程中要由看筋人随时检查钢筋位置,及时校正,尽量不碰撞钢筋,严禁砸压、踩踏钢筋和直接顶撬钢筋。砼浇注后,应立即检查、校正、固定,防止偏位,特别对暗柱及门窗洞口暗柱钢筋,更要严格检查,发现问题及时纠正。认真执行技术交底,浇砼要均匀下料分层浇筑和振捣,这样既能保证砼的施工质量,又可减小对钢筋骨架的冲击力从而达到防止柱筋偏位的目的。四、墙柱钢筋主筋偏位处理措施针对钢筋偏位情况,为了减少对剪力墙、柱等结构受力部位的影响。我项目部建议对钢筋偏位质量缺陷采取以下处理措施:1、钢筋位移不大于 20mm 时,位移钢筋仅做 1:6 校正即可;偏移量三 20 时2、钢筋位移大于 1d 且不大于 2d 时,采用搭接绑扎时,位移钢筋校正后,在上层钢筋搭接时适当调整上层钢筋位置即可消除位移;如采用电渣压力焊或机械连接,位移钢筋按 1:6 校正后在其钢筋设计位置加相同直径拐筋与主筋搭接搭接区段箍筋全加密,拐筋长度为 40d+200mm;如下图:d<偏移量 ...

1、当您付费下载文档后,您只拥有了使用权限,并不意味着购买了版权,文档只能用于自身使用,不得用于其他商业用途(如 [转卖]进行直接盈利或[编辑后售卖]进行间接盈利)。
2、本站所有内容均由合作方或网友上传,本站不对文档的完整性、权威性及其观点立场正确性做任何保证或承诺!文档内容仅供研究参考,付费前请自行鉴别。
3、如文档内容存在违规,或者侵犯商业秘密、侵犯著作权等,请点击“违规举报”。

碎片内容

墙柱钢筋偏位处理措施

您可能关注的文档

确认删除?
VIP
微信客服
  • 扫码咨询
会员Q群
  • 会员专属群点击这里加入QQ群
客服邮箱
回到顶部