电脑桌面
添加小米粒文库到电脑桌面
安装后可以在桌面快捷访问

直流系统运行规程

直流系统运行规程_第1页
1/12
直流系统运行规程_第2页
2/12
直流系统运行规程_第3页
3/12
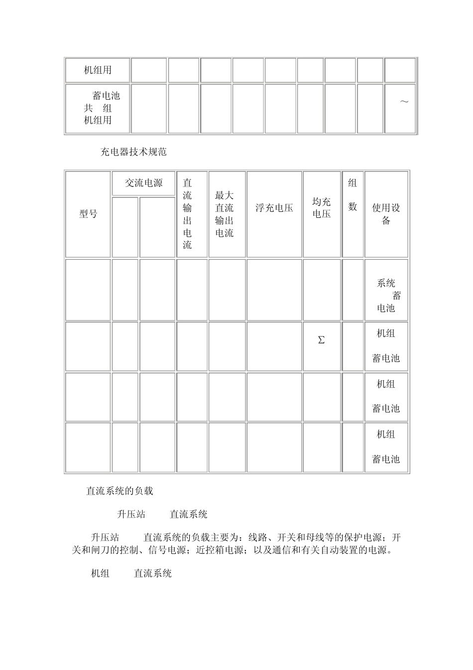
直流系统运行规程 设备规范 直流系统的负载 直流系统的运行、操作、监视与维护 蓄电池及直流系统的异常运行及处理 1. 设备规范 1.1 蓄电池 1.1.1 蓄电池技术规范 组 别 型 号 容量 (AH) 8小时放电率 蓄电池电压 电 池 只 数 正常运行温度范围 (℃) 终止电压1.8V 最大 电压 (V) 额定 电压 (V) 最小 电压 (V) 电流 (A) 容量 (AH) 120V蓄电池1A/1B(500KV系统) VB45 (51) 379 47.4 379 2.40 2 1.86 58 16~32 220V蓄电池共 2组 (机组用) NAX/ NCX35 2400 300 2400 2.40 2 1.81 106 16~32 120V蓄电池共 4组 NAX/ 648 81 648 2.40 2 1.81 58 16~32 (机组用) NCX9 24V蓄电池共4组 (机组用) NAX/ NCX15 1016 127 1016 2.40 2 1.81 12 16~32 1.1.2 充电器技术规范 型号 交流电源 直流输出电流A 最大直流输出电流A 浮充电压 V 均充电压 V 组 数 使用设备 V A S3N3T 120/8 380 80 84 130.5 133.4 3 500KV系统 120V蓄电池 NCX-35 230/300 380 237.1 300 375 230/238.5 ∑47.2 4 机组220V 蓄电池 NCX-9 110/100 380 39.5 100 125 126/130.5 135.3 6 机组120V 蓄电池 NCX-15 24/500 380 37.6 500 600 26/27 28 6 机组24V 蓄电池 2. 直流系统的负载 2.1 500KV升压站 120V直流系统 升压站 120V直流系统的负载主要为:线路、开关和母线等的保护电源;开关和闸刀的控制、信号电源;近控箱电源;以及通信和有关自动装置的电源。 2.2 机组220V直流系统 220V直流系统的负载主要是:炉膛火焰检测直流风机、事故照明、事故油泵、UPS等重要负荷电源,用以确保机组安全停机停炉。 2.3 机组120V直流系统 120V直流系统的负载是全厂保护、控制、操作、调节、监视,以及计算机正常运行的重要电源。 2.4 机组24V直流系统 24V直流1A/2A分别供1/2号机组及电气控制、保护、信号等负载之用。 24V直流1B/2B分别供1/2号机组仪控PROCONTROL专用,为“一”极直接接地系统。 3. 直流系统的运行、操作、监视与维护 3.1 直流系统的运行方式 3.1.1 直流系统的正常运行方式 3.1.1.1 各个电压等级的直流母线均应分段运行。 3.1.1.2 各个电压等级的蓄电池组均应分段运行。 3.1.1.3 正常时蓄电池组采用浮充方式,不允许没有蓄电池只由充电器带直流母线的运行方式。 3.1.2 500KV升压站 120V直流系统 3.1....

1、当您付费下载文档后,您只拥有了使用权限,并不意味着购买了版权,文档只能用于自身使用,不得用于其他商业用途(如 [转卖]进行直接盈利或[编辑后售卖]进行间接盈利)。
2、本站所有内容均由合作方或网友上传,本站不对文档的完整性、权威性及其观点立场正确性做任何保证或承诺!文档内容仅供研究参考,付费前请自行鉴别。
3、如文档内容存在违规,或者侵犯商业秘密、侵犯著作权等,请点击“违规举报”。

碎片内容

直流系统运行规程

小辰4+ 关注
实名认证
内容提供者

出售各种资料和文档

确认删除?
VIP
微信客服
  • 扫码咨询
会员Q群
  • 会员专属群点击这里加入QQ群
客服邮箱
回到顶部