电脑桌面
添加小米粒文库到电脑桌面
安装后可以在桌面快捷访问

直螺纹钢筋连接整改措施

直螺纹钢筋连接整改措施_第1页
1/10
直螺纹钢筋连接整改措施_第2页
2/10
直螺纹钢筋连接整改措施_第3页
3/10
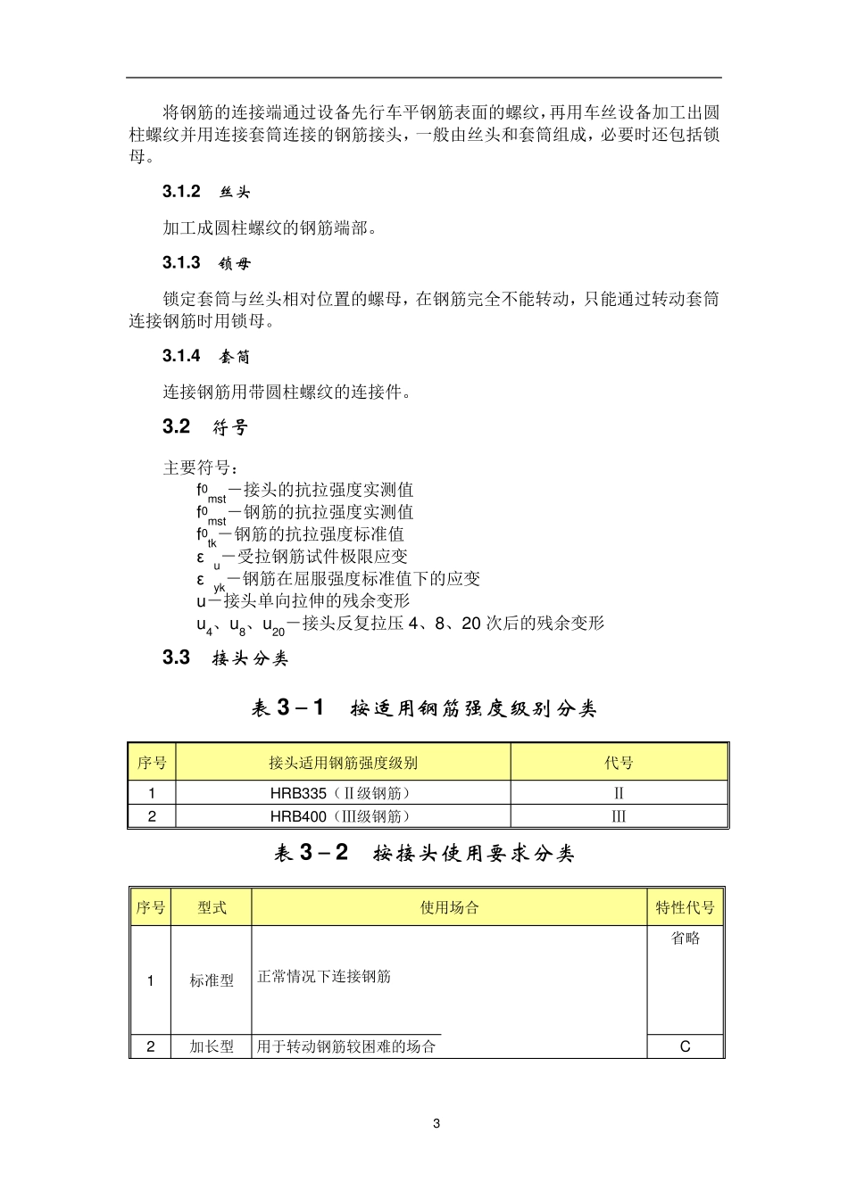
1 宝庆电厂一期工程(2×660MW)机组工程 直螺纹钢筋连接作业 整 改 措 施 2010-03-17 发布 发布单位:湖南省第四工程有限公司 2 1 目的和适用范围 1 .1 目的 因在前期施工发现有抽检不合格的直螺纹钢筋接头,经调查分析,施工过程中在工艺流程上和质量管理上存在着一些漏洞,主要表现为质量控制不严格,管理制度没落实到位,操作人员质量意识不高等等。 为了指导现场施工及接头质量检验和试验,确保接头连接质量而编制本作业的整改措施。 对现场不合格直螺纹钢筋接头全部切去不合格丝头,重新和加工螺纹,重新检验。 1 .2 适用范围 适用于HRB335(Ⅱ级钢)、HRB400(Ⅲ级钢)热轧带肋钢筋制作直螺纹钢筋接头的现场施工,接头检查、试验全过程。 2 引用标准 《滚轧直螺纹钢筋接头》JG/163-2004 《普通螺纹公差与配合》GB/T197-1981 《金属拉伸试验方法》GB/T 228-2002 《优质碳素结构钢》GB/T699-1999 《钢筋砼用热轧带肋钢筋》GB1499.2-2007 《低合金强度结构钢》GB/T 1591-2008 《钢筋机械连接通用技术规程》JGJ/107-2003 3 工艺流程控制措施 3 .1 工艺流程图 直螺纹工艺如下图: ①钢筋端部;②切削直螺纹;③用连接套筒对接钢筋 3 .1 .1 直螺纹钢筋接头 3 将钢筋的连接端通过设备先行车平钢筋表面的螺纹,再用车丝设备加工出圆柱螺纹并用连接套筒连接的钢筋接头,一般由丝头和套筒组成,必要时还包括锁母。 3 .1 .2 丝头 加工成圆柱螺纹的钢筋端部。 3 .1 .3 锁母 锁定套筒与丝头相对位置的螺母,在钢筋完全不能转动,只能通过转动套筒连接钢筋时用锁母。 3 .1 .4 套筒 连接钢筋用带圆柱螺纹的连接件。 3 .2 符号 主要符号: f0mst-接头的抗拉强度实测值 f0mst-钢筋的抗拉强度实测值 f0tk-钢筋的抗拉强度标准值 εu-受拉钢筋试件极限应变 εyk-钢筋在屈服强度标准值下的应变 u-接头单向拉伸的残余变形 u4、u8、u20-接头反复拉压4、8、20 次后的残余变形 3 .3 接头分类 表 3 -1 按适用钢筋强度级别分类 序号 接头适用钢筋强度级别 代号 1 HRB335(Ⅱ级钢筋) Ⅱ 2 HRB400(Ⅲ级钢筋) Ⅲ 表 3 -2 按接头使用要求分类 序号 型式 使用场合 特性代号 1 标准型 正常情况下连接钢筋 省略 2 加长型 用于转动钢筋较困难的场合 C 4 3 扩口型 用于钢筋较难对中的场合 K 4 异径型 用于连接不同直径的钢筋 Y 5 正反...

1、当您付费下载文档后,您只拥有了使用权限,并不意味着购买了版权,文档只能用于自身使用,不得用于其他商业用途(如 [转卖]进行直接盈利或[编辑后售卖]进行间接盈利)。
2、本站所有内容均由合作方或网友上传,本站不对文档的完整性、权威性及其观点立场正确性做任何保证或承诺!文档内容仅供研究参考,付费前请自行鉴别。
3、如文档内容存在违规,或者侵犯商业秘密、侵犯著作权等,请点击“违规举报”。

碎片内容

直螺纹钢筋连接整改措施

您可能关注的文档

确认删除?
VIP
微信客服
  • 扫码咨询
会员Q群
  • 会员专属群点击这里加入QQ群
客服邮箱
回到顶部