电脑桌面
添加小米粒文库到电脑桌面
安装后可以在桌面快捷访问

石化工程质量检查大纲(管道工程)

石化工程质量检查大纲(管道工程)_第1页
1/14
石化工程质量检查大纲(管道工程)_第2页
2/14
石化工程质量检查大纲(管道工程)_第3页
3/14
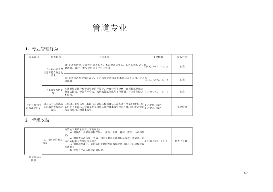
检 查 项 目 检 查 内 容有 关 要 求条 款 依 据检 查 方 式(1)管 线 所 用 原 材 料 必 须 有 质 量 证 明 资 料 , 规 定 复 查 或 试 验 检 验 的 应 有 复 查或 试 验 资 料 。GB50235-97, 3.0.1~3.0.11(2)设 计 文 件 有 低 温 冲 击 值 要 求 的 材 料 , 产 品 质 量 证 明 文 件 应 有 低 温 冲 击 韧性 试 验 值 , 否 则 应 按 GB/T229 的 规 定 进 行 补 项 试 验 。SH3501-2002, 5.1.6(3)阀 门 必 须 具 有 质 量 证 明 文 件 。 阀 体 上 应 有 制 造 厂 铭 牌 , 铭 牌 和 阀 体 上 的标 识 应 符 合 |《 通 用 阀 门 标 识 》 GB/T12220-89的 规 定 。SH/T3518-2000, 2.1.1重 点 检 查(4)管 道 组 成 件 必 须 具 有 质 量 证 明 文 件 ,无 质 量 证 明 文 件 的 产 品 不 得 使 用 。产 品 在 使 用 前 , 应 对 质 量 证 明 文 件 进 行 审 查 ,并 与 实 物 核 对 。 若 到 货 的 管 道组 成 件 实 物 标 识 不 清 或 与 质 量 证 明 文 件 不 符 或 对 产 品 质 量 证 明 文 件 中 的 特性 数 据 或 检 验 结 果 有 异 议 , 供 货 方 应 按 相 应 标 准 作 验 证 性 检 验 或 追 溯 到 产品 制 造 单 位 。 异 议 未 解 决 前 , 该 批 产 品 不 得 使 用 。SH3501-2002, 5.1.3重 点 检 查(5)管 道 组 成 件 在 使 用 前 应 进 行 外 观 检 查 , 其 表 面 质 量 应 符 合 相 应 产 品 标 准的 规 定 , 不 合 格 者 不 得 使 用 。SH3501-2002, 5.1.4抽 查 (复 测)(6)合 金钢管 道 组 成 件 主体 的 关 键合 金成 分, 应 根据 本规 范规 定 的 比例采用光谱分析或 其 他方 法进 行 半定 量 分析复 查 , 并 作 好标 识 。SH3501-2002, 5.1.5抽 查 (复 测).1材 料 与 管 道组 成 件 管 道 专业1 、专业管 理行 为重 点 检 查道 组 成 件 是否 按 规定 进 行 了检 查 检 验141 检查项目 检查内容有关要求条款依据检查方式 管道专业1 、专业管理行为(7)管子的质量证明文件的...

1、当您付费下载文档后,您只拥有了使用权限,并不意味着购买了版权,文档只能用于自身使用,不得用于其他商业用途(如 [转卖]进行直接盈利或[编辑后售卖]进行间接盈利)。
2、本站所有内容均由合作方或网友上传,本站不对文档的完整性、权威性及其观点立场正确性做任何保证或承诺!文档内容仅供研究参考,付费前请自行鉴别。
3、如文档内容存在违规,或者侵犯商业秘密、侵犯著作权等,请点击“违规举报”。

碎片内容

石化工程质量检查大纲(管道工程)

确认删除?
VIP
微信客服
  • 扫码咨询
会员Q群
  • 会员专属群点击这里加入QQ群
客服邮箱
回到顶部