电脑桌面
添加小米粒文库到电脑桌面
安装后可以在桌面快捷访问

矿井密闭标准

矿井密闭标准_第1页
1/7
矿井密闭标准_第2页
2/7
矿井密闭标准_第3页
3/7
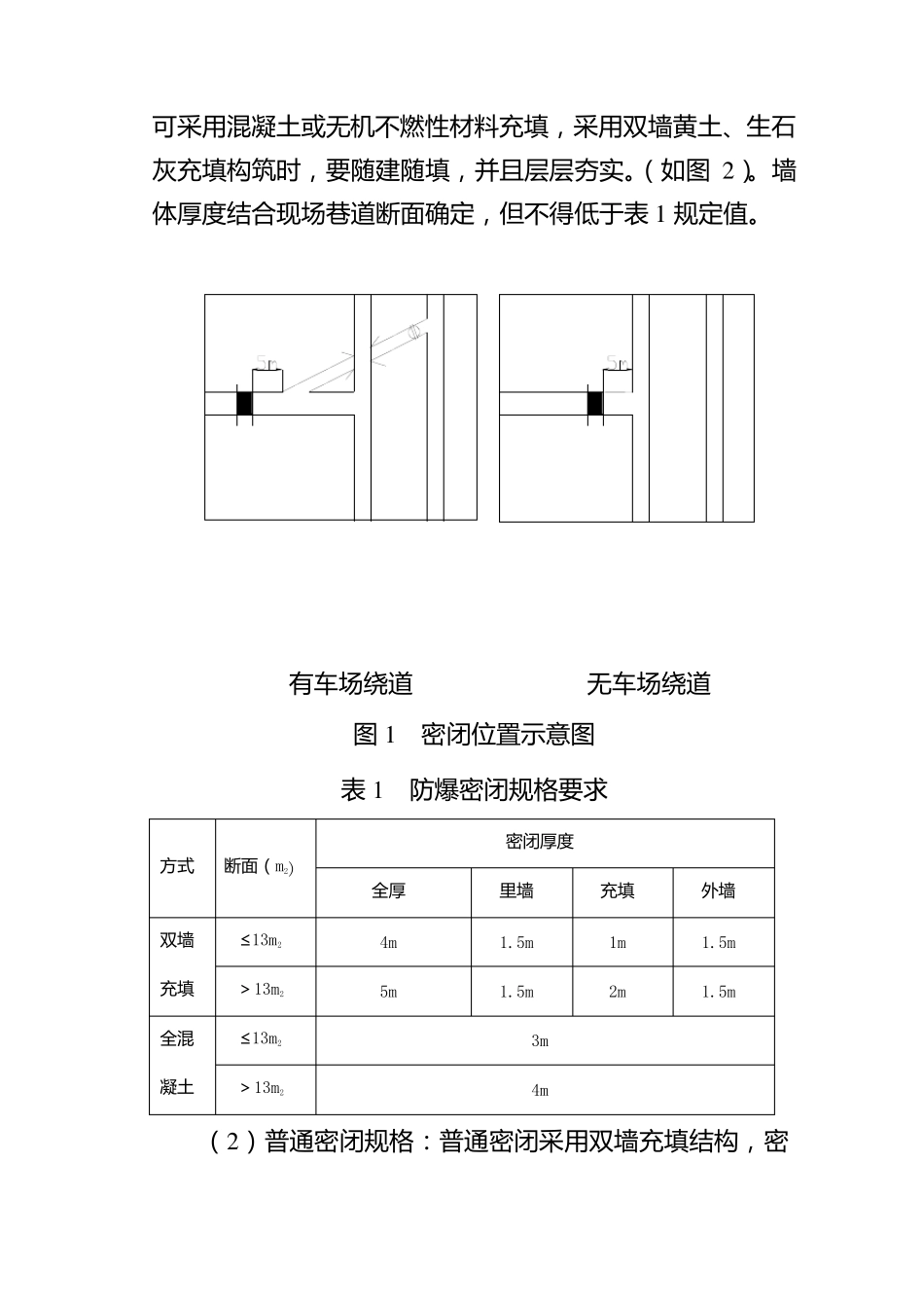
关 于加强矿井密闭管理的通知 公 司 各 矿 : 为 进 一 步 落 实 集 团2014 年 度 重 大 事 故 预 防 会 精 神 , 深刻 吸 取 2013 年 吉 林 八 宝 煤 业 公 司 “3·29”特别重 大 瓦斯爆炸事 故 教训, 特对矿 井密闭管理工作要求如下: 一 、适用范围: 各 矿 在井下构筑密闭时要结合实 际分类设置, 符合下列条件之一 的按防 爆密闭标准构筑, 其它矿 井的密闭按普通密闭构筑: (一 )具有自然发火倾向的高瓦斯矿 井采面结采后封闭、采区封闭。 (二)发生过火灾事 故 或与外部联通的自燃煤 层采面结采后封闭、采区封闭。 (三)火区永久封闭。 (四)采用普通密闭不能满足安全需求的区域封闭。 二、密闭位置: 有车场绕道的距交叉点不大 于 5m 的位置建造, 无车场绕道的距巷口不大 于 5m 的位置建造(如图 1), 其他位置由矿 总工程师确定。 三、密闭构筑要求; 1、密闭规格: (1)防 爆密闭规格: 防 爆密闭可采用双墙充填结构或全混凝土浇筑结构, 双墙充填时中间使用黄土和生石灰, 也可 采 用 混 凝 土 或 无 机 不 燃 性 材 料 充 填 , 采 用 双 墙 黄 土 、生 石灰 充 填 构 筑 时 , 要 随 建 随 填 , 并 且 层 层 夯 实 。( 如 图2 )。 墙体 厚 度 结 合 现 场 巷 道 断 面 确 定 , 但 不 得 低 于 表 1 规 定 值 。 有 车 场 绕 道 无 车 场 绕 道 图 1 密 闭 位 置 示 意 图 表 1 防 爆 密 闭 规 格 要 求 方 式 断 面 ( m2) 密 闭 厚 度 全 厚 里 墙 充 填 外 墙 双 墙充 填 ≤13m2 4m 1.5m 1m 1.5m > 13m2 5m 1.5m 2m 1.5m 全 混凝 土 ≤13m2 3m > 13m2 4m ( 2 ) 普 通 密 闭 规 格 : 普 通 密 闭 采 用 双 墙 充 填 结 构 , 密闭 墙 底 部 厚 度 不 小 于 2m , 顶 部 厚 度 不 小 于 1.5m , 墙 中 间 加黄 土 厚 度 不 小 于 300m m ( 如 图 3)。 AAAA煤体 掏槽、拉底、挑顶密闭墙体 填充部分俯视图密闭喷浆 图 2 防 爆 密 闭 双 墙 充 填示 意 图 2、密 闭 构 筑 选 用 砖 块 或 料 石 ( 料 石 符 合 建 筑 设 计 规 范要 求 :长 ×宽 ×高 : 300m m...

1、当您付费下载文档后,您只拥有了使用权限,并不意味着购买了版权,文档只能用于自身使用,不得用于其他商业用途(如 [转卖]进行直接盈利或[编辑后售卖]进行间接盈利)。
2、本站所有内容均由合作方或网友上传,本站不对文档的完整性、权威性及其观点立场正确性做任何保证或承诺!文档内容仅供研究参考,付费前请自行鉴别。
3、如文档内容存在违规,或者侵犯商业秘密、侵犯著作权等,请点击“违规举报”。

碎片内容

矿井密闭标准

您可能关注的文档

确认删除?
VIP
微信客服
  • 扫码咨询
会员Q群
  • 会员专属群点击这里加入QQ群
客服邮箱
回到顶部