电脑桌面
添加小米粒文库到电脑桌面
安装后可以在桌面快捷访问

砂石含水率检测记录

砂石含水率检测记录_第1页
1/11
砂石含水率检测记录_第2页
2/11
砂石含水率检测记录_第3页
3/11
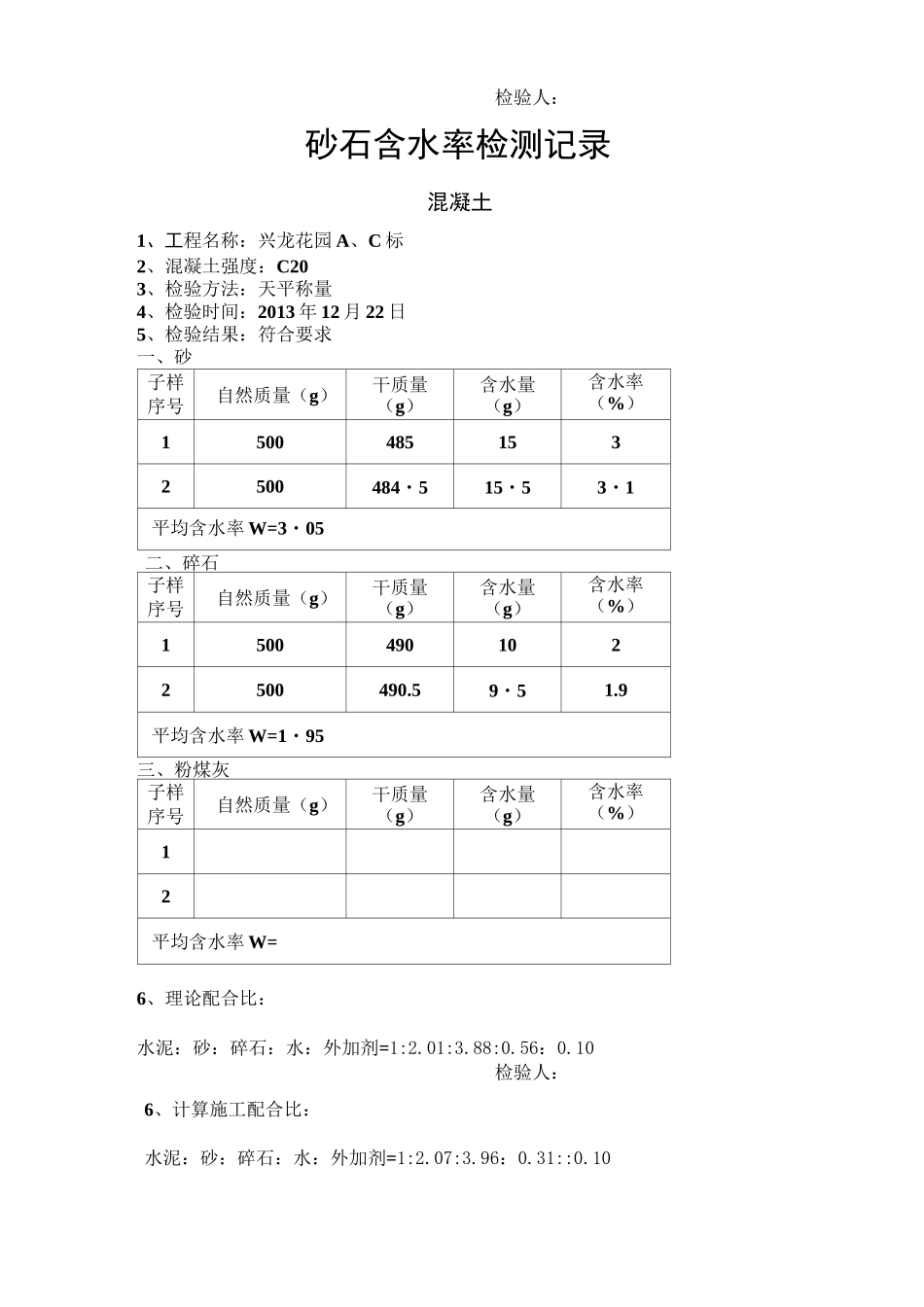
精品文档水泥:砂:碎石:水:外加剂=1:2.61:3.88:0.447:0.10砂石含水率检测记录混凝土1、工程名称:兴龙花园 A、C 标2、混凝土强度:C153、检验方法:天平称量4、检验时间:2013 年 12 月 15 日5、检验结果:符合要求一、砂子样序号自然质量(g)干质量(g)含水量(g)含水率(%)15004851532500485.514.52.9平均含水率 W=2.95二、碎石子样序号自然质量(g)干质量(g)含水量(g)含水率(%)15004901022500489.510・52.1平均含水率 W=2.05三、粉煤灰6、理论配合比:水泥:砂:碎石:水:外加剂=1:2.54:3.80:0.60:0.107、计算施工配合比:6、计算施工配合比:水泥:砂:碎石:水:外加剂=1:2.07:3.96:0.31::0.10检验人:砂石含水率检测记录混凝土1、工程名称:兴龙花园 A、C 标2、混凝土强度:C203、检验方法:天平称量4、检验时间:2013 年 12 月 22 日5、检验结果:符合要求一、砂子样序号自然质量(g)干质量(g)含水量(g)含水率(%)15004851532500484・515・53・1平均含水率 W=3・05二、碎石子样序号自然质量(g)干质量(g)含水量(g)含水率(%)15004901022500490.59・51.9平均含水率 W=1・95三、粉煤灰子样序号自然质量(g)干质量(g)含水量(g)含水率(%)12平均含水率 W=6、理论配合比:水泥:砂:碎石:水:外加剂=1:2.01:3.88:0.56:0.10检验人:6、计算施工配合比:水泥:砂:碎石:水:外加剂=1:2.07:3.96:0.31::0.10砂石含水率检测记录混凝土1、工程名称:兴龙花园 A、C 标2、混凝土强度:C253、检验方法:天平称量4、检验时间:2013 年 12 月 22 日5、检验结果:符合要求一、砂子样序号自然质量(g)干质量(g)含水量(g)含水率(%)1500484・515・53・12500485.514.52.9平均含水率 W=2.95二、碎石子样序号自然质量(g)干质量(g)含水量(g)含水率(%)1500489.510・52.12500490.59・51.9平均含水率 W=2.05三、粉煤灰子样序号自然质量(g)干质量(g)含水量(g)含水率(%)12平均含水率 W=6、理论配合比:精品文档6、理论配合比:水泥:砂:碎石:水:外加剂=1:2.30:3.36:0.40:0.10检验人:砂石含水率检测记录M10 水泥砂浆1、工程名称:兴龙花园 A、C 标2、砂浆强度:M103、检验方法:天平称量4、检验时间:2014 年 1 月 1 日5、检验结果:符合要求一、砂子样序号自然质量(g)干质量(g)含水量(g)含水率(%)15004851532500486142.8平均含水率 W=2・9二、碎石精品...

1、当您付费下载文档后,您只拥有了使用权限,并不意味着购买了版权,文档只能用于自身使用,不得用于其他商业用途(如 [转卖]进行直接盈利或[编辑后售卖]进行间接盈利)。
2、本站所有内容均由合作方或网友上传,本站不对文档的完整性、权威性及其观点立场正确性做任何保证或承诺!文档内容仅供研究参考,付费前请自行鉴别。
3、如文档内容存在违规,或者侵犯商业秘密、侵犯著作权等,请点击“违规举报”。

碎片内容

砂石含水率检测记录

您可能关注的文档

确认删除?
VIP
微信客服
  • 扫码咨询
会员Q群
  • 会员专属群点击这里加入QQ群
客服邮箱
回到顶部