电脑桌面
添加小米粒文库到电脑桌面
安装后可以在桌面快捷访问

砖混主体分部分项检验批

砖混主体分部分项检验批_第1页
1/151
砖混主体分部分项检验批_第2页
2/151
砖混主体分部分项检验批_第3页
3/151
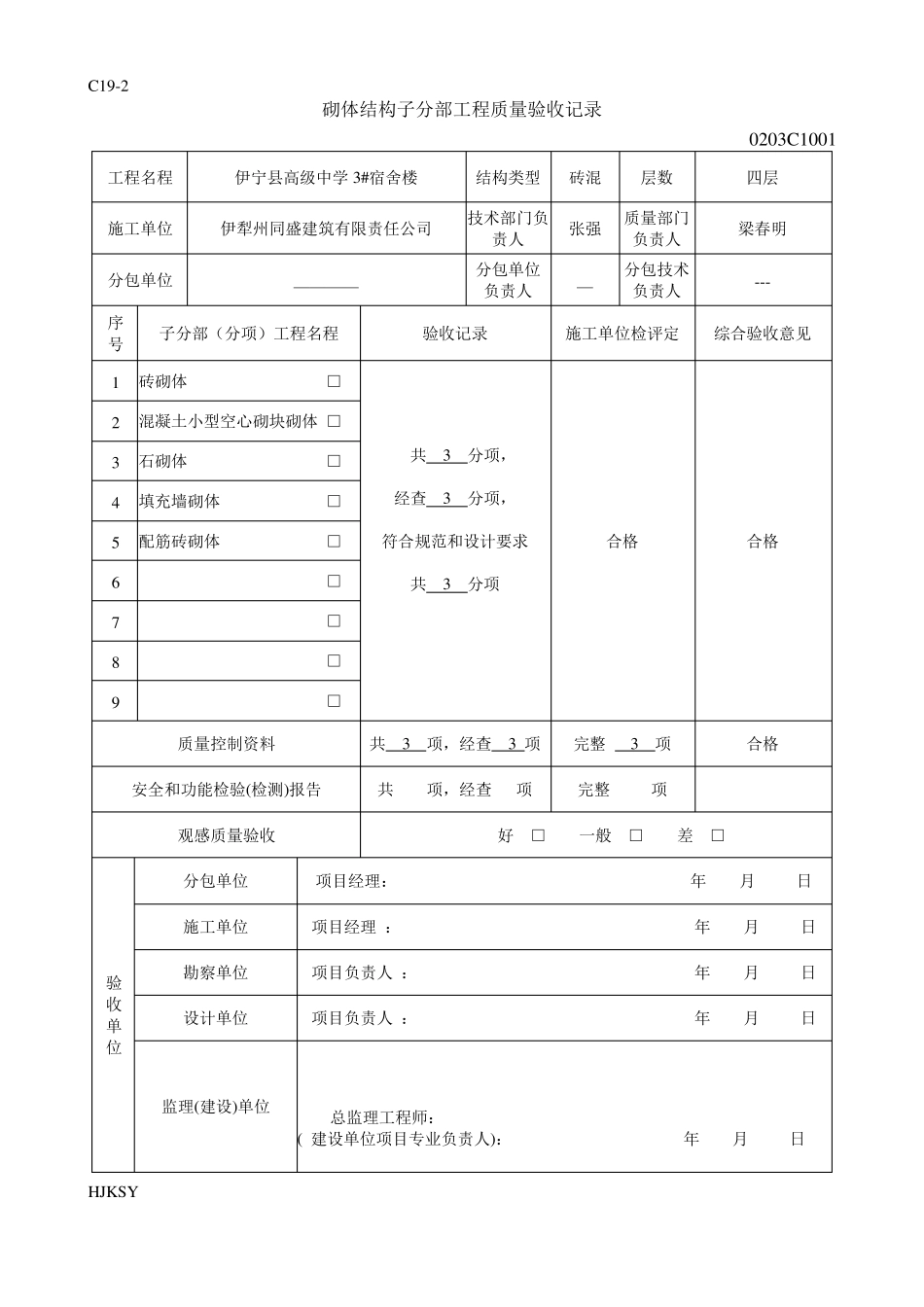
C17-1 主 体 分部(子分部)工程质量验收记录(通用) 0200C1001 工程名程 伊宁县高级中学3#宿舍楼 结构类型 砖混 层数 四层 施工单位 伊犁州同盛建筑有限责任公司 技术部门负责人 张强 质量部门负责人 梁春明 分包单位 ____ 分包单位 负责人 _ 分包技术 负责人 - 序 号 子分部(分项)工程名程 验收记录 施工单位检评定 综合验收意见 1 混凝土结构 □ 共 2 子分部(分项), 经查 2 子分部(分项), 符合规范和设计要求 共 2 子分部(分项) 合格 合格 2 砌体结构 □ 3 4 5 6 7 8 9 10 11 质量控制资料 共 6 项,经查 6 项 完整 6 项 合格 安全和功能检验(检测)报告 共 项,经查 项 完整 项 观感质量验收 好 □ 一般 □ 差 □ 验 收 单 位 分包单位 项目经理: 年 月 日 施工单位 项目经理 : 年 月 日 勘察单位 项目负责人 : 年 月 日 设计单位 项目负责人 : 年 月 日 监理(建设)单位 总监理工程师: ( 建设单位项目专业负责人): 年 月 日 DHJKSY C19-2 砌体结构子分部工程质量验收记录 0203C1001 工程名程 伊宁县高级中学3#宿舍楼 结构类型 砖混 层数 四层 施工单位 伊犁州同盛建筑有限责任公司 技术部门负责人 张强 质量部门负责人 梁春明 分包单位 ____ 分包单位 负责人 _ 分包技术 负责人 --- 序 号 子分部(分项)工程名程 验收记录 施工单位检评定 综合验收意见 1 砖砌体 □ 共 3 分项, 经查 3 分项, 符合规范和设计要求 共 3 分项 合格 合格 2 混凝土小型空心砌块砌体 □ 3 石砌体 □ 4 填充墙砌体 □ 5 配筋砖砌体 □ 6 □ 7 □ 8 □ 9 □ 质量控制资料 共 3 项,经查 3 项 完整 3 项 合格 安全和功能检验(检测)报告 共 项,经查 项 完整 项 观感质量验收 好 □ 一般 □ 差 □ 验 收 单 位 分包单位 项目经理: 年 月 日 施工单位 项目经理 : 年 月 日 勘察单位 项目负责人 : 年 月 日 设计单位 项目负责人 : 年 月 日 监理(建设)单位 总监理工程师: ( 建设单位项目专业负责人): 年 月 日 HJKSY C17-2 砖砌体分项工程质量验收记录(通用) 0203C1002 工程名称 伊宁县高级中学3#宿舍楼 结构类型 砖混 检验批数 5 施工单位 伊犁州同盛建筑有限责任公司...

1、当您付费下载文档后,您只拥有了使用权限,并不意味着购买了版权,文档只能用于自身使用,不得用于其他商业用途(如 [转卖]进行直接盈利或[编辑后售卖]进行间接盈利)。
2、本站所有内容均由合作方或网友上传,本站不对文档的完整性、权威性及其观点立场正确性做任何保证或承诺!文档内容仅供研究参考,付费前请自行鉴别。
3、如文档内容存在违规,或者侵犯商业秘密、侵犯著作权等,请点击“违规举报”。

碎片内容

砖混主体分部分项检验批

您可能关注的文档

确认删除?
VIP
微信客服
  • 扫码咨询
会员Q群
  • 会员专属群点击这里加入QQ群
客服邮箱
回到顶部