电脑桌面
添加小米粒文库到电脑桌面
安装后可以在桌面快捷访问

空调水管安装技术交底

空调水管安装技术交底_第1页
1/10
空调水管安装技术交底_第2页
2/10
空调水管安装技术交底_第3页
3/10
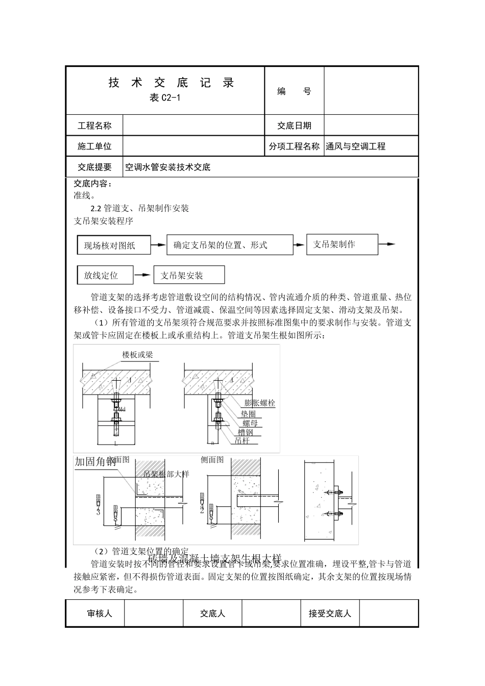
技 术 交 底 记 录 表C2-1 编 号 工程名称 交底日期 施工单位 分项工程名称 通风与空调工程 交底提要 空调水管安装技术交底 交底内容: 审核人 交底人 接受交底人 1.空调水系统安装工艺流程 管道安装的主要内容有:各系统支吊架的制作安装,干、立、支管的管道安装,阀件安装,设备安装,管道及设备的防腐与保温。 管道安装工程各道工序严格按照施工图纸的技术要求、国家标准施工通用图集以及施工工艺规程的有关规定进行施工,认真执行公司《质量手册》及相关程序文件的规定,保证安装施工的顺利进行。 2.管道安装 2.1 管道放线 (1)管道放线按由总管到干管再到支管进行放线定位,放线前逐层核对,保证管线布置不发生冲突,同时留出保温及其他操作空间。 (2)管道安装时,以建筑轴线进行定位,定位时,按施工图确定管道的走向及轴线位置,在墙(柱)上弹出管道安装的定位坡度线,坡度线取管底标高作为管道坡度的基准。 (3)立管放线时,自上而下吊线坠,弹出立管安装的垂直中心线,作为立管安装的基定位放线 管道吊装 对口连接 管道调整 预制件运输 附件安装 支吊架安装 套管制作安装 安装准备 管道预制加工 支、吊架制作安装 管道安装 设备及附件安装 孔洞处理 水压试验 调 试 竣工验收 系统冲洗 管道与设备连接 技 术 交 底 记 录 表C2-1 编 号 工程名称 交底日期 施工单位 分项工程名称 通风与空调工程 交底提要 空调水管安装技术交底 交底内容: 审核人 交底人 接受交底人 准线。 2.2 管道支、吊架制作安装 支吊架安装程序 管道支架的选择考虑管道敷设空间的结构情况、管内流通介质的种类、管道重量、热位移补偿、设备接口不受力、管道减震、保温空间等因素选择固定支架、滑动支架及吊架。 (1)所有管道的支吊架须符合规范要求并按照标准图集中的要求制作与安装。管道支架或管卡应固定在楼板上或承重结构上。管道支吊架生根如图所示: MddL楼板或梁a膨胀螺栓垫圈螺母槽钢吊杆立面图侧面图吊架根部大样 加固角钢≥180mm370mm240mm≥180mm砖墙及混凝土墙支架生根大样 (2)管道支架位置的确定 管道安装时按不同的管径和要求设置管卡或吊架,要求位置准确,埋设平整,管卡与管道接触应紧密,但不得损伤管道表面。固定支架的位置按图纸确定,其余支架的位置按现场情况参考下表确定。 现场核对图纸 确定支吊架的位置、形式 支吊架制作 放线定位 支吊架安装 ...

1、当您付费下载文档后,您只拥有了使用权限,并不意味着购买了版权,文档只能用于自身使用,不得用于其他商业用途(如 [转卖]进行直接盈利或[编辑后售卖]进行间接盈利)。
2、本站所有内容均由合作方或网友上传,本站不对文档的完整性、权威性及其观点立场正确性做任何保证或承诺!文档内容仅供研究参考,付费前请自行鉴别。
3、如文档内容存在违规,或者侵犯商业秘密、侵犯著作权等,请点击“违规举报”。

碎片内容

空调水管安装技术交底

您可能关注的文档

确认删除?
VIP
微信客服
  • 扫码咨询
会员Q群
  • 会员专属群点击这里加入QQ群
客服邮箱
回到顶部