电脑桌面
添加小米粒文库到电脑桌面
安装后可以在桌面快捷访问

空调水系统管道安装工程施工方案VIP专享

空调水系统管道安装工程施工方案_第1页
1/28
空调水系统管道安装工程施工方案_第2页
2/28
空调水系统管道安装工程施工方案_第3页
3/28
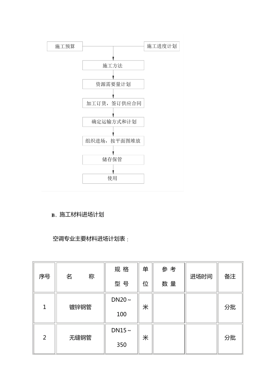
空 调 水 系 统 管 道 安 装 工 程 施 工 方 案 一 、空 调 系 统 简介 1、冷热源 本 工 程 冷 热 源 分 别 由 设 在 地 下 室 的 制 冷 机 房 和 锅 炉 房 提 供 , 夏 季 提 供7~ 12℃冷 冻水;制 冷 机 房 选用两台离心式冷 水机 组和 一台螺杆式冷 水机组;冬季 空调热 源 由 地 下 一层锅 炉 房 换热 站供 给50/40℃热 水, 经机 房 内分 集水器供 给楼内;空调水系统为四管制 , 风机 盘管回水管上设 温控电动两通阀, 新风机 组、空调机 组回水管上设 动平衡电动调节阀, 根据负荷变化,对水路系统进行自动控制 , 有利于节能。局部区域采用两管制 。 2、系 统 形式 采用风机 盘管加新风系统, 风机 盘管负担房 间内负荷, 新风机 组负担新风部分 负荷。新风由 各层的 新风口经空气处理机 进行预热 交换后, 经风管送到各房 间。风机 盘管设 于吊顶内。局部区域采用全空气系统, 设 置空调送回风。由 新风竖井和 新风管道向空调机 组补充新风。 二、施 工 准备 1、施 工 准备 图 纸 会 审 编 制 施 工 技 术 方 案 技术交底 加工定货 施工机具准备 人员配置 熟 悉 图 纸 编制设备材料加工计划 核定设备 材料成本 2、施工物资准备 材 料 、设备、配件、制品、机具是保证施工顺利进行的物资基础,这些物资准备工作必须在工程开工之前完成。根据各种物资的需要量计划,分别落实货源,安排运输和储备,使其满足连续施工的要求。 A、 物资准备工作程序:(如流程图) 施工预算确定运输方式和计划组织进场,按平面图堆放储存保管使用加工订货,签订供应合同资源需要量计划施工方法施工进度计划 B、施 工 材 料 进 场 计 划 空 调 专业主要材 料 进 场 计 划 表: 序号 名 称 规 格 型 号 单位 参 考 数 量 进 场 时间 备注 1 镀锌钢管 DN20~100 米 分批 2 无缝钢管 DN15~350 米 分批 3 各 类 水 阀 DN15~400 个 分 批 4 橡 塑 保 温 材 料 δ =30~50 M3 分 批 3、主要施工机械计划 主 要 施 工 机 械 设 备 计 划 表 : 表 3.7 序 号 机 械 或 设 备 名 称 规 格 型 号 单 位 数 量 1 倒 链 10t 台 3 2 倒 链 5t 台 3 3 手 压 泵 台 2 4 电 动 试 压 ...

1、当您付费下载文档后,您只拥有了使用权限,并不意味着购买了版权,文档只能用于自身使用,不得用于其他商业用途(如 [转卖]进行直接盈利或[编辑后售卖]进行间接盈利)。
2、本站所有内容均由合作方或网友上传,本站不对文档的完整性、权威性及其观点立场正确性做任何保证或承诺!文档内容仅供研究参考,付费前请自行鉴别。
3、如文档内容存在违规,或者侵犯商业秘密、侵犯著作权等,请点击“违规举报”。

碎片内容

空调水系统管道安装工程施工方案

确认删除?
VIP
微信客服
  • 扫码咨询
会员Q群
  • 会员专属群点击这里加入QQ群
客服邮箱
回到顶部