电脑桌面
添加小米粒文库到电脑桌面
安装后可以在桌面快捷访问

空调管道及附件的安装技术交底

空调管道及附件的安装技术交底_第1页
1/7
空调管道及附件的安装技术交底_第2页
2/7
空调管道及附件的安装技术交底_第3页
3/7
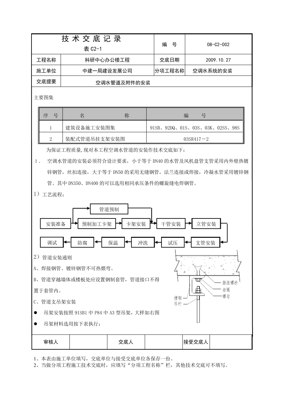
技术交底记录 表C2-1 编 号 08-C2-002 工程名称 科研中心办公楼工程 交底日期 2009.10.27 施工单位 中建一局建设发展公司 分项工程名称 空调水系统的安装 交底提要 空调水管道及附件的安装 审核人 交底人 接受交底人 1 、本表由施工单位填写,交底单位与接受交底单位各保存一份。 2 、当做分项工程施工技术交底时,应填写“分项工程名称”栏,其他技术交底可不填写。 交底内容:编制依据 主要标准、规范、规程 类 别 名 称 编 号 国标 建筑工程施工质量验收统一标准 GB50300-2001 采暖通风与空气调节设计规范(2001 年修订版) GB50019—2003 建筑设计防火规范 GBJ16-87 通风与空调工程施工质量验收规范 GB50243-2002 压缩机、风机、泵安装工程施工及验收规范 GB50275—98 建筑采暖卫生与煤气工程质量检验评定标准 GBJ302—88 压缩机、风机、泵安装工程施工及验收规范 GB50275-98 建筑机械使用安全技术规程 JGJ33-2001 施工现场临时用电安全技术规程 JGJ46-88 行 业 水泵隔震技术规程 CECS 59:94 建筑安装工程分项工程施工工艺规程 (第一至第八分册) DBJ/T 01-26-2003 建筑工程资料管理规程 DBJ01-51-2003 地 方 建设工程建设监理规程 DBJ01-41-2002 北京市建筑工程施工安全操作规程 DBJ01-62-2002 建筑工程施工技术管理规范 DBJ01-80-2004 低温热水地板辐射供暖应用技术规程 DBJ/T01-49-2000 技术交底记录 表C2-1 编 号 08-C2-002 工程名称 科研中心办公楼工程 交底日期 2009.10.27 施工单位 中建一局建设发展公司 分项工程名称 空调水系统的安装 交底提要 空调水管道及附件的安装 审核人 交底人 接受交底人 1 、本表由施工单位填写,交底单位与接受交底单位各保存一份。 2 、当做分项工程施工技术交底时,应填写“分项工程名称”栏,其他技术交底可不填写。 主要图集 序 号 名 称 编 号 1 建筑设备施工安装图集 91SB、92DQ、01S、03S、03K、02SS、98S 2 装配式管道吊挂支架安装图 03SR417-2 为保证工程质量,现对本工程空调水管道的安装作技术交底如下: 1. 空调水管道的安装必须符合设计要求,小于等于 DN40 的水管及风机盘管支管采用内外壁热镀锌钢管,丝扣连接,大于等于 DN50 的采用无缝钢管,法兰连接或焊接,冷凝水管采用镀锌钢管。其中 DN350、DN400 的可以选用相同承压条件的螺旋缝电焊钢管。 1)工艺流程: 2...

1、当您付费下载文档后,您只拥有了使用权限,并不意味着购买了版权,文档只能用于自身使用,不得用于其他商业用途(如 [转卖]进行直接盈利或[编辑后售卖]进行间接盈利)。
2、本站所有内容均由合作方或网友上传,本站不对文档的完整性、权威性及其观点立场正确性做任何保证或承诺!文档内容仅供研究参考,付费前请自行鉴别。
3、如文档内容存在违规,或者侵犯商业秘密、侵犯著作权等,请点击“违规举报”。

碎片内容

空调管道及附件的安装技术交底

小辰+ 关注
实名认证
内容提供者

出售各种文档和资料

确认删除?
VIP
微信客服
  • 扫码咨询
会员Q群
  • 会员专属群点击这里加入QQ群
客服邮箱
回到顶部