电脑桌面
添加小米粒文库到电脑桌面
安装后可以在桌面快捷访问

升降作业平台合同VIP免费

升降作业平台合同_第1页
1/19
升降作业平台合同_第2页
2/19
升降作业平台合同_第3页
3/19
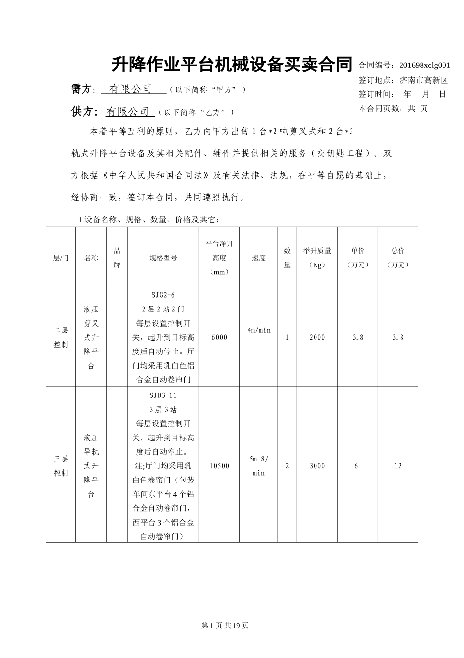
升降作业平台机械设备买卖合同需方:有限公司(以下简称“甲方”)供方:有限公司(以下简称“乙方”)本着平等互利的原则,乙方向甲方出售1台*2吨剪叉式和2台*3吨液压导轨式升降平台设备及其相关配件、辅件并提供相关的服务(交钥匙工程)。双方根据《中华人民共和国合同法》及有关法律、法规,在平等自愿的基础上,经协商一致,签订本合同,共同遵照执行。1设备名称、规格、数量、价格及其它:层/门名称品牌规格型号平台净升高度(mm)速度数量举升质量(Kg)单价(万元)总价(万元)二层控制液压剪叉式升降平台SJG2-62层2站2门每层设置控制开关,起升到目标高度后自动停止。厅门均采用乳白色铝合金自动卷帘门60004m/min120003.83.8三层控制液压导轨式升降平台SJD3-113层3站每层设置控制开关,起升到目标高度后自动停止。注;厅门均采用乳白色卷帘门(包装车间东平台4个铝合金自动卷帘门,西平台3个铝合金自动卷帘门)105005m-8/min230006.12第1页共19页合同编号:201698xclg001签订地点:济南市高新区签订时间:年月日本合同页数:共页总价人民币:15.8万元大写:壹拾伍万捌仟元整,价格包含电梯设备、17%增值税,运费,起吊装卸、安装、调试、培训、当地质检部门报检验收出证费用(如果有,乙方承担),工具使用等费用的交钥匙工程。导轨之断面性质,须符合其强度要求。(注:本工程为交钥匙工程)以上价款为不变价格,除该价款外,甲方无需向乙方支付任何其他费用。安全条件:升降作业平台在运行过程中,电动卷帘门是处于闭合状态的。特此说明。1.1.1以上提供的各种设备的技术规格(包括技术说明、技术文件、技术指标、配件与备件等)要求详见附件。1.1.2上述总格包含但不限于:货款、包装、装运、保险、安装、调试、技术培训、报检验收出证等费用,本合同下的设备到达甲方指定地点并达到本合同约定适用条件前的一切费用由乙方承担。1.1.3乙方承诺:上述价格中包含:在合同签订后的2天内,供方向需方提供所有同上述设备联接有关的尺寸图纸;在货到达需方工地,开始联接安装前1天内,乙方派员到达甲方施工现场,负责并承担联接安装。供方向需方保证严格按照本合同及技术附件(如有)中之条款约定进行安装、调试,并承担由于供方原因产生的一切额外费用、损失和责任。2技术及质量要求2.1乙方应保证其向甲方提供的设备必须是全新的、完整的、没有瑕疵的。2.2乙方提供的设备必须具备本合同及附件中说明的或乙方以其他方式承诺的性能,确保能满足甲方的实际使用要求。2.3乙方应提供详细的设备技术规范、技术文件及配置说明。见附件。2.4乙方负责前往当地质量技术监督局办理特种设备的告知、报检及取得使用证手续和费用。2.5导轨须以金属固定件固定于升降路或导轨支持塔,且于调速机装置发生作用时,仍为安全之构造。导轨、导轨托架、轨架、鱼尾板须为平炉钢或其相当品。导轨、导轨托架、轨架、鱼尾板及其固定器均为钢制或其他符合国标规定之材料。螺栓及铆钉材料符合国标之规定。2.6乙方免费提供此设备《安全规章制度》和《操作规范说明》。第2页共19页3.1交货时间合同签订后,预付款到达乙方账户后15工作日交货,乙方应于发货3日前书面通知甲方拟发货时间,以使甲方做好充分准备。3.2交货地点:甲方厂区内。3.3交货方式:需方场内工地验收签字。3.4对乙方误发、少发或多发的设备,甲方有权通知乙方更换、补发或召回(双方另有约定的除外),由此发生的费用由乙方承担。因乙方更换、补发货物导致该货物不能在合同规定的交货时间到达甲方指定交货地点的,乙方承担相应的违约责任。4包装:4.1乙方应提供货物安全运至甲方指定的最终目的地所需要的包装,包装必须坚固,并有防潮、防震、防锈、防雨、防腐及防碰撞等措施,适合于运输,多次搬运,以确保设备安全无损坏地运抵交货地点。运输、仓储均须符合国家规定的有关标准。4.2由于包装不良引起生锈、损坏、丢失,其责任和由此产生的费用应由乙方承担,乙方应根据设备的特点和装卸运输的不同要求,在每件包装箱上以中文及运输常用的标记明显地印刷箱号、尺码、毛重、净重等字样及“轻放”、“勿倒置”“防雨”等字样和装卸搬运时应注意...

1、当您付费下载文档后,您只拥有了使用权限,并不意味着购买了版权,文档只能用于自身使用,不得用于其他商业用途(如 [转卖]进行直接盈利或[编辑后售卖]进行间接盈利)。
2、本站所有内容均由合作方或网友上传,本站不对文档的完整性、权威性及其观点立场正确性做任何保证或承诺!文档内容仅供研究参考,付费前请自行鉴别。
3、如文档内容存在违规,或者侵犯商业秘密、侵犯著作权等,请点击“违规举报”。

碎片内容

升降作业平台合同

您可能关注的文档

确认删除?
VIP
微信客服
  • 扫码咨询
会员Q群
  • 会员专属群点击这里加入QQ群
客服邮箱
回到顶部