电脑桌面
添加小米粒文库到电脑桌面
安装后可以在桌面快捷访问

自制AVR高压并行编程器成功,可随意修改熔丝位,能恢复被配置为IO复位引脚

自制AVR高压并行编程器成功,可随意修改熔丝位,能恢复被配置为IO复位引脚_第1页
1/10
自制AVR高压并行编程器成功,可随意修改熔丝位,能恢复被配置为IO复位引脚_第2页
2/10
自制AVR高压并行编程器成功,可随意修改熔丝位,能恢复被配置为IO复位引脚_第3页
3/10
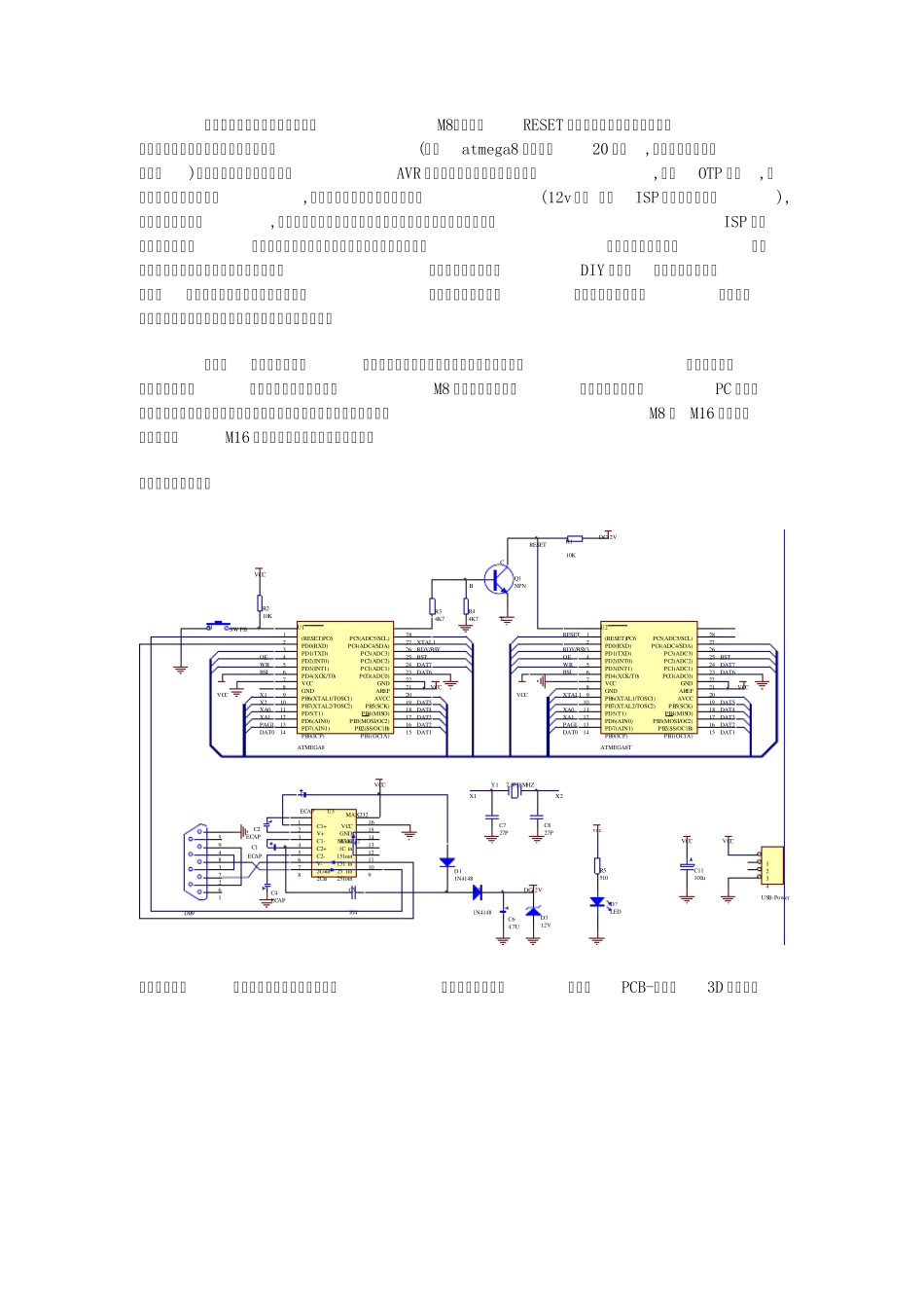
前阵子手上刚好有几片锁死了的M8,估计连RESET 也被禁用了,这些芯片已经无法通过下载线来恢复了。为了减少损失(现在atmega8 网上报价20 以上,还不敢确定是全新原装货),故在网上一阵搜索,原来AVR 的芯片的熔丝都是可重复编程的,不像OTP 熔丝,一次配置了就不能修改了,只不过不是需要高压编程器罢了(12v 的, 不是ISP 下载线能胜任的),上淘宝网看了一下,成品高压编程器的价格可不菲,况且我也不是经常用,平时有ISP 下载线也就够用了,而且也方便,不用从目标板上取下芯片即可编程,据现在的情况看来,自己做一个简单的高压编程器是势在必行了,并且为了推扬我们的DIY 精神,我找了一些资料和软件,准备自己制作高压并行编程器了,经过一阵子的捣鼓,编程器终于做好了,现与大家分享一下制作过程和一些心得,供有兴趣的道友参考。 说明:高压并行编程,能将绝大多数各种锁死芯片恢复到出厂默认,特别是对复位也禁用的芯片。此高压并行编程器由一片M8 作为主控制芯片,将通过串口送来的PC 各种指令和编程数据进行转换后,对目标芯片进行编程处理,目前可直接支持M8 和 M16 的编程,由于不需要M16 的编程,故将原理图修改了一下。 最终的原理图如下: (RESET)PC61PD0(RXD)2PD1(TXD)3PD2(INT0)4PD3(INT1)5PD4(XCK/T0)6VCC7GND8PB6(XTAL1/TOSC1)9PB7(XTAL2/TOSC2)10PD5(T1)11PD6(AIN0)12PD7(AIN1)13PB0(ICP)14PB1(OC1A)15PB2(SS/OC1B)16PB3(MOSI/OC2)17PB4(MISO)18PB5(SCK)19AVCC20AREF21GND22PCO(ADC0)23PC1(ADC1)24PC2(ADC2)25PC3(ADC3)26PC4(ADC4/SDA)27PC5(ADC5/SCL)28U1ATMEGA8(RESET)PC61PD0(RXD)2PD1(TXD)3PD2(INT0)4PD3(INT1)5PD4(XCK/T0)6VCC7GND8PB6(XTAL1/TOSC1)9PB7(XTAL2/TOSC2)10PD5(T1)11PD6(AIN0)12PD7(AIN1)13PB0(ICP)14PB1(OC1A)15PB2(SS/OC1B)16PB3(MOSI/OC2)17PB4(MISO)18PB5(SCK)19AVCC20AREF21GND22PCO(ADC0)23PC1(ADC1)24PC2(ADC2)25PC3(ADC3)26PC4(ADC4/SDA)27PC5(ADC5/SCL)28U2ATMEGA8TVCCVCCR44K7R34K7R110KDC12VS1SW PBR210KVCCC1+1V+2C1-3C2+4C2-5V-62Cout72Cin8251out925 1in10151 in11151out121C in131Cout14GND15VCC16MAX232U3MAX232162738495DB9C2ECAPC1ECAPC4ECAPVCCC64.7UC5104D11N4148D21N4148D312VDC12VOEWRWRBSIBSIXA0XA0XA1XA1PAGLPAGLDAT0DAT0DAT1DAT2DAT3DAT4DAT5DAT6DAT7DAT1DAT2DAT3DAT4DAT5DAT6DAT7BSTBSTRDY/BSYRDY/BSYXTAL1XTAL1VCCC3ECAPOEY17.3728MHZC727PC827PX1X2X1X2VCCRESE...

1、当您付费下载文档后,您只拥有了使用权限,并不意味着购买了版权,文档只能用于自身使用,不得用于其他商业用途(如 [转卖]进行直接盈利或[编辑后售卖]进行间接盈利)。
2、本站所有内容均由合作方或网友上传,本站不对文档的完整性、权威性及其观点立场正确性做任何保证或承诺!文档内容仅供研究参考,付费前请自行鉴别。
3、如文档内容存在违规,或者侵犯商业秘密、侵犯著作权等,请点击“违规举报”。

碎片内容

自制AVR高压并行编程器成功,可随意修改熔丝位,能恢复被配置为IO复位引脚

您可能关注的文档

确认删除?
VIP
微信客服
  • 扫码咨询
会员Q群
  • 会员专属群点击这里加入QQ群
客服邮箱
回到顶部