电脑桌面
添加小米粒文库到电脑桌面
安装后可以在桌面快捷访问

自动关天窗(车)的改造

自动关天窗(车)的改造_第1页
1/53
自动关天窗(车)的改造_第2页
2/53
自动关天窗(车)的改造_第3页
3/53
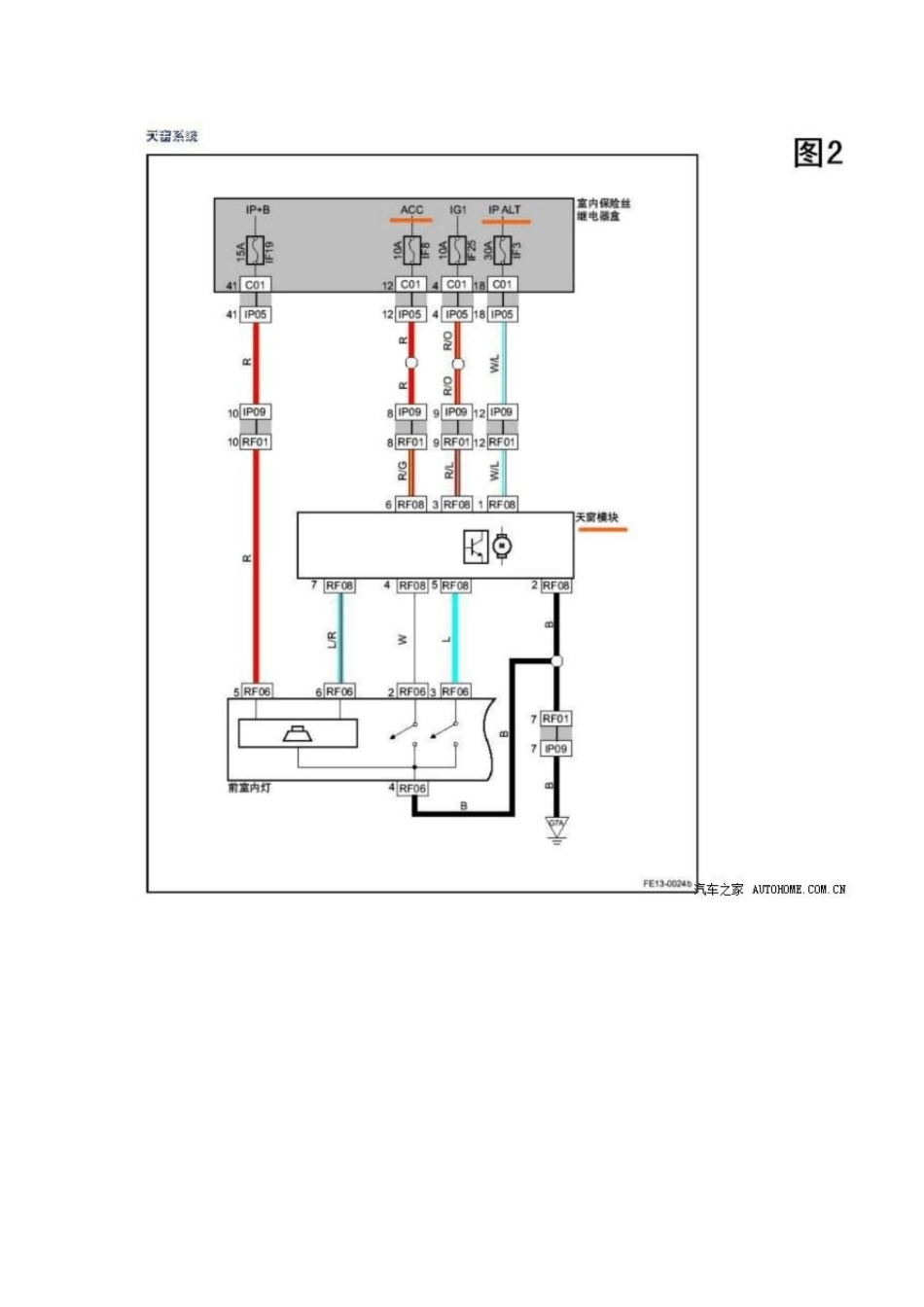
史无前例:2元改装拨钥匙后关天窗,8元改装自动关天窗 论坛里有关改装天窗的作业不少,看了一下简单归类有如下几种类型:一是独立功能型 (只是天窗自动关闭功能);二是双用功能型(车门窗和天窗同时自动关闭功能);三是综合功能型 (无钥匙进入系统+一键启动系统+防盗系统+自动关窗功能) ;四是机电改装型(基本上用机械控制系统,加工麻烦)。本来不想去改装写这份作业,以上几种改装方法,第一感觉是,虽然有销售的现成产品,但售价比较贵;第二个感觉是,如果属于自己动手改装的以上各种类型,都比较复杂。有些根本就不具备很多车主朋友自己动手改装的条件,有很多车主朋友想都不敢想自己去动手改装。为了更方便车主朋友自己动手改装,我把个人感觉最简单的一种改装方法提供给大家参考,这种方法简单、经济、实用!而且还根据各位朋友的不同需求,分别介绍几种行之有效的改装方法供朋友参考。 第一种改装方法: 不多说,直接先上一张实际改装的实拍图看一下即可一目了然,见下图 1 这种改装能够实现的功能是:泊车拨出钥匙后一样可以关闭天窗。这是根据实际使用过程中,很多车主泊车准备离开时发现没有关天窗,或是停车拨出钥匙后发现没有关天窗,但又不想重新插入钥匙重新启动的麻烦而改装的!真不明白厂家为什么不设计安装这么简单而又实用的功能?这也许是厂家设计的缺陷吧!?当然,每一种产品都有使用完善的过程。 从图中不难看出,改装只需一只二极管即可实现,你说简单不简单?而且这种二极管任何地方的电子另配件商店或家电维修店都有卖的,价钱不到2元钱。(如果自己没有焊接工具,买的时候叫家电维修店帮忙在二极管两端焊接2根短线出来,回去并接在线上即可。如果没有焊接的条件,可以直接把二极管并接在线上捏紧也可以。 下面说明一下基本原理和安装过程: 一、基本原理 先看原理图,见下图2图3 从 原 理 图2中 可 以 看 出 , 天 窗 模 块 的 工 作 电 压 有 三 组 , 第 一组 是基本工 作 电 压 (IP ALT), 它是由电 瓶直接分配出 来的 常电 (见上图3) ;第二组是控制电压(ACC) ,我们知道,平时使用时只有电门开关钥匙打到ACC位时天窗才可手动打开或关闭。所以,只要拨出钥匙后第二组控制电压ACC是没有电的,天窗开关不起作用,清楚了吧?所以,只要维持第二组电压能正常供电,天窗即可以工作。这就是我们要改装的根本所在,只要把第一组电源的白蓝线上与第二组供电的红绿线上并接...

1、当您付费下载文档后,您只拥有了使用权限,并不意味着购买了版权,文档只能用于自身使用,不得用于其他商业用途(如 [转卖]进行直接盈利或[编辑后售卖]进行间接盈利)。
2、本站所有内容均由合作方或网友上传,本站不对文档的完整性、权威性及其观点立场正确性做任何保证或承诺!文档内容仅供研究参考,付费前请自行鉴别。
3、如文档内容存在违规,或者侵犯商业秘密、侵犯著作权等,请点击“违规举报”。

碎片内容

自动关天窗(车)的改造

小辰4+ 关注
实名认证
内容提供者

出售各种资料和文档

确认删除?
VIP
微信客服
  • 扫码咨询
会员Q群
  • 会员专属群点击这里加入QQ群
客服邮箱
回到顶部