电脑桌面
添加小米粒文库到电脑桌面
安装后可以在桌面快捷访问

关于建筑工程质量通病图集

关于建筑工程质量通病图集_第1页
1/20
关于建筑工程质量通病图集_第2页
2/20
关于建筑工程质量通病图集_第3页
3/20
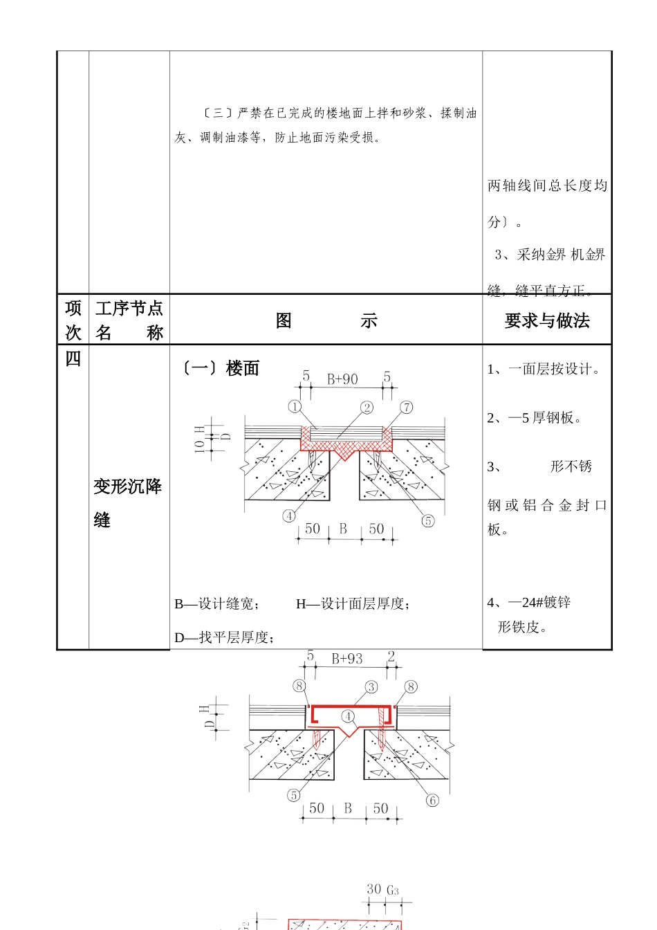
建筑工程质量通病图集项次工序节点名 称图 示要求与做法一建筑物外墙与散水坡 、 台阶、明沟留沉降缝1、散水坡、台阶、明沟本身按≤6m 长度〔总长度均分〕留沉降缝。2、外墙阴阳角位按450角留沉降缝。3、散水坡与台阶交接 处 留 沉 降 缝 分隔。 二室外地面留伸缩缝1 、 伸 缝 纵 向 间 距≤30m。 2、缩缝横向间距≤ 6m 〔 总 长 度 均分〕,做法详第三项。三室内地面楼面留缩缝〔一〕地面1、用大面积水泥混凝土地面、楼面水泥砂浆面层。2、横向缩缝间距按轴线尺寸。纵向缩缝间距≤6m〔横向〔二〕楼面两轴线间总长度均分〕。 3、采纳金界 机金界 缝,缝平直方正。〔三〕严禁在已完成的楼地面上拌和砂浆、揉制油灰、调制油漆等,防止地面污染受损。项次工序节点名 称图 示要求与做法四变形沉降缝〔一〕楼面B—设计缝宽; H—设计面层厚度;D—找平层厚度;1、一面层按设计。2、—5 厚钢板。3、 形不锈钢 或 铝 合 金 封 口板。 4、—24#镀锌 形铁皮。5、一塑料胀锚木 牙螺丝@500 C/C固定 形 镀锌铁皮。6、一塑料胀锚不 锈钢螺丝@500 C/C固定 形 封口板。7、一沥青胶泥填 嵌。8、一硅铜胶封缝。〔二〕墙面〔三〕天面项次工序节点名 称图 示要求与做法八屋面保护层留伸缩缝。① 柔性防水屋面; 宜采纳绿豆砂或块料作保护层。 块料按④点要求分块。② 水泥砂浆; 缝宽 10mm,防水油膏填缝。 按 1m2 面积分块,纵向长度≤6m〔按总长均分〕③ 细石混凝土; 缝宽 20mm,防水油膏填缝。 按 1m2面积分块,纵向长度≤6m〔按总长均分〕④ 块状材料: 缝宽 20mm,防水油膏填缝。 1、架空按≤100m2面积分块。 2、座砌按≤36m2面积分块。⑤ 珍珠岩或轻质陶粒保温层; 1、按 6×6m 设置纵横排气孔管。 2、按 36 m2设置一个排气孔。3、屋面宽度≥10m设置通风屋脊。九厨 、 浴厕、阳台、外走道等地面低于居室地面① 厨、浴厕间、阳台、外走道地面低于 居室地面相对标高 15mm。② 厨、浴厕、阳台、外走道等处的地漏 低于相对地面标高 10mm。十腰线、挑檐、雨蓬做滴水线项次工序节点名 称图 示要求与做法十一窗楣做鹰咀,外窗台低于内窗台,外窗台做向外排水坡 1、窗楣及窗台块料贴面,其外角 采 纳 夹 角 镶贴。 2、窗楣突出线时 按 第 十 项 施工。窗台突出线时,按第五项施工。 3、铝合金窗外周边留宽 5mm 深8mm 槽,防水胶密封。 4、安装用螺丝应用铜...

1、当您付费下载文档后,您只拥有了使用权限,并不意味着购买了版权,文档只能用于自身使用,不得用于其他商业用途(如 [转卖]进行直接盈利或[编辑后售卖]进行间接盈利)。
2、本站所有内容均由合作方或网友上传,本站不对文档的完整性、权威性及其观点立场正确性做任何保证或承诺!文档内容仅供研究参考,付费前请自行鉴别。
3、如文档内容存在违规,或者侵犯商业秘密、侵犯著作权等,请点击“违规举报”。

碎片内容

关于建筑工程质量通病图集

您可能关注的文档

范哲铺+ 关注
实名认证
内容提供者

想你所想,急你所急,你需要的都在店铺里可以找到。

确认删除?
VIP
微信客服
  • 扫码咨询
会员Q群
  • 会员专属群点击这里加入QQ群
客服邮箱
回到顶部