电脑桌面
添加小米粒文库到电脑桌面
安装后可以在桌面快捷访问

吊车参数表资料

吊车参数表资料_第1页
1/10
吊车参数表资料_第2页
2/10
吊车参数表资料_第3页
3/10
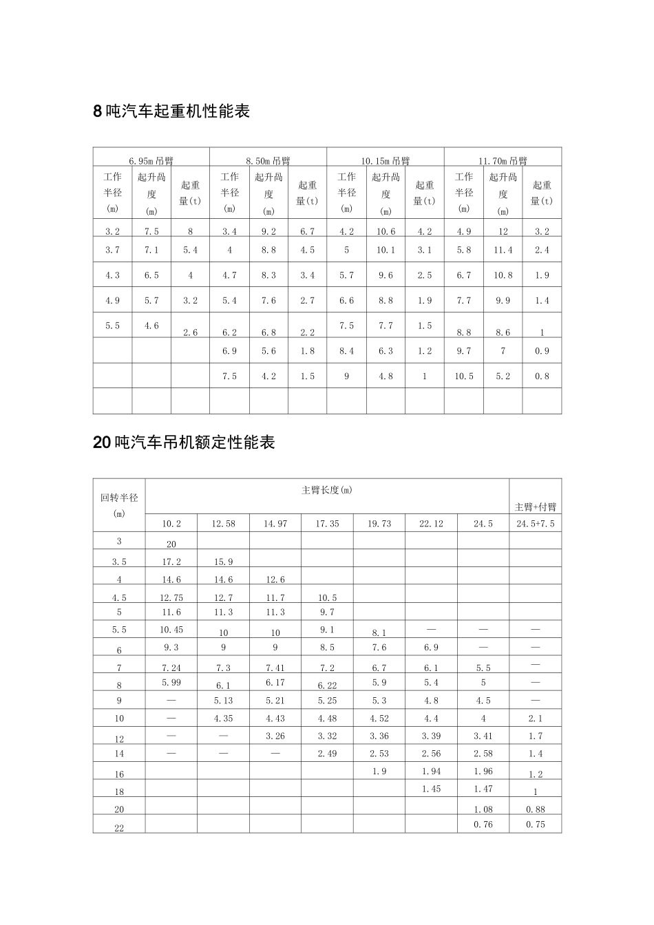
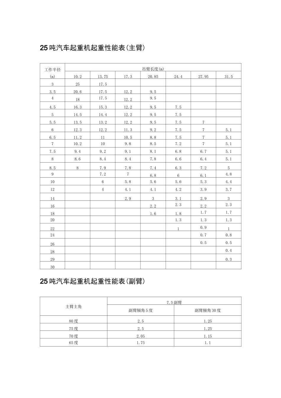
8 吨汽车起重机性能表6.95m 吊臂8.50m 吊臂10.15m 吊臂11.70m 吊臂工作半径(m)起升咼度(m)起重量(t)工作半径(m)起升咼度(m)起重量(t)工作半径(m)起升咼度(m)起重量(t)工作半径(m)起升咼度(m)起重量(t)3.27.583.49.26.74.210.64.24.9123.23.77.15.448.84.5510.13.15.811.42.44.36.544.78.33.45.79.62.56.710.81.94.95.73.25.47.62.76.68.81.97.79.91.45.54.62.66.26.82.27.57.71.58.88.616.95.61.88.46.31.29.770.97.54.21.594.8110.55.20.820 吨汽车吊机额定性能表回转半径(m)主臂长度(m)主臂+付臂10.212.5814.9717.3519.7322.1224.524.5+7.53203.517.215.9414.614.612.64.512.7512.711.710.5511.611.311.39.75.510.4510109.18.1———69.3998.57.66.9——77.247.37.417.26.76.15.5—85.996.16.176.225.95.45—9—5.135.215.255.34.84.5—10—4.354.434.484.524.442.112——3.263.323.363.393.411.714———2.492.532.562.581.4161.91.941.961.2181.451.471201.080.88220.760.7520.525 吨汽车起重机起重性能表(主臂)工作半径(m)吊臂长度(m)10.213.7517.320.8524.427.9531.532517.53.520.617.512.29.541817.512.29.54.516.315.312.29.57.5514.514.412.29.57.55.513.513.212.29.57.57612.312.211.39.27.575.16.511.21110.58.87.575.1710.2109.88.57.275.17.59.49.29.18.16.86.75.188.68.48.47.86.66.45.18.587.97.87.46.37.2597.276.866.14.81065.85.65.65.34.41244.14.14.23.93.7142.933.12.93162.22.32.22.3181.61.81.71.7201.31.31.32210.91240.70.8260.50.5280.4290.33025 吨汽车起重机起重性能表(副臂)主臂主角7.5 副臂副臂倾角 5 度副臂倾角 30 度80 度2.51.2575 度2.51.2570 度2.051.1565 度1.751.130 吨汽车起重机性能表(一)主要技术参数主臂起重性能工作半径(m)支腿全伸不用支腿名称参数10.00m17.00m24.00m31.00m10.00m全车总重32.2t330208最大爬坡能力31%3.3530207最大提升咼度34・00m3.528.1206.4吊臂全伸时长度31.00m424.2205.1吊臂全缩时长度10.00m4.521.420134.2最小转弯半径11.50m4.82020133.7最大仰角80°519.219.2133.430t 吊钩重0.35t5.517.517.5132.812t 吊钩重0.20t61616132.34t 吊钩重0.10t6.514.614.61391.910m 吊臂时钢丝绳数8 根713.513.51291.610-17m 时钢丝绳数5 根7.5121211.291.324m 时钢丝绳数4 根810.510.510.59131m 时钢丝绳数3 根8.59.49.499.87.27.27.7106.956.957.5115.85.86.4124.9...

1、当您付费下载文档后,您只拥有了使用权限,并不意味着购买了版权,文档只能用于自身使用,不得用于其他商业用途(如 [转卖]进行直接盈利或[编辑后售卖]进行间接盈利)。
2、本站所有内容均由合作方或网友上传,本站不对文档的完整性、权威性及其观点立场正确性做任何保证或承诺!文档内容仅供研究参考,付费前请自行鉴别。
3、如文档内容存在违规,或者侵犯商业秘密、侵犯著作权等,请点击“违规举报”。

碎片内容

吊车参数表资料

确认删除?
VIP
微信客服
  • 扫码咨询
会员Q群
  • 会员专属群点击这里加入QQ群
客服邮箱
回到顶部