电脑桌面
添加小米粒文库到电脑桌面
安装后可以在桌面快捷访问

地基钎探记录表

地基钎探记录表_第1页
1/71
地基钎探记录表_第2页
2/71
地基钎探记录表_第3页
3/71
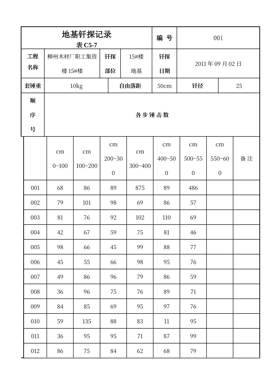
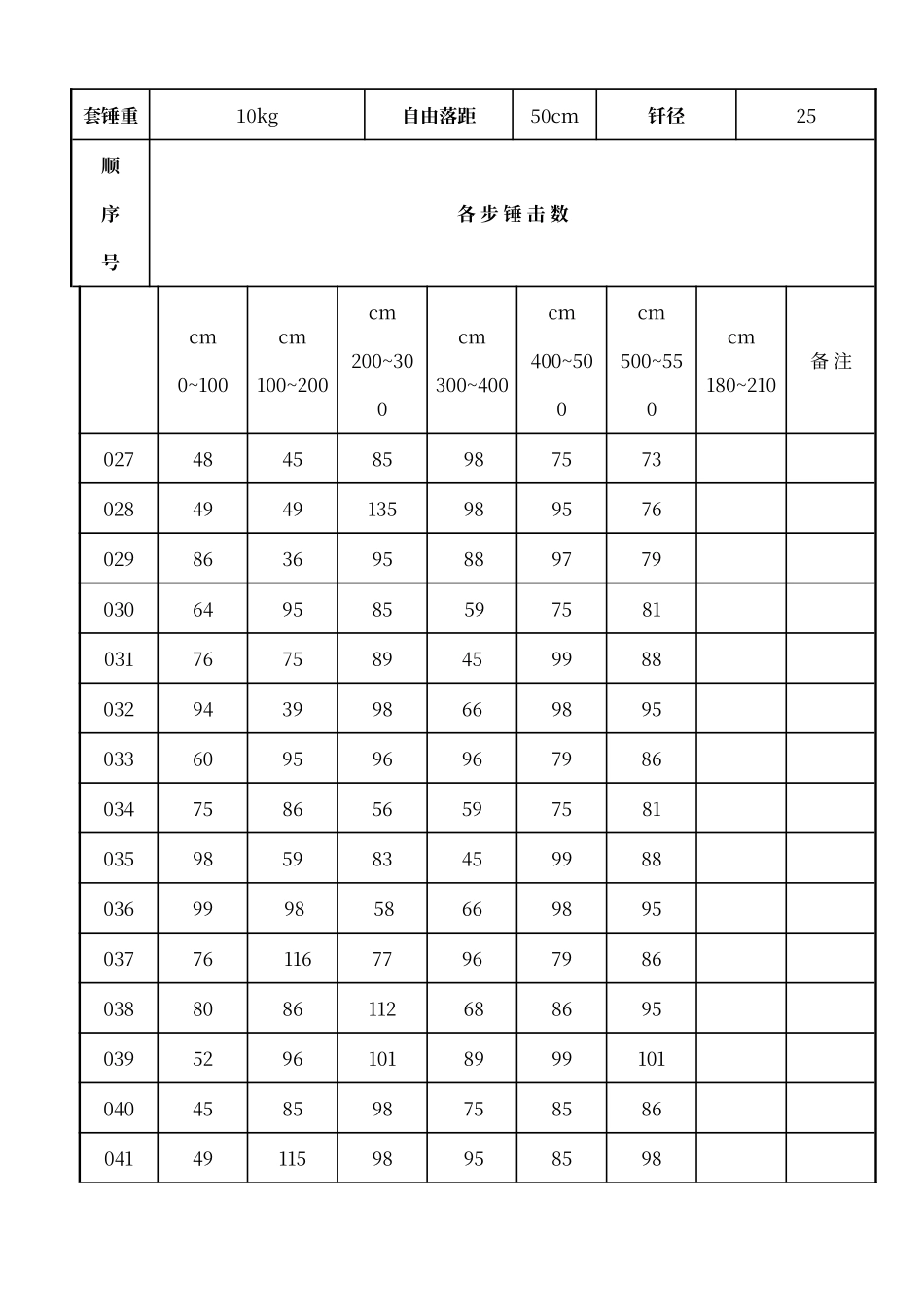
地基钎探记录表 C5-7编 号001工程名称柳州木材厂职工集资楼 15#楼钎探部位15#楼地基钎探日期2011 年 09 月 02 日套锤重10kg自由落距50cm钎径25顺序号各 步 锤 击 数cm0~100cm100~200 cm200~300cm300~400cm400~500cm500~550cm550~600备 注00168868987589486002791019869865700381769210211069004426759758146005986645998877006455566989576007498696798659008369675768971009848569959776010591358883119501136959571879901286758462687901399399675799601485958596951230158586623289950165759482484910175258971995970189493771770860196810369299885020721528434103850215979274289860229197461884840236612357238697024771092232897902589986746761120269091932696101施工单位十一冶建设集团有限责任公司专业技术负责人专业工长记录人附:钎探点布置图本表由施工单位填写,建设单位、施工单位和城建档案馆各保存一份地基钎探记录表 C5-7编 号002工程名称国防大学离退休干部住房工程钎探部位101#楼地基钎探日期2007 年 09 月 12 日套锤重10kg自由落距50cm钎径25顺序号各 步 锤 击 数cm0~100cm100~200 cm200~300 cm300~400cm400~500cm500~550cm180~210备 注0274845859875730284949135989576029863695889779030649585 5975810317675894599880329439986698950336095969679860347586565975810359859834599880369998586698950377611677967986038808611268869503952961018999101040458598758586041491159895859804236958897868704384759799588904499396998867504598953879993904679868775859504776599899858604895583698575904910192112799210105011686367593960519578887699970521099879817982施工单位十一冶建设集团有限责任公司专业技术负责人专业工长记录人附:钎探点布置图本表由施工单位填写,建设单位、施工单位和城建档案馆各保存一份地基钎探记录表 C5-7编 号003工程名称国防大学离退休干部住房工程钎探部位101#楼地基钎探日期2007 年 09 月 12 日套锤重10kg自由落距50cm钎径25顺序各 步 锤 击 数号cm0~100cm100~200cm200~300cm300~400cm400~500cm500~550cm180~210备 注05376856899647505484986998651060558996798649135056956785863695057768476718475058714959999939059593687798286060857987768679061498784869579062118102967682740638511685859476064819662956986065969548895981066757689808...

1、当您付费下载文档后,您只拥有了使用权限,并不意味着购买了版权,文档只能用于自身使用,不得用于其他商业用途(如 [转卖]进行直接盈利或[编辑后售卖]进行间接盈利)。
2、本站所有内容均由合作方或网友上传,本站不对文档的完整性、权威性及其观点立场正确性做任何保证或承诺!文档内容仅供研究参考,付费前请自行鉴别。
3、如文档内容存在违规,或者侵犯商业秘密、侵犯著作权等,请点击“违规举报”。

碎片内容

地基钎探记录表

确认删除?
VIP
微信客服
  • 扫码咨询
会员Q群
  • 会员专属群点击这里加入QQ群
客服邮箱
回到顶部