电脑桌面
添加小米粒文库到电脑桌面
安装后可以在桌面快捷访问

航力隧道防火板施工详解-安装节点图

航力隧道防火板施工详解-安装节点图_第1页
1/12
航力隧道防火板施工详解-安装节点图_第2页
2/12
航力隧道防火板施工详解-安装节点图_第3页
3/12
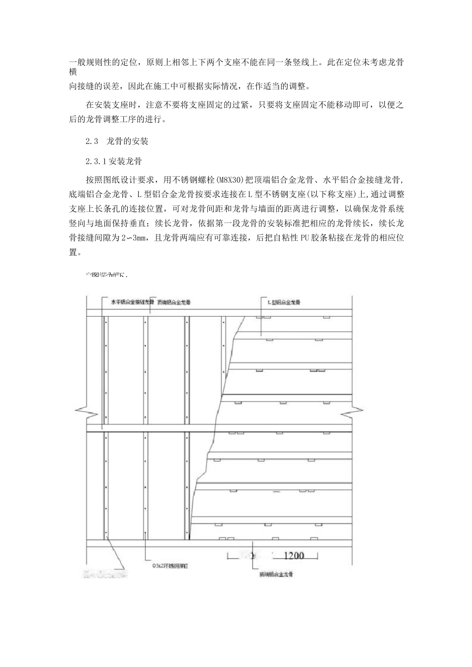
航力隧道防火板施工详解1、安装工艺流程及所需配件1.1 安装工艺流程1.2 所需配件及其用途1)L 型不锈钢支座:用于与墙体的连接和龙骨的承接;2)顶端铝合金龙骨:用于上方装饰板顶端的固定;3)水平铝合金接缝龙骨:用于上方装饰板底端及下方装饰板顶端的固定;4)底端铝合金龙骨:用于下方装饰板底端的固定;5)L 型铝合金龙骨:用于将装饰板与龙骨更好的粘接;6)竖向铝合金龙骨:用于装饰板竖缝的处理。7)不锈钢膨胀螺栓(M10X100)、不锈钢螺母(M10)、平垫圈、弹簧垫圈:用于将L 型不锈钢支座固定在墙体上;8)不锈钢螺母(M8)、不锈钢螺栓(M8X30)、平垫圈、弹簧垫圈:用于将横向龙骨固定在 L 型不锈钢支座上;9)不锈钢铆钉(① 5X25):用于固定竖向铝合金龙骨。10)PE 胶条:用于装饰板与龙骨的粘接。附:部分配件图顶端铝合金龙骨水平铝合金接缝竝骨竖向铝合金龙骨62、施工方法2.1放线根据施工图纸,以边墙顶部为标准在墙上放线。保证隧道内所有横向装饰线条应与边墙顶部平行,并保持线条的流畅性。然后再按照施工图中要求标记出各个 L 型不锈钢支座的位置。在放水平线时设置弹线点相距不大于 3m,每次弹线误差不大于 3mm,并每隔 1Om校正一次,消除误差。2.2L 型不锈钢支座(以下称支座)的安装根据设计图纸,在隧道侧墙壁上弹线,定位;定出各龙骨在支座上的连接点。在定好位置的地方用不锈钢膨胀螺栓(M1OX1OO)把支座连接在墙上,固定时应保证支座水平。(注意:设计图纸上固定支座的定位,只是一般规则性的定位,未考虑接缝的误差,龙骨接缝的误差以及施工中的误差,因此在施工中可根据实际情况,在作适当的调整。)支座是承托整个系统的重要部件。在定好位置标记的地方用不锈钢膨胀螺栓(M1OX1OO)和不锈钢螺母(M10)将支座连接在混凝土墙上,注意支座本身的安装方位应严格按照图纸所示进行,且终固定时应保持所有支座在一条水平直线上。设计图纸上固定支座的定位,只是II图示如下:空向铝合鐵12£0:一般规则性的定位,原则上相邻上下两个支座不能在同一条竖线上。此在定位未考虑龙骨横向接缝的误差,因此在施工中可根据实际情况,在作适当的调整。在安装支座时,注意不要将支座固定的过紧,只要将支座固定不能移动即可,以便之后的龙骨调整工序的进行。2.3龙骨的安装2.3.1 安装龙骨按照图纸设计要求,用不锈钢螺栓(M8X30)把顶端铝合金龙骨、水平铝合金接缝龙骨,底端铝合金龙骨、L 型铝合金龙骨按要求连接在 L 型不锈钢...

1、当您付费下载文档后,您只拥有了使用权限,并不意味着购买了版权,文档只能用于自身使用,不得用于其他商业用途(如 [转卖]进行直接盈利或[编辑后售卖]进行间接盈利)。
2、本站所有内容均由合作方或网友上传,本站不对文档的完整性、权威性及其观点立场正确性做任何保证或承诺!文档内容仅供研究参考,付费前请自行鉴别。
3、如文档内容存在违规,或者侵犯商业秘密、侵犯著作权等,请点击“违规举报”。

碎片内容

航力隧道防火板施工详解-安装节点图

确认删除?
VIP
微信客服
  • 扫码咨询
会员Q群
  • 会员专属群点击这里加入QQ群
客服邮箱
回到顶部