电脑桌面
添加小米粒文库到电脑桌面
安装后可以在桌面快捷访问

工序能力指数的判断与计算

工序能力指数的判断与计算_第1页
1/8
工序能力指数的判断与计算_第2页
2/8
工序能力指数的判断与计算_第3页
3/8
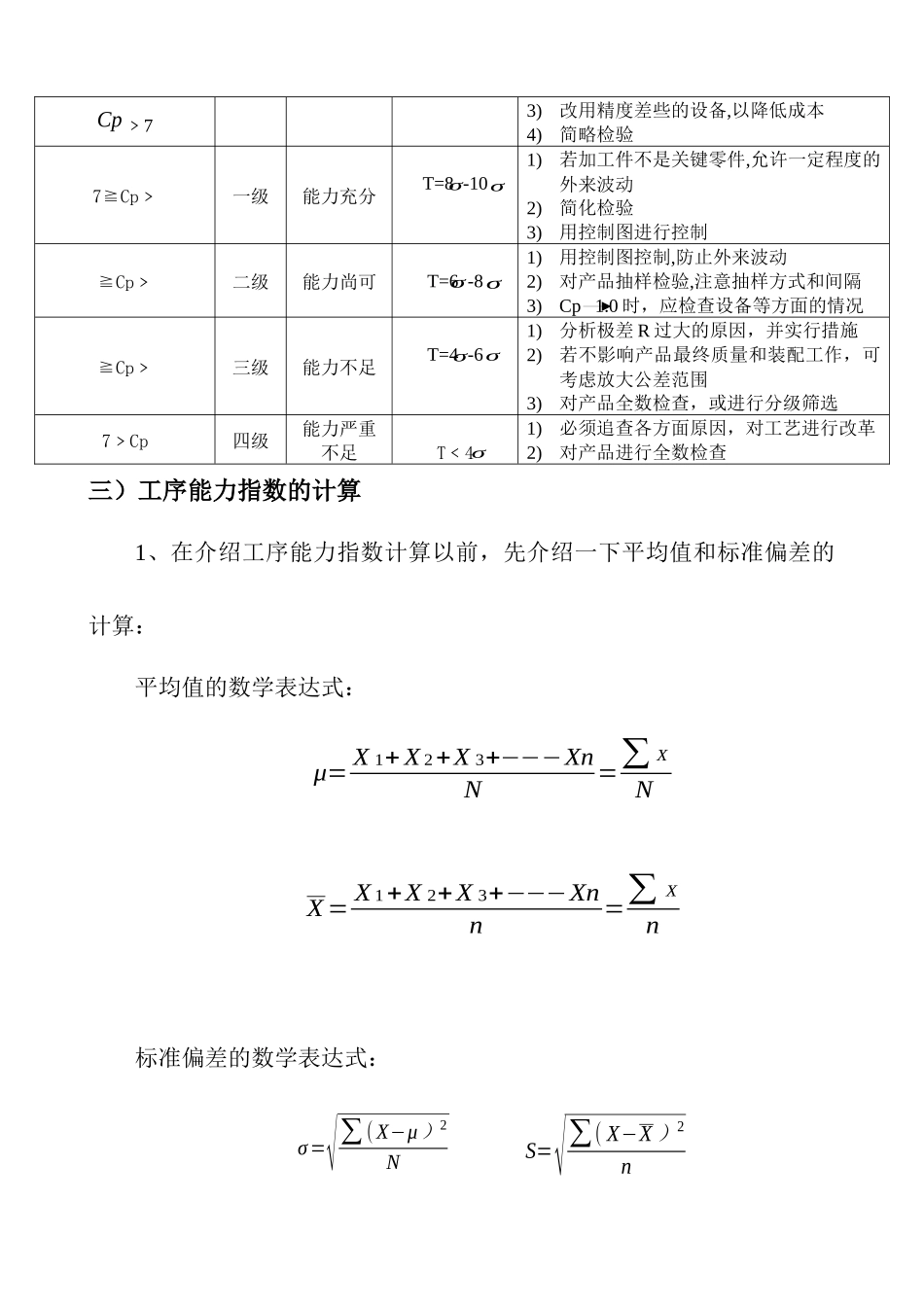
工序能力指数(CPK)一)工序能力和工序能力指数工序能力,是指工序在一定时间,处于控制状态(稳定状态)下的实际加工能力,它是工序固有的能力,或者说它是工序保持质量的能力。这里所指的工序,是指操作作者、机器、原材料、工艺方法和生产环境等五个基本质量因素综合作用的过程,也就是产品质量的生产过程,产品质量也就是工序中的各个质量因素的起作用的综合表现。对于任何生产过程,产品质量总是分散地存在着,若工序能力越高,则产品质量特性值的分散就会越小;若工序能力低,则产品质量特性值的分散就会越大,那么,应当用一个什么样的量来描述生产过程所造成的总分散呢?通常,都用 6 (即时 )来表示工序能力:工序能力为=6 。若用符号 P 来表示工序能力,则 P=6 (其中的 是处于稳定状态下的μ±3σσσσσ工序之标准偏差)。工序能力与一般所说的生产能力是两个不同的概念。前者是指质量上的能力,后者是指数量上的能力。工序能力是表示生产过程客观存在着分散的一个参数。但是,这个参数能否满足产品的技术要求(公差、规格等质量标准)的程度,这个参数就叫做工序能力指数,它是技术要求和工序能力的比值,即:当分布中心与公差中心重合时,工序能力指数记为 Cp,当分布中心与公差中心偏离时,工序能力指数记为 CPK,运用工序能力指数,可以帮助我们掌握生产过程的质量水平。二)工序能力指数的推断工序的质量水平按 Cp 值可以划分为 5 个等级。按其等级的高低,在管理上可作以下推断和处理,该表中的分级推断和处理对于 CPK 也同样运用。工序能力指数的分级推断和处置参考表Cp 值级别推断变侧公差范围(T)处置特级能力过高T﹥10 1)可将公差缩小到约±4 的范围2)允许较大的外来波动,以提高效率工序能力指数=技术要求工序能力σσCp7﹥3)改用精度差些的设备,以降低成本4)简略检验7≧Cp﹥一级能力充分T=8 -10 1)若加工件不是关键零件,允许一定程度的外来波动2)简化检验3)用控制图进行控制≧Cp﹥二级能力尚可T=6 -8 1)用控制图控制,防止外来波动2)对产品抽样检验,注意抽样方式和间隔3)Cp 1.0 时,应检查设备等方面的情况≧Cp﹥三级能力不足T=4 -6 1)分析极差 R 过大的原因,并实行措施2)若不影响产品最终质量和装配工作,可考虑放大公差范围3)对产品全数检查,或进行分级筛选7﹥Cp四级能力严重不足T﹤4 1)必须追查各方面原因,对工艺进行改革2)对产品进行全数检查三)工序能力指数的计算1、在介绍工序...

1、当您付费下载文档后,您只拥有了使用权限,并不意味着购买了版权,文档只能用于自身使用,不得用于其他商业用途(如 [转卖]进行直接盈利或[编辑后售卖]进行间接盈利)。
2、本站所有内容均由合作方或网友上传,本站不对文档的完整性、权威性及其观点立场正确性做任何保证或承诺!文档内容仅供研究参考,付费前请自行鉴别。
3、如文档内容存在违规,或者侵犯商业秘密、侵犯著作权等,请点击“违规举报”。

碎片内容

工序能力指数的判断与计算

您可能关注的文档

确认删除?
VIP
微信客服
  • 扫码咨询
会员Q群
  • 会员专属群点击这里加入QQ群
客服邮箱
回到顶部