电脑桌面
添加小米粒文库到电脑桌面
安装后可以在桌面快捷访问

(完整版)CPLD选型

(完整版)CPLD选型_第1页
1/11
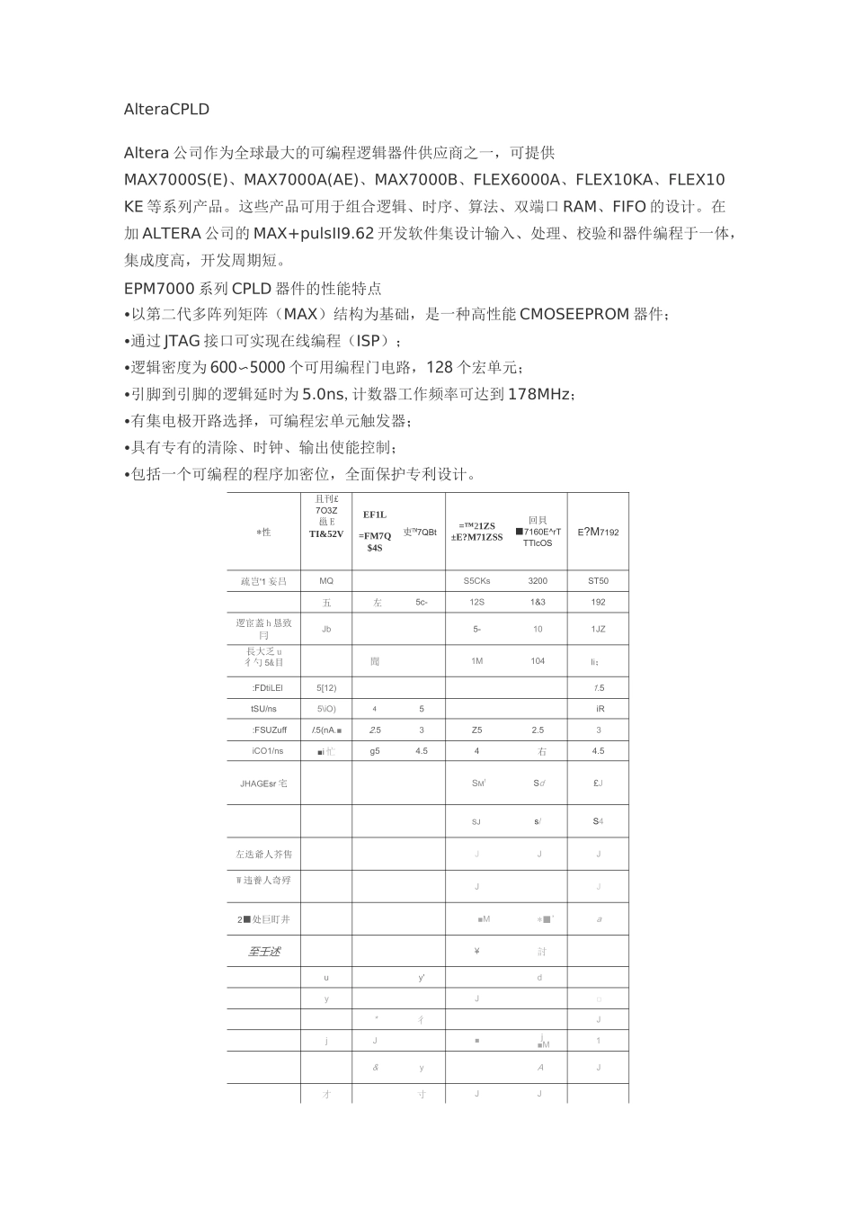
(完整版)CPLD选型_第2页
2/11
(完整版)CPLD选型_第3页
3/11
经过几十年的发展,全球各大开发商和供货商都开发出了多种可编程逻辑器件.比较典型的就是 Xilinx 公司的 FPGA 器件和 Altera 公司的 CPLD 器件系列,他们开发较早,占有大部分市场?在欧洲用 Xilinx 的人多,而 Altera 公司占有日本和亚太地区的大部分市场,在美国则是平分秋色。以上两家公司占有了全球 60%以上的市场份额,他们共同决定了 PLD 技术的发展方向。Lattice 公司在 1999 年收购了 Vantis,成为第三大 PLD 供应商。其它供货商还有 Actel,Quicklogic,Lucent 等等,下面作一简要介绍:Altera 公司是 90 年代以后发展最快、最大的可编程逻辑器件供应商之一。主要产品有:MAX3000/7000,FLEX10K,APEX20K,ACEX1K,Stratix,Cyclone 等;开发软件为 MaxplusII 和 QuartusII。其中 MaxplusH 是公认的最成功的 PLD 开发平台之一,配合使用 Altera 公司提供的免费 OEMHDL 综合工具可以达到最高的效率。公司提供免费试用版或演示版(当然商业版大都要收费的),可以免费从其公司网站上下载 MaxplusI(BASELINE版或学生版),或向其代理商索取该软件,然后再从其专业网站上申请注册文件 license 进行注册以后便可使用。这套软件能够满足一般学习和简单开发的要求?Xilinx 公司是 FPGA 的发明者,也是全球最大的可编程逻辑器件的供应商之一。产品种类较全,主要有:XC9500/4000,Coolrunner(XPLA3),Spartan,Virtex 等;开发软件为Foundation 和 ISE。ISE(IntegratedSystemConfiguration)提供从设计输入、仿真、编译、布局布线和下载的全程功能,其最新版本为 6.1 版,支持 Xilinx 公司推出的所有最新的FPGA 器件,如 Virtex-IPro,Virtex-I,Spartan-IE 和 coolrunner-I。该公司推出免费软件:WEBPACK。同样也需要在其专业网站上申请授权文件进行注册才能使用。近年来,Xilinx 在其 FPGA 里固化了各种硬核,如存储器,时钟管理和算术功能,其最新的成果是在FPGA 里集成了硬 CPUcore 和高速串行 I/Ocore,具有通过 Internet 重配置逻辑的功能。Lattice 是 ISP 技术的发明者,ISP 技术极大的促进了 PLD 产品的发展。与上两家公司相比,其开发工具略逊一筹。中小规模的可编程逻辑器件较有特色。1999 年推出可编程模拟器件,同年收购了 Vantis(原 AMD 子公司),成为第三大可编程逻辑器件供应商。于 2001 收购Agere 公司(原 Lucent 微电子部)的 FPGA 部门。主要产品有 ispLSI2000/5000/8000,MACH...

1、当您付费下载文档后,您只拥有了使用权限,并不意味着购买了版权,文档只能用于自身使用,不得用于其他商业用途(如 [转卖]进行直接盈利或[编辑后售卖]进行间接盈利)。
2、本站所有内容均由合作方或网友上传,本站不对文档的完整性、权威性及其观点立场正确性做任何保证或承诺!文档内容仅供研究参考,付费前请自行鉴别。
3、如文档内容存在违规,或者侵犯商业秘密、侵犯著作权等,请点击“违规举报”。

碎片内容

(完整版)CPLD选型

确认删除?
VIP
微信客服
  • 扫码咨询
会员Q群
  • 会员专属群点击这里加入QQ群
客服邮箱
回到顶部