目 录第一章 CNC概述第二章 CNC基本硬件第三章 I/O模块第四章 选项板及附件附录系 统 分 册0i-F系列CNC基本单元/显示器/MDI单元30i...
支吊架选型计算书一、支架简图二、已知条件支架间距设置(米):8水管保温厚度(米):0.05管径(mm)壁厚(m)外径(m)内径(m)每米管重(kg)...
PCS-9705TA/B/C/D/E 测控装置选型指南 2.1 PCS-9705TAB02B01NR6401A4CT/5PT01Ua02 Ub03Uc04 Un043U006 3U0n07Ux08 Uxn09 10 11 1...
光伏发电站晶体硅光伏组件选型技术规范光伏组件 PV module光伏组件(也叫太阳能电池板)是太阳能发电系统中的核心部分,也是太阳能发电系...
10kv 配电间调试方案设计 前 言在市场经济发展过程中,电力所作出的贡献可以说是不言而喻的,对各个行业都有着十分深远的影响。作为配电...
挂篮的比较与选择1, 概述随着现代桥梁技术的进展,由于桥式结构的不同,其上部结构的施工方法也各不一样。对于主梁采纳预应力钢筋混凝土...
ERP 选型步骤及实施步骤第一, 寻找供应商,发出邀请通知。参考各种媒体信息选择 ERP 供应商,发出邀请。这些供应商的选择应该有所侧重,...
住宅电梯选型建筑标准花样年地产集团技术部2025 年 1 月编制目 录1. 总 则 ---———--—-—-———--—-——-———-—--—--—-—...
低压断路器一、低压断路器的分类 低压断路器(曾称自动开关)是一种不仅可以接通和分断正常负荷电流和过负荷电流,还可以接通和分断短路电...
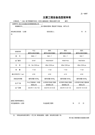
JL—A007 主要工程设备选型报审表 工程名称:”三纵一横"景观提升项目—天府大道南延线一期综合提升工程 编号:监理单位 四川元丰建设项...
LNG 工艺设备选型推举通过近阶段与国内几家 LNG 工艺包单位和关键设备厂家的技术沟通和到 LNG工厂的参观学习,我们对 LNG 工艺和设备...
IT 规划的基本概念IT 规划,从表面意思上看,是侧重于信息化的规划。虽然定义很简单,但在具体的规划项目中还是要分清,什么样的企业用哪...
eHR 选型:综合厂商还是专业厂商宏景软件高级咨询顾问 展舸企业 eHR 选型过程中让人力资源和信息化管理部门最为纠结的一个问题就是,究...
目录1.如何确定机组型号2.AHU 定义及常用场合功能排布3.各种功能段使用介绍第一部分如何确定机组型号1.箱体(客户有要求的除外)箱体...
离心式通风机设计通风机的设计包括气动设计计算,结构设计和强度计算等内容。这一章主要讲第一方面,而且通风机的气动设计分相似设计和理论...
高层建筑结构设计及结构选型初探高层建筑结构设计及结构选型初探 摘要:随着我国国民经济的高速进展,城市高层建筑建设进展迅速,但从设计...
隔膜式气压水罐选型计算 1、隔膜式气压水罐容积的确定1.1 气压罐总容积可按下式计算: V=β V×1/(1-αb) 式中 V—气压罐的总容积...
隔膜泵选型和分类作用摘要:主要阐述了隔膜泵的组成和分类,以及调节间的类型、执行机构、作用方式、流量特性等选择原则和方法,并对调节阎...
造 价 咨 询 单 位选 型 文 件选 型 单 位 : 2025 年 7 月 目 录第一章 选型邀请书1.1 选型邀请书第二章 参选人须知...
目 录第一节 塔吊的选型及垂直运输方案.............................................2第二节 施工电梯的选型及运行方案.................

