电脑桌面
添加小米粒文库到电脑桌面
安装后可以在桌面快捷访问

20消火栓灭火系统安装作业指导书

20消火栓灭火系统安装作业指导书_第1页
1/6
20消火栓灭火系统安装作业指导书_第2页
2/6
20消火栓灭火系统安装作业指导书_第3页
3/6
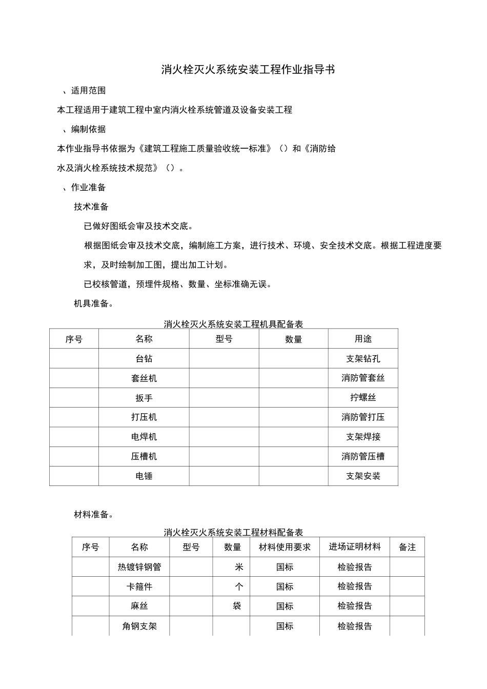
消火栓灭火系统安装工程作业指导书、适用范围本工程适用于建筑工程中室内消火栓系统管道及设备安装工程、编制依据本作业指导书依据为《建筑工程施工质量验收统一标准》()和《消防给水及消火栓系统技术规范》()。、作业准备技术准备已做好图纸会审及技术交底。根据图纸会审及技术交底,编制施工方案,进行技术、环境、安全技术交底。根据工程进度要求,及时绘制加工图,提出加工计划。已校核管道,预埋件规格、数量、坐标准确无误。机具准备。消火栓灭火系统安装工程机具配备表序号名称型号数量用途台钻支架钻孔套丝机消防管套丝扳手拧螺丝打压机消防管打压电焊机支架焊接压槽机消防管压槽电锤支架安装材料准备。消火栓灭火系统安装工程材料配备表序号名称型号数量材料使用要求进场证明材料备注热镀锌钢管米国标检验报告卡箍件个国标检验报告麻丝袋国标检验报告角钢支架国标检验报告压力表块国标检验报告油漆桶国标检验报告螺纹直接个国标检验报告消火栓箱套国标检验报告检验试验工作的内容消火栓灭火系统安装工程试验检测计划表序号名称检测频率检测项目本工程检测数量备注强度试验管道耐压强度米、施工工艺流程管道定位、放线 f 支架、吊架制作安装 f 干管安装 f 管道分区、分系统强度试验 f 消防设备安装 f系统强度试验 f 管道冲洗 f 消火栓安装 f 系统通水调试、施工要求管道定位放线按照图纸确定的标高,位置及坡度测放位置线施工图纸对管道的标高和平面尺寸无标注时,应按有关规定要求定位、放线。支架、吊架制作安装立管安装在竖井内时,应在管道井内预埋铁件上安装支架,卡件固定,支吊架要牢固,防止立管下坠。活动支架和固定支架形式、规格均应按照设计或标准图集要求制作、安装。材质及加工尺寸应符合设计要求及国家有关规定。支吊架要固定牢靠,外观整洁美观。干管安装采用普通钢管时,管道连接方式为焊接连接,采用镀锌钢管时,若管道直径小于,采用丝接,若管道直径大于,采用沟槽连接。管道分区、分系统强度试验按设计规定的试验压力分层分系统进行水压试验,一般当系统设计工作压力等于或小于时,水压强度试验压力为设计压力的倍,并不小于,当系统设计工作压力大于时,水压强度试验压力应为该工作压力加。但不大于O水压强度试验的测试点应设在系统的最低点,向管网注水时,应缓慢升压,并及时排尽管网内的空气,系统达到试验压力后,稳压分钟,目测管网无变形、无渗漏且压力降不大于。水压严密性试验根据工程进...

1、当您付费下载文档后,您只拥有了使用权限,并不意味着购买了版权,文档只能用于自身使用,不得用于其他商业用途(如 [转卖]进行直接盈利或[编辑后售卖]进行间接盈利)。
2、本站所有内容均由合作方或网友上传,本站不对文档的完整性、权威性及其观点立场正确性做任何保证或承诺!文档内容仅供研究参考,付费前请自行鉴别。
3、如文档内容存在违规,或者侵犯商业秘密、侵犯著作权等,请点击“违规举报”。

碎片内容

20消火栓灭火系统安装作业指导书

确认删除?
VIP
微信客服
  • 扫码咨询
会员Q群
  • 会员专属群点击这里加入QQ群
客服邮箱
回到顶部