电脑桌面
添加小米粒文库到电脑桌面
安装后可以在桌面快捷访问

火力发电工程建设标准强制性条文执行表格第6部分管道分册

火力发电工程建设标准强制性条文执行表格第6部分管道分册_第1页
1/57
火力发电工程建设标准强制性条文执行表格第6部分管道分册_第2页
2/57
火力发电工程建设标准强制性条文执行表格第6部分管道分册_第3页
3/57
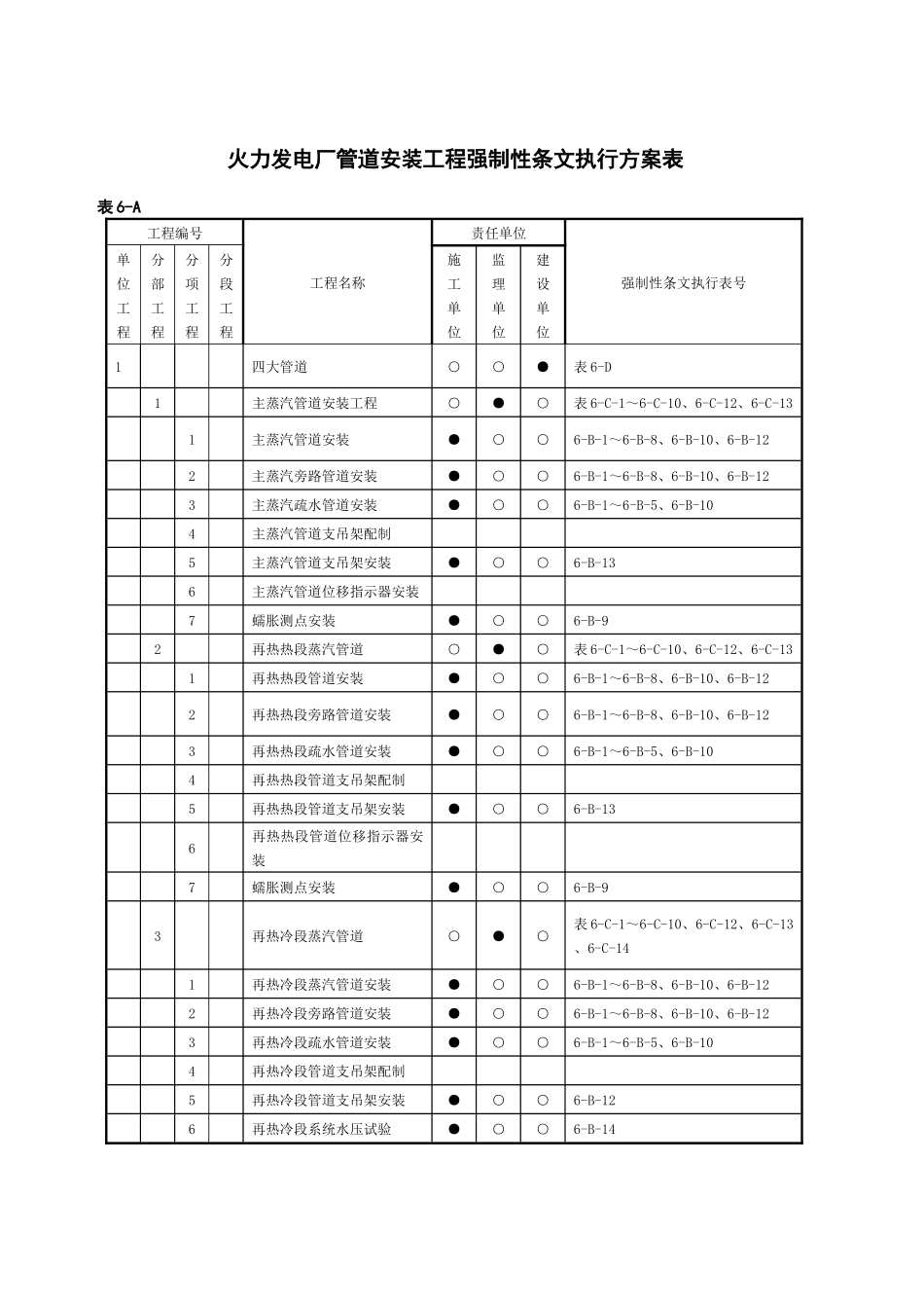
强制性条文执行方案表火力发电厂管道安装工程强制性条文执行方案表表 6-A工程编号工程名称责任单位强制性条文执行表号单位工程分部工程分项工程分段工程施工单位监理单位建设单位1四大管道○○●表 6-D1主蒸汽管道安装工程○●○表 6-C-1~6-C-10、6-C-12、6-C-131主蒸汽管道安装●○○6-B-1~6-B-8、6-B-10、6-B-122主蒸汽旁路管道安装●○○6-B-1~6-B-8、6-B-10、6-B-123主蒸汽疏水管道安装●○○6-B-1~6-B-5、6-B-104主蒸汽管道支吊架配制5主蒸汽管道支吊架安装●○○6-B-136主蒸汽管道位移指示器安装7蠕胀测点安装●○○6-B-92再热热段蒸汽管道○●○表 6-C-1~6-C-10、6-C-12、6-C-131再热热段管道安装●○○6-B-1~6-B-8、6-B-10、6-B-122再热热段旁路管道安装●○○6-B-1~6-B-8、6-B-10、6-B-123再热热段疏水管道安装●○○6-B-1~6-B-5、6-B-104再热热段管道支吊架配制5再热热段管道支吊架安装●○○6-B-136再热热段管道位移指示器安装7蠕胀测点安装●○○6-B-93再热冷段蒸汽管道○●○表 6-C-1~6-C-10、6-C-12、6-C-13 、6-C-141再热冷段蒸汽管道安装●○○6-B-1~6-B-8、6-B-10、6-B-122再热冷段旁路管道安装●○○6-B-1~6-B-8、6-B-10、6-B-123再热冷段疏水管道安装●○○6-B-1~6-B-5、6-B-104再热冷段管道支吊架配制5再热冷段管道支吊架安装●○○6-B-126再热冷段系统水压试验●○○6-B-14表 6-A 续 1工程编号工程名称责任单位强制性条文执行表号单位工程分部工程分项工程分段工程施工单位监理单位建设单位4高压给水管道○●○表 6-C-1 、 6-C-4 ~ 6-C-8 、 6-C-10、6-C-13、6-C-141高压给水〔含旁路〕管道安装●○○6-B-1、6-B-2、6-B-4~6-B-8、6-B-102再循环管道安装●○○6-B-1、6-B-2、6-B-4~6-B-8、6-B-103高压减温水管道安装 ●○○6-B-1、6-B-2、6-B-4~6-B-8、6-B-104放水、放空管道安装 ●○○6-B-65管道支吊架配制6管道支吊架安装 ●○○6-B-137系统水压试验 ●○○6-B-145本体定型管道安装○●○表 6-C-1~6-C-5、6-C-12、6-C-131高压导汽管道安装 ●○○6-B-1~6-B-5、6-B-122中压导汽管道安装●○○6-B-1~6-B-5、6-B-123疏水管道安装●○6-B-1、6-B-2、6-B-3、6-B-54支吊架配制5支吊架安装●○○6-B-136高压管道吹冲洗检查○●○表 6-C-151主汽、冷段、热段吹洗检查●○○6-B-152给水系统冲洗检查●○○6-B-152中、低压管道○○●表 6-D1凝聚水管道安装工程○●○表 6-C-1、6-C-4、6-...

1、当您付费下载文档后,您只拥有了使用权限,并不意味着购买了版权,文档只能用于自身使用,不得用于其他商业用途(如 [转卖]进行直接盈利或[编辑后售卖]进行间接盈利)。
2、本站所有内容均由合作方或网友上传,本站不对文档的完整性、权威性及其观点立场正确性做任何保证或承诺!文档内容仅供研究参考,付费前请自行鉴别。
3、如文档内容存在违规,或者侵犯商业秘密、侵犯著作权等,请点击“违规举报”。

碎片内容

火力发电工程建设标准强制性条文执行表格第6部分管道分册

确认删除?
VIP
微信客服
  • 扫码咨询
会员Q群
  • 会员专属群点击这里加入QQ群
客服邮箱
回到顶部