电脑桌面
添加小米粒文库到电脑桌面
安装后可以在桌面快捷访问

矿井通风系统调整安全技术措施

矿井通风系统调整安全技术措施_第1页
1/8
矿井通风系统调整安全技术措施_第2页
2/8
矿井通风系统调整安全技术措施_第3页
3/8
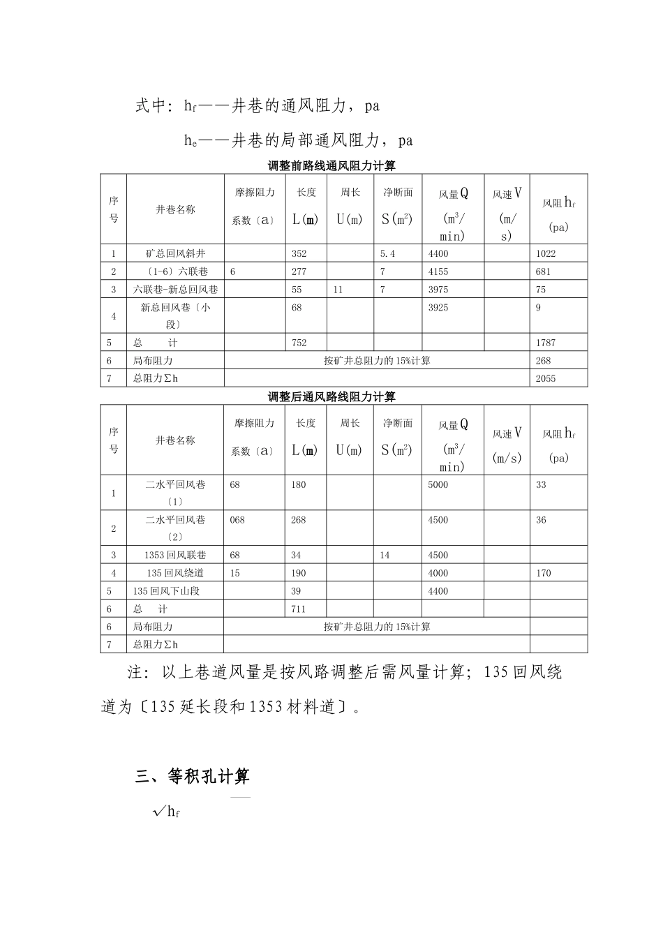
矿井通风系统调整设计及平安技术措施第一章、矿井通风系统现状及存在问题一、通风系统现状我矿通风方式为中央并列式,通风方法为抽出式。地面安设 2 台同型号对旋轴流式扇风机〔1 用 1 备〕;主扇型号为型,额定功率为 2×355kw,风量范围 4500~10200m3/min,风压范围:860~5120Pa。目前矿井实际总回风量为 5400m3/min,负压为2600Pa。二、存在问题主要存在以下几方面问题:1、回风斜井断面小,风速高达 13.5m/s,不符合?煤矿平安规程?规定;2、通风负压大,屡次造成 1501 采空区自燃发火;3、主扇耗电量大,同时损坏频率高;4、随着矿井生产能力提高,风量不能满足生产需要。第二章 通风阻力计算及调整方案第一节 通风阻力计算调整通风系统前,应先对调整前后的通风阻力进行计算分析;只有在有利于提高矿井通风能力的前提下,方可进行通风系统调整。一、通风阻力计算公式如下1、矿井通风阻力计算摩擦阻力的计算:hf=RfQ2 pa 式中:hf——井巷的摩擦阻力,pa; Rf——井巷的摩擦风阻,Ku; Q——井巷风量,m3/s其中:Rf=αLU/S3 式中:α——井巷的摩擦阻力系数; L——井巷的长度;m U——井巷周边长度,m S——井巷的断面积,m2式中摩擦阻力系数〔α 值〕在?矿井通风?中查表得出2、局部阻力的计算根据?煤炭工业设计标准?的规定,局部阻力不单独计算,取摩擦阻力的 15%作为局部阻力,即:he=hf×15% 通风阻力的计算h=he+hf 式中:hf——井巷的通风阻力,pahe——井巷的局部通风阻力,pa调整前路线通风阻力计算序号井巷名称摩擦阻力系数〔a〕长度L(m)周长U(m)净断面S(m2)风量Q(m3/min)风速V(m/s)风阻hf(pa)1矿总回风斜井3525.4440010222〔1-6〕六联巷6277741556813六联巷-新总回风巷551173975754新总回风巷〔小段〕68392595总 计75217876局布阻力按矿井总阻力的 15%计算2687总阻力∑h2055调整后通风路线阻力计算序号井巷名称摩擦阻力系数〔a〕长度L(m)周长U(m)净断面S(m2)风量Q(m3/min)风速V(m/s)风阻hf(pa)1二水平回风巷〔1〕681805000332二水平回风巷〔2〕06826845003631353 回风联巷68341445004135 回风绕道1519040001705135 回风下山段3944006总 计7116局布阻力按矿井总阻力的 15%计算7总阻力∑h 注:以上巷道风量是按风路调整后需风量计算;135 回风绕道为〔135 延长段和 1353 材料道〕。三、等积孔计算√hf 式中:A——通风等积孔,m2 Q——主扇风量,m3/s hf 井巷的通风阻力,pa调整前矿井实测...

1、当您付费下载文档后,您只拥有了使用权限,并不意味着购买了版权,文档只能用于自身使用,不得用于其他商业用途(如 [转卖]进行直接盈利或[编辑后售卖]进行间接盈利)。
2、本站所有内容均由合作方或网友上传,本站不对文档的完整性、权威性及其观点立场正确性做任何保证或承诺!文档内容仅供研究参考,付费前请自行鉴别。
3、如文档内容存在违规,或者侵犯商业秘密、侵犯著作权等,请点击“违规举报”。

碎片内容

矿井通风系统调整安全技术措施

您可能关注的文档

确认删除?
VIP
微信客服
  • 扫码咨询
会员Q群
  • 会员专属群点击这里加入QQ群
客服邮箱
回到顶部