电脑桌面
添加小米粒文库到电脑桌面
安装后可以在桌面快捷访问

一级、二级、三级安全教育记录表

一级、二级、三级安全教育记录表_第1页
1/3
一级、二级、三级安全教育记录表_第2页
2/3
一级、二级、三级安全教育记录表_第3页
3/3
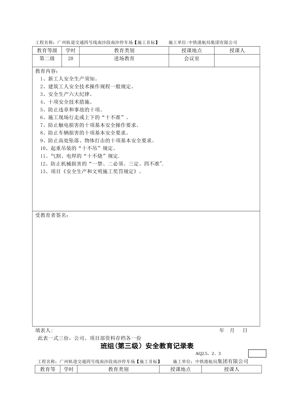
公司(第一级)安全教育记录表 AQ2。5。2.1工程名称:广州轨道交通四号线南沙段南沙停车场【施工Ⅱ标】 施工单位:中铁港航局集团有限公司教育等级学时教育类别授课地点授课人第一级15进场教育会议室教育内容一、员工在安全生产过程中权力、义务和法律责任。1、 对从业人员权利的法律规定(主要八项);2、 从业人员义务的法律规定(主要三项);3、 从业人员的法律责任.二、观澜安居商品房工程项目建筑施工环境中存在的主要危险因素。1、 基础施工作业;2、 脚手架和安全网搭拆作业;3、 模板作业;4、 高处作业;5、 施工用电;6、 焊接作业;7、 物料提升;8、 起重吊装;9、 生活区域;10、 暑期作业。三、安全事故案例.受教育者签名:填表人: 年 月 日此表一式二份,公司、项目部资料存档各一份项目部(第二级)安全教育记录表 AQ2.5。2。2工程名称:广州轨道交通四号线南沙段南沙停车场【施工Ⅱ标】 施工单位:中铁港航局集团有限公司教育等级学时教育类别授课地点授课人第二级20进场教育会议室教育内容:1、新工人安全生产须知。2、建筑工人安全技术操作规程一般规定。3、安全生产六大纪律。4、十项安全技术措施。5、防止违章和事故的十项。6、施工现场行走或上下的“十不准”。7、防止触电损害的十项基本安全操作要求。8、防止车辆损害的十项基本安全要求。9、防止高处坠落、物体打击的十项基本安全要求。10、起重吊装的“十不吊”规定。11、气割、电焊的“十不烧”规定.12、防止机械损害的“一禁、二必须、三定、四不准".13、项目《安全生产和文明施工奖罚规定》。受教育者签名:填表人: 年 月 日 此表一式三份,公司、项目部资料存档各一份班组(第三级)安全教育记录表 AQ2.5。2。3工程名称:广州轨道交通四号线南沙段南沙停车场【施工Ⅱ标】 施工单位:中铁港航局集团有限公司教育等学时教育类别授课地点授课人级第三级20进场教育会议室教育内容一:施工队负责人的安全生产职责。二:工人的安全生产职责。三:进入施工现场的基本准则.四:施工生产环节中的注意事项;1.安全帽;2。安全带;3。安全网.五:注意施工现场“四口”、“五临边”等重点防护部位的安全性及正确维护。六:正确处理交叉作业。七:正确使用手持电动工具。八:正确进行事故处理;1.紧急抢救伤员;2.正确保护现场.受教育者签名:填表人: 年 月 日此表一式三份,公司、班组、项目资料存档各一份

1、当您付费下载文档后,您只拥有了使用权限,并不意味着购买了版权,文档只能用于自身使用,不得用于其他商业用途(如 [转卖]进行直接盈利或[编辑后售卖]进行间接盈利)。
2、本站所有内容均由合作方或网友上传,本站不对文档的完整性、权威性及其观点立场正确性做任何保证或承诺!文档内容仅供研究参考,付费前请自行鉴别。
3、如文档内容存在违规,或者侵犯商业秘密、侵犯著作权等,请点击“违规举报”。

碎片内容

一级、二级、三级安全教育记录表

您可能关注的文档

确认删除?
VIP
微信客服
  • 扫码咨询
会员Q群
  • 会员专属群点击这里加入QQ群
客服邮箱
回到顶部