电脑桌面
添加小米粒文库到电脑桌面
安装后可以在桌面快捷访问

一级建造师水利水电案例分析

一级建造师水利水电案例分析_第1页
1/23
一级建造师水利水电案例分析_第2页
2/23
一级建造师水利水电案例分析_第3页
3/23
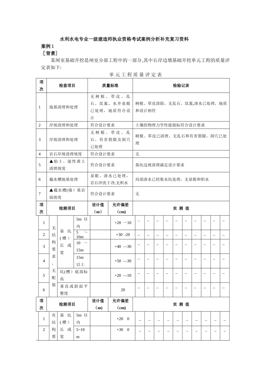
水利水电专业一级建造师执业资格考试案例分析补充复习资料案例 1[背景]某闸室基础开挖是闸室分部工程中的一部分,其中右岸边墩基础开挖单元工程的质量评定表如下:单 元 工 程 质 量 评 定 表项次检查项目质量标准检验记录1地基清理和处理无 树 根 、 草 皮 、 乱石、坟墓,水井泉眼已处理,地质符合设计树根、草皮清除,无乱石、坟墓,渗水已处理,地质和设计相符2岸坡清理和处理符合设计要求土壤的物理力学性能指标符合设计要求3岸坡清理和处理无 树 根 、 草 皮 、 乱石。有害裂隙及洞穴已处理树根、草皮已清理、无乱石和有害裂隙,洞穴已处理4岩石岸坡清理坡度符合设计要求无5▲粘土、湿性黄土清理坡度符合设计要求基坑边坡清理满足设计要求6截水槽地基处理泉眼、渗水已处理,岩石冲洗干净,无积水局部渗水已挖集水坑处理,无泉眼和积水7▲截水槽(墙)基岩面坡度符合设计要求无项次检测项目设计值(m)允许偏差(cm)实 测 值1无结构要求,无配筋基坑( 槽 )长或宽5m 以内+20 —10__________25~10m+30 -20__________310~15m+40 —30__________415m以上+50 —30__________5坑(槽)底部标高+20 —10__________6垂 直 或 斜 面 平整度20__________项次检测项目设计值(m)允许偏差(cm)实 测 值1有结构要基坑( 槽 )长或宽5m 以内+20 0__________25~10m+30 0__________求有配筋预埋件310~15m+40 0__________415m以上15×35+40 0105020304520401025205坑(槽)底部标高22。15+20 0626108157696垂 直 或 斜 面 平整度1528863081812141615检测结果共检测 30 点,其中合格率 点,合格率 %。评 定 意 见单 元 工 程 质 量 等 级注:1、“▲”后的项目为主要检查项目。 2、带“—”为未抽检值。[问题](1)找出不合格的数值,并用带“★"表示在其格内.(2)填写表格,写出评定意见及单元质量评定等级。[答案与解析](1)将实测值与允许偏差相比较,找出超出允许偏差的实测值,即为不合格的数值。(2)首先计算合格率;其次根据《水利水电基本建设工程单元工程质量等级评定标准》 “在主要检查项目符合质量标准的前提下,一般检测基本符合质量标准,检测总点数中有70%及以上符合质量标准,评为合格;检测总点数中有 90%及以上符合质量标准,评为优良。" 的有关规定,评定质量等级。本例中,检测项目实测点合格率为 80%,大于合格标准的70%,小于优良标准的 90%,故应评为“合格”。本例...

1、当您付费下载文档后,您只拥有了使用权限,并不意味着购买了版权,文档只能用于自身使用,不得用于其他商业用途(如 [转卖]进行直接盈利或[编辑后售卖]进行间接盈利)。
2、本站所有内容均由合作方或网友上传,本站不对文档的完整性、权威性及其观点立场正确性做任何保证或承诺!文档内容仅供研究参考,付费前请自行鉴别。
3、如文档内容存在违规,或者侵犯商业秘密、侵犯著作权等,请点击“违规举报”。

碎片内容

一级建造师水利水电案例分析

您可能关注的文档

确认删除?
VIP
微信客服
  • 扫码咨询
会员Q群
  • 会员专属群点击这里加入QQ群
客服邮箱
回到顶部