电脑桌面
添加小米粒文库到电脑桌面
安装后可以在桌面快捷访问

人防隐蔽工程验收记录

人防隐蔽工程验收记录_第1页
1/15
人防隐蔽工程验收记录_第2页
2/15
人防隐蔽工程验收记录_第3页
3/15
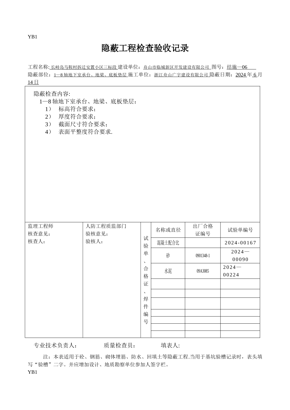
YB1隐蔽工程检查验收记录工程名称: 长峙岛马鞍村拆迁安置小区三标段 建设单位:舟山市临城新区开发建设有限公司 图号:结施— 06 隐蔽部位:1 — 8 轴地下室承台 、 地梁 、 底板垫层 施工单位:浙江舟山广宇建设有限公司 隐蔽日期:2024 年 6 月14 日 隐蔽检查内容:1—8 轴地下室承台、地梁、底板垫层:1) 标高符合要求;2) 厚度符合要求;3) 截面尺寸符合要求;4) 表面平整度符合要求. 监理工程师核查意见:核查人:人防工程质监部门验核意见:验核人:试验单、合格证、焊件编号名称或直径出厂合格证编号试验单编号混凝土配合比2024-00167砂0901348-12024—00090水泥09A30852024—00224专业技术负责人: 质量检查员: 填表人:注:本表适用于砼、钢筋、砌体埋筋、防水、回填土等隐蔽工程.当用于基坑验槽记录时,表头填写“验槽”二字。并应增加设计、地质勘察单位参加人签字栏。YB1隐蔽工程检查验收记录工程名称: 舟山建设大厦 C 座 建设单位:舟山市万事达房地产开发有限公司 图号: 结施 -05 隐蔽部位:1/2-8 轴地下室承台 、 地梁 、 底板垫层 施工单位:舟山市广宇建筑有限公司隐蔽日期:2024 年 7 月 日隐蔽检查内容:1/2—8 轴地下室承台、地梁、底板垫层:1) 标高符合要求;2) 厚度符合要求;3) 截面尺寸符合要求;4) 表面平整度符合要求。 监理工程师核查意见:核查人:人防工程质监部门验核意见:验核人:试验单、合格证、焊件编号名称或直径出厂合格证编号试验单编号专业技术负责人: 质量检查员: 填表人:注:本表适用于砼、钢筋、砌体埋筋、防水、回填土等隐蔽工程。当用于基坑验槽记录时,表头填写“验槽”二字。并应增加设计、地质勘察单位参加人签字栏。YB1隐蔽工程检查验收记录工程名称:长峙岛马鞍村拆迁安置小区三标段人防地下室 建设单位:舟山市临城新区开发建设有限公司图号:结施—2隐蔽部位: 13 — 17 轴交 A — C 轴基础卷材防水层施工单位:浙江舟山广宇建设有限公司 隐蔽日期 :2024 年 1 月 27 日 隐蔽检查内容:13-17 轴交 A—C 轴卷材防水层隐蔽:1) 细部做法符合要求;2) 厚度符合要求;3) 表面平整度符合要求;4) 原材料规格、型号等符合要求。 监理工程师核查意见:核查人:人防工程质监部门验核意见:验核人:试验单、合格证、焊件编号名称或直径出厂合格证编号试验单编号专业技术负责人: 质量检查员: 填表人:注:本表适用...

1、当您付费下载文档后,您只拥有了使用权限,并不意味着购买了版权,文档只能用于自身使用,不得用于其他商业用途(如 [转卖]进行直接盈利或[编辑后售卖]进行间接盈利)。
2、本站所有内容均由合作方或网友上传,本站不对文档的完整性、权威性及其观点立场正确性做任何保证或承诺!文档内容仅供研究参考,付费前请自行鉴别。
3、如文档内容存在违规,或者侵犯商业秘密、侵犯著作权等,请点击“违规举报”。

碎片内容

人防隐蔽工程验收记录

您可能关注的文档

确认删除?
VIP
微信客服
  • 扫码咨询
会员Q群
  • 会员专属群点击这里加入QQ群
客服邮箱
回到顶部