电脑桌面
添加小米粒文库到电脑桌面
安装后可以在桌面快捷访问

地基基础工程施工工艺标准1

地基基础工程施工工艺标准1_第1页
1/37
地基基础工程施工工艺标准1_第2页
2/37
地基基础工程施工工艺标准1_第3页
3/37
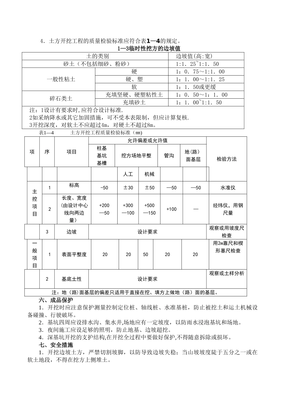
地基基础工程施工工艺标准目 录第一节 机械土方开挖第二节 土方回填 第三节 钢丝网水泥砂浆护坡 第四节 轻型井点降水 第五节 深井井点降水 第六节 锚杆及土钉墙 第七节 钢及混凝土支撑系统第八节 地下连续墙第九节 灰土工程 第十节 砂和砂石垫层 第十一节 重锤夯实 第十二节 深层搅拌桩施工 第十三节 喷粉桩施工 第十四节 钻孔灌注桩施工 第十五节 筏板基础施工 第十六节 箱形基础施工第一节 机械土方开挖(ZM 68-QJB-001)一、主要机具设备机械挖土工程常用机具设备有:推土机、铲运机、挖掘机、装载机以及配套自卸汽车等。主要工具有:十字镐、铁锹、大锤、钢纤、钢撬棍、手推车等.二、作业条件1.清除挖方区域内所有障碍物,如地上高压、照明、通讯线路,电杆、树木、旧有建筑物.向建设单位了解地下给排水、煤气、供热管道,电缆、沟渠、基础、坟墓等资料。做好搬迁、改建、改线或防护加固措施。2.制定好现场场地平整、基坑开挖施工方案,绘制施工总平面布置图和基坑土方开挖图,确定开挖路线、顺序,基底标高、边坡坡度、排水沟、集水井位置及土方堆放地点,深基坑开挖还应提出支护、边坡保护和降水方案.3.完成测量控制网的设置,包括控制基线、轴线和水准基点。场地平整进行方格网桩的布置和标高测设,计算挖填土方量,对建筑物做好定位轴线的控制测量和校核;进行土方工程的测量定位放线,并经检查复核无误后,作为施工控制的依据。4.在施工区域内做好临时性或永久性排水设施,或疏通原有排水系统,场地向排水沟方向应做成不小于 0.002 的坡度,使场地不积水,必要时设置截水沟、排洪沟或截洪坝,阻止山坡雨水流入开挖的基坑。5.完成必需的临时设施,包括生产设施及生活设施及机械进出和.土方运输道路、临时供水供电线路.6.机械设备运进现场,进行维护检查、试运转,使处于良好的工作状态.三、控制要点1.严格按设计边坡开挖四、施工操作工艺1.工艺流程施工放线→分段分层依次下挖→修边和清底→验收2.各种挖土机械应采纳其生产效率高的作业方法进行挖土。自卸汽车数量应按挖掘机械大小、生产率和工期要求配备,应能保证挖掘或装载机械连续作业.汽车载重量宜为挖掘机斗容量的 3~5 倍.3.大面积基础群基坑底板标高不一,机械开挖次序-般实行先整片挖至一平均标高,然后再挖个别较深部位。当一次开挖深度超过挖土机;最大挖掘高度(5m 以上)时,宜分二~三层开挖,在一面修筑 10%~15%坡道,作为机...

1、当您付费下载文档后,您只拥有了使用权限,并不意味着购买了版权,文档只能用于自身使用,不得用于其他商业用途(如 [转卖]进行直接盈利或[编辑后售卖]进行间接盈利)。
2、本站所有内容均由合作方或网友上传,本站不对文档的完整性、权威性及其观点立场正确性做任何保证或承诺!文档内容仅供研究参考,付费前请自行鉴别。
3、如文档内容存在违规,或者侵犯商业秘密、侵犯著作权等,请点击“违规举报”。

碎片内容

地基基础工程施工工艺标准1

您可能关注的文档

确认删除?
VIP
微信客服
  • 扫码咨询
会员Q群
  • 会员专属群点击这里加入QQ群
客服邮箱
回到顶部