电脑桌面
添加小米粒文库到电脑桌面
安装后可以在桌面快捷访问

安全文明评价表

安全文明评价表_第1页
1/8
安全文明评价表_第2页
2/8
安全文明评价表_第3页
3/8
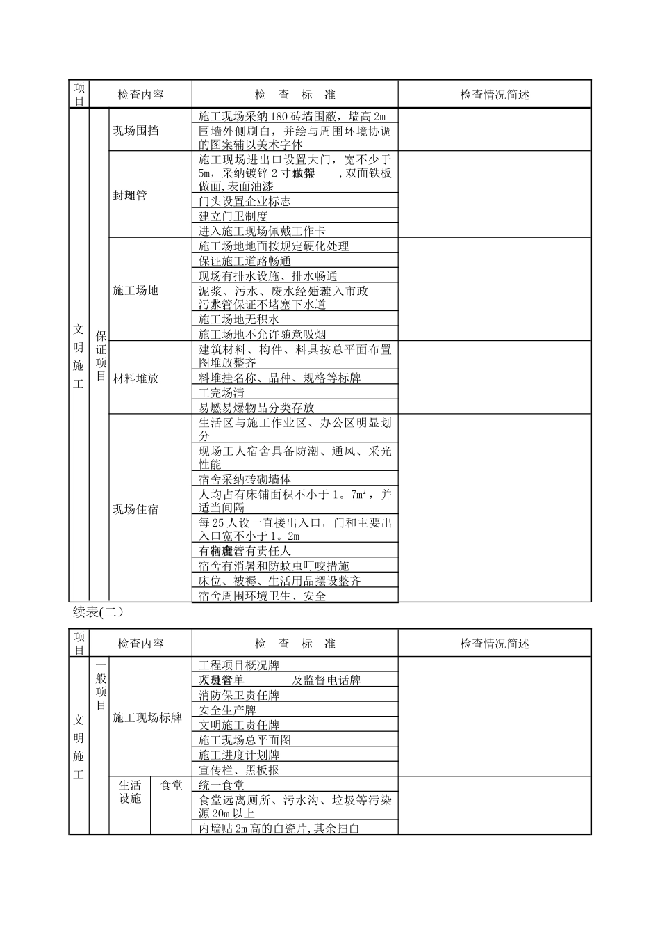
安全生产文明施工检查评价表(一)工程名称:监督登记号:受检时的工程形象进度:项目检查内容检 查 标 准检查情况简述安 全 管 理保证项目安全生产责任制建立安全责任制制定各工种安全技术操作规程有专(兼)职安全员目标管理制定安全管理目标(伤亡控制指标和安全达标、文明施工目标)进行安全责任目标分解制定责任目标考核规定考核办法落实情况施工组织设计施工组织设计中有安全措施施工组织设计经审批专业性较强的项目,单独编制专项安全施工组织设计安全措施全面、具有针对性安全措施落实情况分部(分项)工程安全技术交底有书面安全技术交底交底全面、针对性强交底履行签字手续安全教育制定安全教育制度新工人进场进行三级安全教育安全教育有具体内容有安全教育记录安全检查定期进行安全检查安全检查有记录检查出事故隐患整改做到定人、定时、定措施对重大事故隐患整改通知书所列项目如期完成一般项目班前安全活动建立班前安全活动制度班前安全活动有记录特种作业持证上岗各特别专业工种均持证上岗安全标志安全标志内容齐全安全标志悬挂位置明显、悬挂整齐工伤事故处理工伤事故按规定报告工伤事故按事故调查分析规定处理建立工伤事故档案安全检查人员签名:检查日期:年月日安全生产文明施工检查评价表(二)工程名称:监督登记号:受检时的工程形象进度:项目检查内容检 查 标 准检查情况简述文 明 施 工保证项目现场围挡施工现场采纳 180 砖墙围蔽,墙高 2m围墙外侧刷白,并绘与周围环境协调的图案辅以美术字体封闭管理施工现场进出口设置大门,宽不少于5m,采纳镀锌 2 寸水管做架,双面铁板做面,表面油漆门头设置企业标志建立门卫制度进入施工现场佩戴工作卡施工场地施工场地地面按规定硬化处理保证施工道路畅通现场有排水设施、排水畅通泥浆、污水、废水经处理后流入市政污水管井,保证不堵塞下水道施工场地无积水施工场地不允许随意吸烟材料堆放建筑材料、构件、料具按总平面布置图堆放整齐料堆挂名称、品种、规格等标牌工完场清易燃易爆物品分类存放现场住宿生活区与施工作业区、办公区明显划分现场工人宿舍具备防潮、通风、采光性能宿舍采纳砖砌墙体人均占有床铺面积不小于 1。7m²,并适当间隔每 25 人设一直接出入口,门和主要出入口宽不小于 1。2m有宿舍管理制度,有责任人宿舍有消暑和防蚊虫叮咬措施床位、被褥、生活用品摆设整齐宿舍周围环境卫生、安全续表(二)项目检查内容检 查 标 准检查情况简述文 明 ...

1、当您付费下载文档后,您只拥有了使用权限,并不意味着购买了版权,文档只能用于自身使用,不得用于其他商业用途(如 [转卖]进行直接盈利或[编辑后售卖]进行间接盈利)。
2、本站所有内容均由合作方或网友上传,本站不对文档的完整性、权威性及其观点立场正确性做任何保证或承诺!文档内容仅供研究参考,付费前请自行鉴别。
3、如文档内容存在违规,或者侵犯商业秘密、侵犯著作权等,请点击“违规举报”。

碎片内容

安全文明评价表

确认删除?
VIP
微信客服
  • 扫码咨询
会员Q群
  • 会员专属群点击这里加入QQ群
客服邮箱
回到顶部